Запчасти Komatsu WA600-6 ГИДРОТРАНСФОРМАТОР И ТРАНСМИССИЯ, ПЕРЕПУСКН. КЛАПАН, ДРЕНАЖН. ТРУБЫ (№8-) ГИДРОТРАНСФОРМАТОР И ТРАНСМИССИЯ, С ТОРМОЗ. МАСЛ. СИСТЕМА ОХЛАЖДЕНИЯ, PM SERVICE СОЕДИН-Е, С ЭКСТРЕНН. УПРАВЛ.

Схема запчастей Komatsu WA600-6 - ГИДРОТРАНСФОРМАТОР И ТРАНСМИССИЯ, ПЕРЕПУСКН. КЛАПАН, ДРЕНАЖН. ТРУБЫ (№8-) ГИДРОТРАНСФОРМАТОР И ТРАНСМИССИЯ, С ТОРМОЗ. МАСЛ. СИСТЕМА ОХЛАЖДЕНИЯ, PM SERVICE СОЕДИН-Е, С ЭКСТРЕНН. УПРАВЛ.
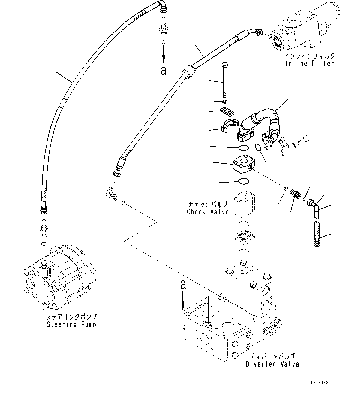
1
2
3
4
5
6
7
8
9
11
10
12
13
15
14
16
16
FIT
1:1
100%

Артикул

Название

Примечание

Количество

1

07000-B3035

O-ring

SN: 60638-UP

1шт.

2

426-62-31980

Spacer

SN: 60638-UP

1шт.

3

426-875-2490

Plate

SN: 60638-UP

2шт.

4

426-62-31270

Hose

SN: 60638-UP

1шт.

5

07000-B3032

O-ring

SN: 60638-UP

1шт.

6

07371-31049

Flange, Split

SN: 60638-UP

2шт.

7

01011-81040

Bolt

SN: 60638-UP

4шт.

8

01643-31032

Washer

SN: 60638-UP

4шт.

9

07000-B3025

O-ring

SN: 60638-UP

1шт.

10

02781-0031D

Nipple

SN: 60638-UP

1шт.

11

07002-61423

O-ring

SN: 60638-UP

1шт.

12

02754-00310

Hose, Face Seal Type

SN: 60638-UP

1шт.

13

02778-00308

Hose, Face Seal Type

SN: 60638-UP

1шт.

14

02896-61009

O-ring

SN: 60638-UP

1шт.

15

426-62-35440

Hose

SN: 60638-UP

1шт.

16

07095-20318

Cushion

SN: 60638-UP

2шт.

Выбрано товаров: 16