Запчасти Komatsu WA600-6 ГИДРОТРАНСФОРМАТОР И ТРАНСМИССИЯ, КРЕПЛЕНИЕ (/) (№8-) ГИДРОТРАНСФОРМАТОР И ТРАНСМИССИЯ, С ТОРМОЗ. МАСЛ. СИСТЕМА ОХЛАЖДЕНИЯ, PM SERVICE СОЕДИН-Е, С ЭКСТРЕНН. УПРАВЛ.

Схема запчастей Komatsu WA600-6 - ГИДРОТРАНСФОРМАТОР И ТРАНСМИССИЯ, КРЕПЛЕНИЕ (/) (№8-) ГИДРОТРАНСФОРМАТОР И ТРАНСМИССИЯ, С ТОРМОЗ. МАСЛ. СИСТЕМА ОХЛАЖДЕНИЯ, PM SERVICE СОЕДИН-Е, С ЭКСТРЕНН. УПРАВЛ.
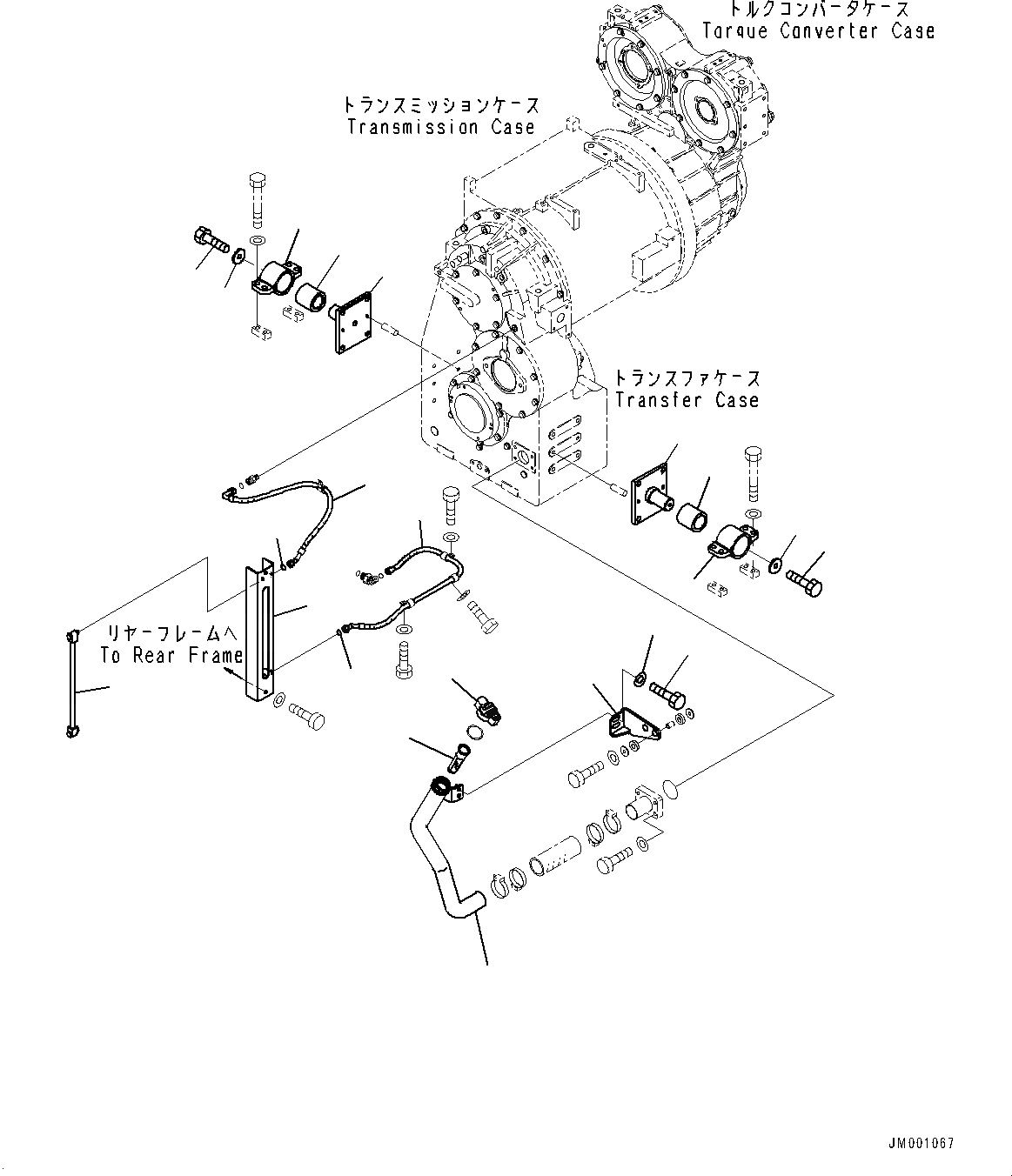
4
3
1
2
5
5
4
3
2
1
16
15
12
13
14
9
10
11
7
8
6
14
FIT
1:1
100%

Артикул

Название

Примечание

Количество

1

426-14-11121

Pin

SN: 60638-UP

2шт.

2

566-14-41130

Cushion

SN: 60638-UP

2шт.

3

566-14-41160

Bracket

SN: 60638-UP

2шт.

4

566-14-41170

Washer

SN: 60638-UP

2шт.

5

01010-61625

Bolt

SN: 60638-UP

2шт.

6

426-15-48112

Filler

SN: 60638-UP

1шт.

7

07056-10045

Strainer

SN: 60638-UP

1шт.

8

07092-01000

Cap

SN: 60638-UP

1шт.

9

01010-D1230

Bolt

SN: 60638-UP

2шт.

10

01643-71232

Washer

SN: 60638-UP

2шт.

11

426-15-48160

Plate

SN: 60638-UP

1шт.

12

426-15-48141

Hose

SN: 60638-UP

1шт.

13

02764-00310

Hose, Face Seal Type

SN: 60638-UP

1шт.

14

02896-11009

O-ring

SN: 60638-UP

2шт.

15

427-16-11610

Gauge, Filler

SN: 60638-UP

1шт.

16

426-16-31510

Cover

SN: 60638-UP

1шт.

Выбрано товаров: 16