Запчасти Komatsu WA600-6 ГИДРОТРАНСФОРМАТОР И ТРАНСМИССИЯ, ГИДРОТРАНСФОРМАТОР ЛИНИЯ ОХЛАЖДЕНИЯ (№8-) ГИДРОТРАНСФОРМАТОР И ТРАНСМИССИЯ, НАКЛОН.ABLE РУЛЕВОЕ КОЛЕСО, ЭКСТРЕНН. РУЛЕВ. УПРАВЛЕНИЕ, АВТОМАТИЧ. УПРАВЛ-Е ТИП, ТОРМОЗ. МАСЛ. СИСТЕМА ОХЛАЖДЕНИЯ

Схема запчастей Komatsu WA600-6 - ГИДРОТРАНСФОРМАТОР И ТРАНСМИССИЯ, ГИДРОТРАНСФОРМАТОР ЛИНИЯ ОХЛАЖДЕНИЯ (№8-) ГИДРОТРАНСФОРМАТОР И ТРАНСМИССИЯ, НАКЛОН.ABLE РУЛЕВОЕ КОЛЕСО, ЭКСТРЕНН. РУЛЕВ. УПРАВЛЕНИЕ, АВТОМАТИЧ. УПРАВЛ-Е ТИП, ТОРМОЗ. МАСЛ. СИСТЕМА ОХЛАЖДЕ
5
1
2
3
4
5
6
7
FIT
1:1
100%

Артикул

Название

Примечание

Количество

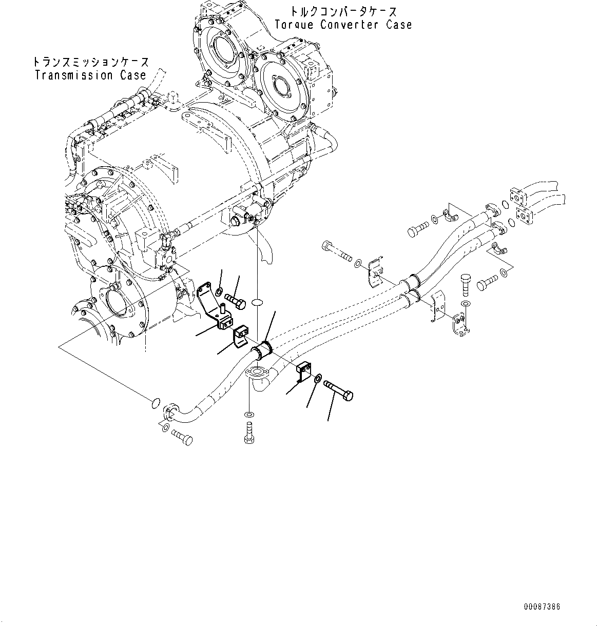
1

426-43-39520

Bracket

SN: 60638-UP

1шт.

2

01010-81235

Bolt

SN: 60638-UP

2шт.

3

01643-31232

Washer

SN: 60638-UP

2шт.

4

07095-01245

Cushion

SN: 60638-UP

1шт.

5

07094-11228

Clamp

SN: 60638-UP

2шт.

6

01010-81290

Bolt

SN: 60638-UP

2шт.

7

01643-31232

Washer

SN: 60638-UP

2шт.

Выбрано товаров: 7