Запчасти Komatsu WA600-6 ГИДРОТРАНСФОРМАТОР И ТРАНСМИССИЯ, ЭКСТРЕНН. КЛАПАН ТРУБЫ (№8-) ГИДРОТРАНСФОРМАТОР И ТРАНСМИССИЯ, НАКЛОН.ABLE РУЛЕВОЕ КОЛЕСО, ЭКСТРЕНН. РУЛЕВ. УПРАВЛЕНИЕ, АВТОМАТИЧ. УПРАВЛ-Е ТИП, ТОРМОЗ. МАСЛ. СИСТЕМА ОХЛАЖДЕНИЯ

Схема запчастей Komatsu WA600-6 - ГИДРОТРАНСФОРМАТОР И ТРАНСМИССИЯ, ЭКСТРЕНН. КЛАПАН ТРУБЫ (№8-) ГИДРОТРАНСФОРМАТОР И ТРАНСМИССИЯ, НАКЛОН.ABLE РУЛЕВОЕ КОЛЕСО, ЭКСТРЕНН. РУЛЕВ. УПРАВЛЕНИЕ, АВТОМАТИЧ. УПРАВЛ-Е ТИП, ТОРМОЗ. МАСЛ. СИСТЕМА ОХЛАЖДЕНИЯ
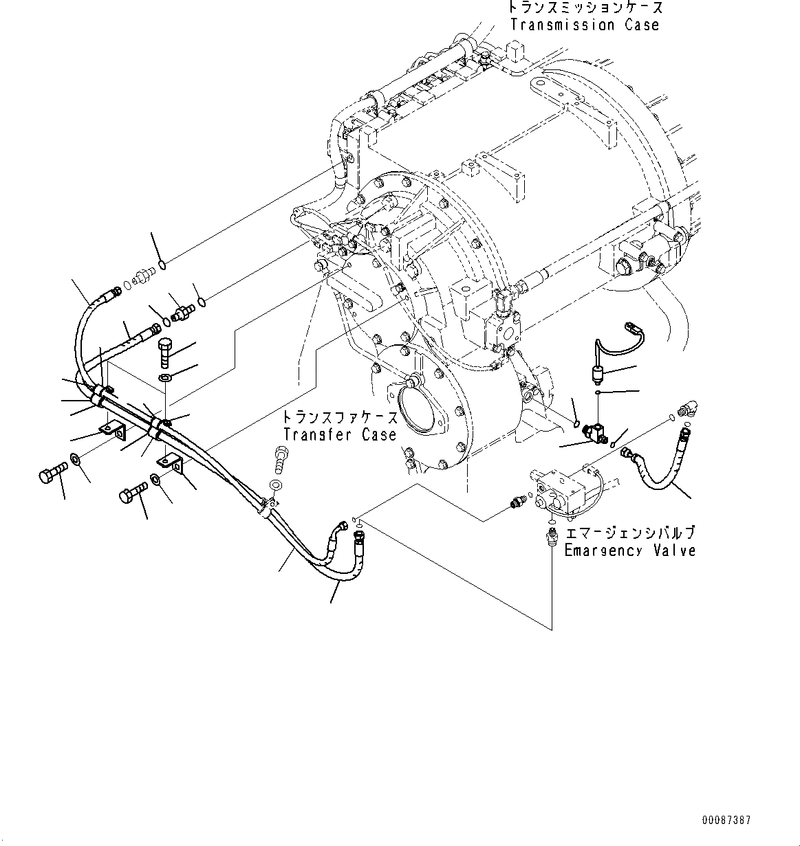
1
2
3
4
5
6
7
8
9
10
11
12
13
14
15
16
17
18
19
20
14
13
19
20
12
16
15
11
8
5
FIT
1:1
100%

Артикул

Название

Примечание

Количество

1

02781-0031D

Nipple

SN: 60638-UP

1шт.

2

07002-61423

O-ring

SN: 60638-UP

1шт.

3

425-43-38640

Tee

SN: 60638-UP

1шт.

4

07002-62034

O-ring

SN: 60638-UP

1шт.

5

02896-61009

O-ring

SN: 60638-UP

2шт.

6

418-43-37681

Switch, Pressure

SN: 60638-UP

1шт.

7

07002-61423

O-ring

SN: 60638-UP

1шт.

8

02753-00318

Hose, Face Seal Type

SN: 60638-UP

1шт.

9

02755-003A5

Hose, Face Seal Type

SN: 60638-UP

1шт.

10

07002-61423

O-ring

SN: 60638-UP

1шт.

11

02754-00216

Hose, Face Seal Type

SN: 60638-UP

1шт.

12

582-35-11920

Bracket

SN: 60638-UP

2шт.

13

04434-52511

Clip

SN: 60638-UP

2шт.

14

07095-20318

Cushion

SN: 60638-UP

2шт.

15

04434-51910

Clip

SN: 60638-UP

2шт.

16

07095-20213

Cushion

SN: 60638-UP

2шт.

17

01010-81025

Bolt

SN: 60638-UP

2шт.

18

01643-31032

Washer

SN: 60638-UP

2шт.

19

01010-81240

Bolt

SN: 60638-UP

2шт.

20

01643-31232

Washer

SN: 60638-UP

2шт.

Выбрано товаров: 20