Запчасти Komatsu WA600-6 ГИДРОТРАНСФОРМАТОР И ТРАНСМИССИЯ, ГИДРОТРАНСФОРМАТОР И ТРАНСМИССИЯ НАСОС ТРУБЫ (№8-) ГИДРОТРАНСФОРМАТОР И ТРАНСМИССИЯ, НАКЛОН.ABLE РУЛЕВОЕ КОЛЕСО, ЭКСТРЕНН. РУЛЕВ. УПРАВЛЕНИЕ, АВТОМАТИЧ. УПРАВЛ-Е ТИП, ТОРМОЗ. МАСЛ. СИСТЕМА ОХЛАЖДЕ

Схема запчастей Komatsu WA600-6 - ГИДРОТРАНСФОРМАТОР И ТРАНСМИССИЯ, ГИДРОТРАНСФОРМАТОР И ТРАНСМИССИЯ НАСОС ТРУБЫ (№8-) ГИДРОТРАНСФОРМАТОР И ТРАНСМИССИЯ, НАКЛОН.ABLE РУЛЕВОЕ КОЛЕСО, ЭКСТРЕНН. РУЛЕВ. УПРАВЛЕНИЕ, АВТОМАТИЧ. УПРАВЛ-Е ТИП, ТОРМОЗ. МАСЛ. СИСТЕМ
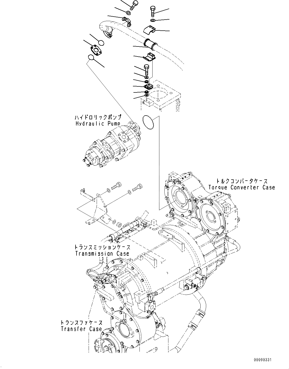
1
2
3
7
8
9
10
7
4
5
6
15
14
11
13
12
15
FIT
1:1
100%

Артикул

Название

Примечание

Количество

1

07373-31400

Spacer

SN: 60638-UP

1шт.

2

07000-B3048

O-ring

SN: 60638-UP

1шт.

3

07000-B3048

O-ring

SN: 60638-UP

1шт.

4

07371-31465

Flange

SN: 60638-UP

2шт.

5

07372-31245

Bolt

SN: 60638-UP

4шт.

6

01643-51232

Washer

SN: 60638-UP

4шт.

7

07094-11228

Clamp

SN: 60638-UP

2шт.

8

07095-01245

Cushion

SN: 60638-UP

1шт.

9

01010-81290

Bolt

SN: 60638-UP

2шт.

10

01643-31232

Washer

SN: 60638-UP

2шт.

11

426-16-31780

Bracket

SN: 60638-UP

1шт.

12

01010-81035

Bolt

SN: 60638-UP

2шт.

13

421-62-18550

Cushion

SN: 60638-UP

2шт.

14

421-62-23710

Cushion

SN: 60638-UP

2шт.

15

144-854-1890

Washer

SN: 60638-UP

4шт.

Выбрано товаров: 15