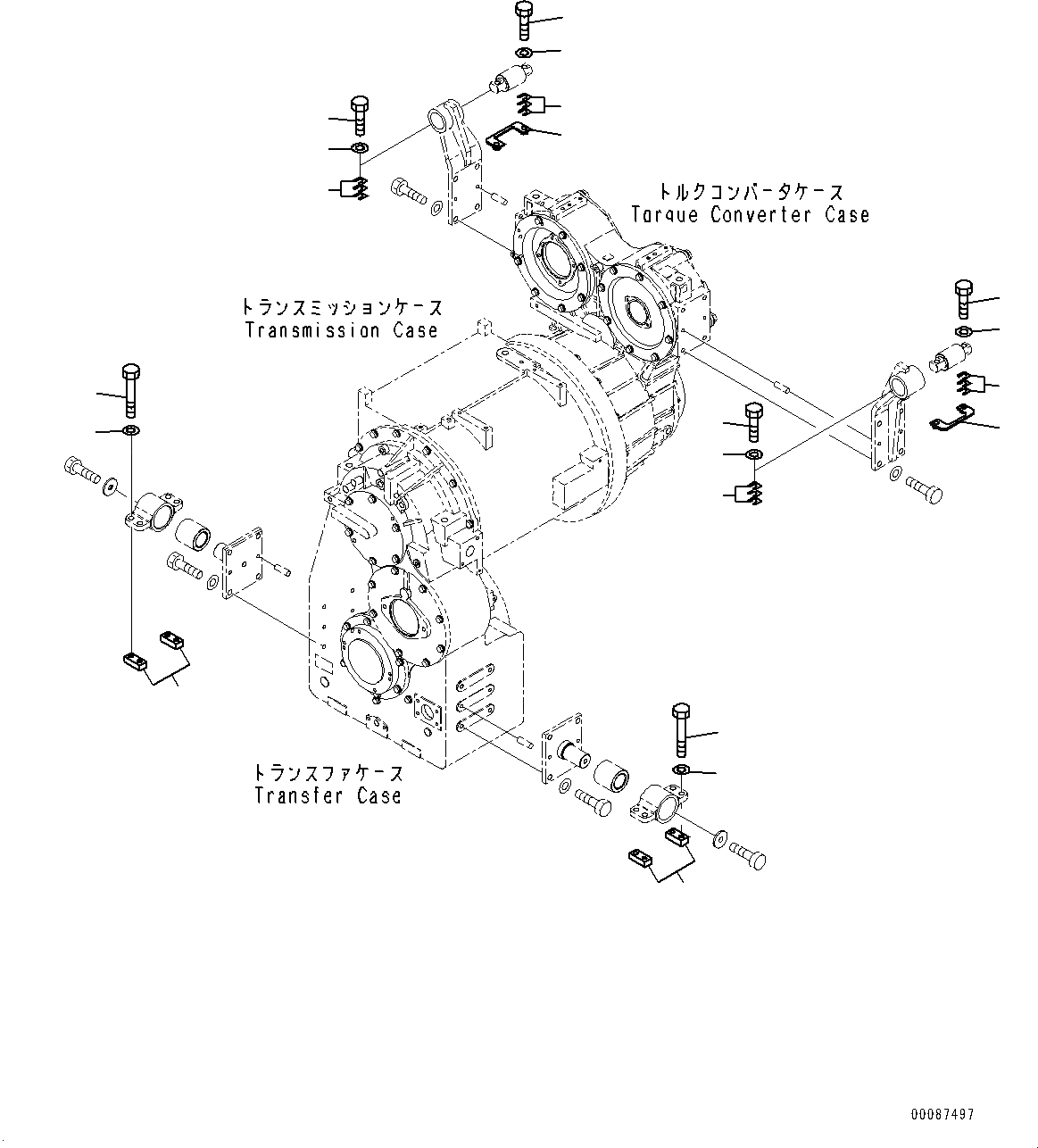
Запчасти Komatsu WA600-6 КРЕПЛЕНИЕ ТРАНСМИССИИ (№8-) КРЕПЛЕНИЕ ТРАНСМИССИИ

Схема запчастей Komatsu WA600-6 - КРЕПЛЕНИЕ ТРАНСМИССИИ (№8-) КРЕПЛЕНИЕ ТРАНСМИССИИ
1
2
3
4
5
6
7
3
4
2
3
4
2
1
3
4
2
5
6
7
FIT
1:1
100%

Артикул

Название

Примечание

Количество

1

426-14-31140

Plate

SN: 60638-UP

2шт.

2

426-14-11130

Shim, T=0.5mm

SN: 60638-UP

32шт.

3

01010-61480

Bolt

SN: 60638-UP

4шт.

4

01643-31445

Washer, Flat

SN: 60638-UP

4шт.

5

01011-61620

Bolt

SN: 60638-UP

8шт.

6

01643-31645

Washer

SN: 60638-UP

8шт.

7

421-14-11160

Plate

SN: 60638-UP

4шт.

Выбрано товаров: 0