Запчасти Komatsu WA600-6 ГИДРАВЛ МАСЛ. УПРАВЛЯЮЩ. КЛАПАН, КРЕПЛЕНИЕ (/) (№8-) ГИДРАВЛ МАСЛ. УПРАВЛЯЮЩ. КЛАПАН, С ПОГРУЗ. METER, С ЭЛЕКТРОНН. УПРАВЛ-ЕLED ПОДВЕСКА СИСТЕМА (ECSS)

Схема запчастей Komatsu WA600-6 - ГИДРАВЛ МАСЛ. УПРАВЛЯЮЩ. КЛАПАН, КРЕПЛЕНИЕ (/) (№8-) ГИДРАВЛ МАСЛ. УПРАВЛЯЮЩ. КЛАПАН, С ПОГРУЗ. METER, С ЭЛЕКТРОНН. УПРАВЛ-ЕLED ПОДВЕСКА СИСТЕМА (ECSS)
1
3
6
2
5
6
2
1
3
1
4
1
4
1
4
1
3
2
6
5
5
FIT
1:1
100%

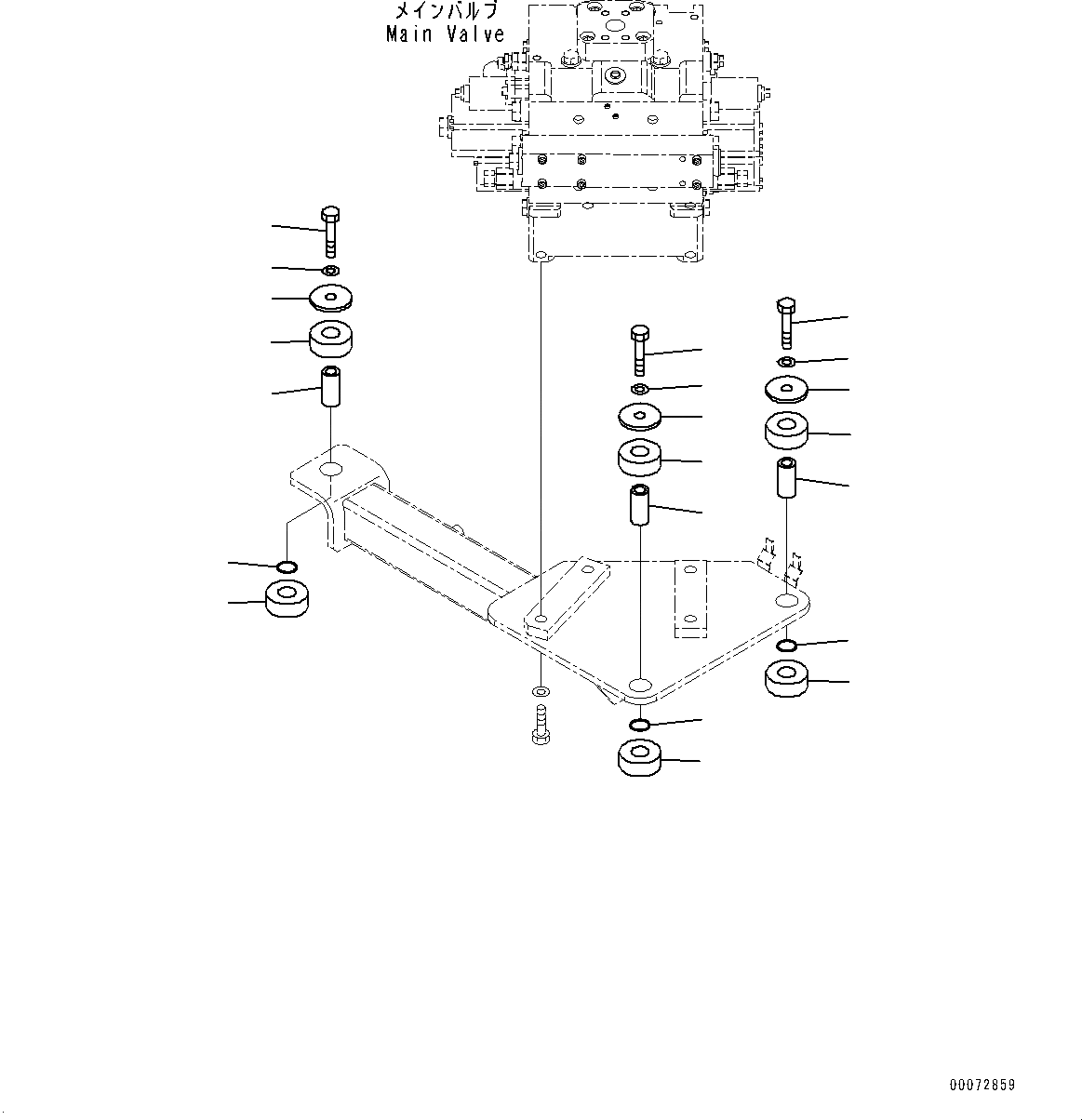
Артикул

Название

Примечание

Количество

1

203-54-21110

Cushion

SN: 60638-UP

6шт.

2

203-62-61572

Plate

SN: 60638-UP

3шт.

3

203-62-61581

Spacer

SN: 60638-UP

3шт.

4

07000-13025

O-ring

SN: 60638-UP

3шт.

5

01011-81600

Bolt

SN: 60638-UP

3шт.

6

01643-31645

Washer

SN: 60638-UP

3шт.

Выбрано товаров: 6