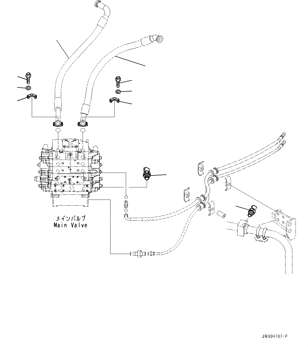
Запчасти Komatsu WA600-6 ГИДРАВЛ МАСЛ. УПРАВЛЯЮЩ. КЛАПАН, ДАТЧИК (№8-) ГИДРАВЛ МАСЛ. УПРАВЛЯЮЩ. КЛАПАН, 3-Х СЕКЦИОНН. КОНТРОЛЬН. КЛАПАН

Схема запчастей Komatsu WA600-6 - ГИДРАВЛ МАСЛ. УПРАВЛЯЮЩ. КЛАПАН, ДАТЧИК (№8-) ГИДРАВЛ МАСЛ. УПРАВЛЯЮЩ. КЛАПАН, 3-Х СЕКЦИОНН. КОНТРОЛЬН. КЛАПАН
8
9
1
2
3
5
6
4
7
7
FIT
1:1
100%

Артикул

Название

Примечание

Количество

1

07371-31049

Flange, Split

SN: 60638-UP

2шт.

2

07372-21035

Bolt

SN: 60638-UP

4шт.

3

01643-51032

Washer

SN: 60638-UP

4шт.

4

07371-31049

Flange, Split

SN: 60638-UP

2шт.

5

07372-21035

Bolt

SN: 60638-UP

4шт.

6

01643-51032

Washer

SN: 60638-UP

4шт.

7

7861-93-1653

Sensor

SN: 61073-UP

2шт.

7

7861-93-1652

Sensor

SN: 60822-61072

2шт.

7

7861-93-1650

Sensor

SN: 60638-60821

2шт.

7

07002-61823

O-ring

SN: 60822-UP

1шт.

7

07002-11823

O-ring

SN: 60638-60821

1шт.

8

426-879-3972

Hose

SN: UP

-1шт.

9

426-879-3982

Hose

SN: UP

-1шт.

Выбрано товаров: 13