Запчасти Komatsu WA600-6 ГИДРОТРАНСФОРМАТОР И ТРАНСМИССИЯ, ПОГРУЗ. НАСОС (/) (№8-) ГИДРОТРАНСФОРМАТОР И ТРАНСМИССИЯ, С ТОРМОЗ. МАСЛ. СИСТЕМА ОХЛАЖДЕНИЯ, PM SERVICE СОЕДИН-Е, С ЭКСТРЕНН. УПРАВЛ.

Схема запчастей Komatsu WA600-6 - ГИДРОТРАНСФОРМАТОР И ТРАНСМИССИЯ, ПОГРУЗ. НАСОС (/) (№8-) ГИДРОТРАНСФОРМАТОР И ТРАНСМИССИЯ, С ТОРМОЗ. МАСЛ. СИСТЕМА ОХЛАЖДЕНИЯ, PM SERVICE СОЕДИН-Е, С ЭКСТРЕНН. УПРАВЛ.
6
7
8
9
9
18
17
14
15
19
16
2
5
3
5
1
4
10
11
12
13
11
12
FIT
1:1
100%

Артикул

Название

Примечание

Количество

|$0

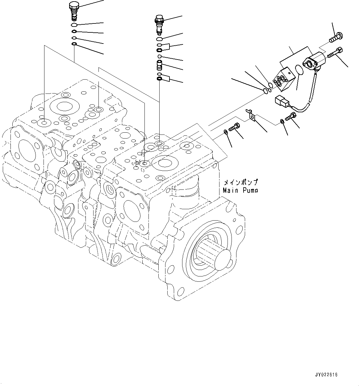
708-2G-00801

Pump Assembly

SN: 60638-UP

1шт.

1

702-21-57700

Valve, Pilot

SN: 60638-UP

1шт.

2

702-21-55870

O-ring

SN: 60638-UP

1шт.

3

702-21-55880

O-ring

SN: 60638-UP

1шт.

4

702-21-54180

Screw

SN: 60638-UP

2шт.

5

702-21-55890

O-ring

SN: 60638-UP

2шт.

6

01252-60635

Bolt, Hexagon Socket Head

SN: 60638-UP

2шт.

7

708-2G-15680

Plug

SN: 60638-UP

2шт.

8

07000-B1008

O-ring

SN: 60638-UP

2шт.

9

07001-01008

Ring, Back-up

SN: 60638-UP

4шт.

10

07002-21423

O-ring

SN: 60638-UP

2шт.

11

01643-51232

Washer

SN: 60638-UP

3шт.

12

01010-81220

Bolt

SN: 60638-UP

3шт.

13

08193-21012

Clip

SN: 60638-UP

1шт.

13

708-2G-03810

Valve, Shuttle

SN: 60638-UP

2шт.

14

07002-21423

O-ring

SN: 60638-UP

1шт.

15

720-2M-15412

Sleeve

SN: 60638-UP

1шт.

16

720-2M-15421

Holder

SN: 60638-UP

1шт.

17

720-2M-15430

Seal

SN: 60638-UP

1шт.

18

700-84-11730

Ball

SN: 60638-UP

1шт.

19

720-2M-15440

Seal

SN: 60638-UP

1шт.

Выбрано товаров: 21