Запчасти Komatsu WA600-6 ГИДРОТРАНСФОРМАТОР И ТРАНСМИССИЯ, КОМПОНЕНТЫ (/) (№8-) ГИДРОТРАНСФОРМАТОР И ТРАНСМИССИЯ, НАКЛОН.ABLE РУЛЕВОЕ КОЛЕСО, ЭКСТРЕНН. РУЛЕВ. УПРАВЛЕНИЕ, АВТОМАТИЧ. УПРАВЛ-Е ТИП, ТОРМОЗ. МАСЛ. СИСТЕМА ОХЛАЖДЕНИЯ

Схема запчастей Komatsu WA600-6 - ГИДРОТРАНСФОРМАТОР И ТРАНСМИССИЯ, КОМПОНЕНТЫ (/) (№8-) ГИДРОТРАНСФОРМАТОР И ТРАНСМИССИЯ, НАКЛОН.ABLE РУЛЕВОЕ КОЛЕСО, ЭКСТРЕНН. РУЛЕВ. УПРАВЛЕНИЕ, АВТОМАТИЧ. УПРАВЛ-Е ТИП, ТОРМОЗ. МАСЛ. СИСТЕМА ОХЛАЖДЕНИЯ
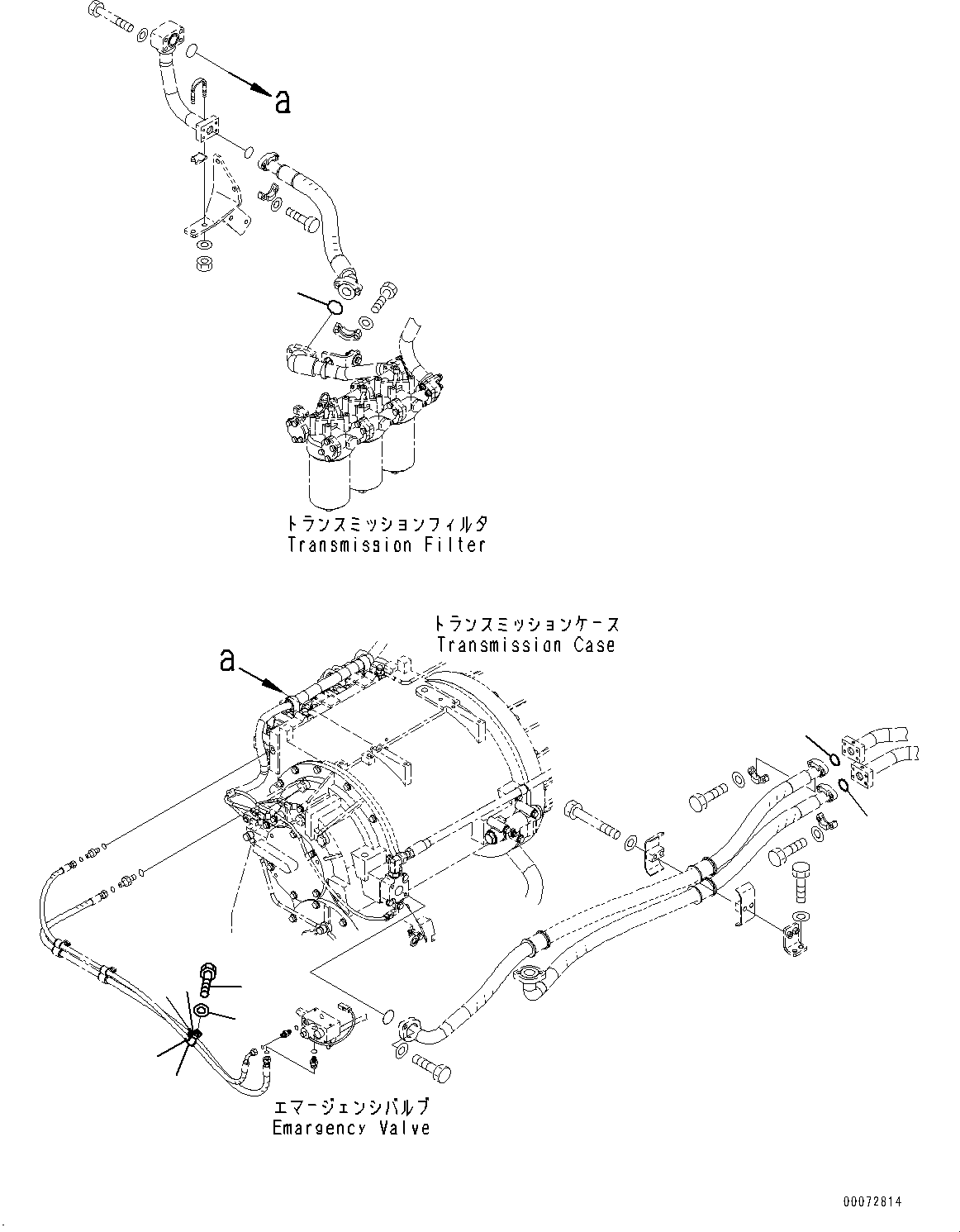
1
5
9
7
8
6
4
2
3
FIT
1:1
100%

Артикул

Название

Примечание

Количество

1

07000-B3048

O-ring

SN: 60638-UP

1шт.

2

07000-A3038

O-ring

SN: 60638-UP

1шт.

3

07000-A3038

O-ring

SN: 60638-UP

1шт.

4

04434-51910

Clip

SN: 60638-UP

1шт.

5

07095-20213

Cushion

SN: 60638-UP

1шт.

6

04434-52511

Clip

SN: 60638-UP

1шт.

7

07095-20318

Cushion

SN: 60638-UP

1шт.

8

01010-81025

Bolt

SN: 60638-UP

1шт.

9

01643-31032

Washer

SN: 60638-UP

1шт.

Выбрано товаров: 0