Запчасти Komatsu WA600-6 ГИДРОЛИНИЯ, ГИДРОЦИЛИНДР ПОДЪЕМА ТРУБЫ (/) (№-) ГИДРОЛИНИЯ

Схема запчастей Komatsu WA600-6 - ГИДРОЛИНИЯ, ГИДРОЦИЛИНДР ПОДЪЕМА ТРУБЫ (/) (№-) ГИДРОЛИНИЯ
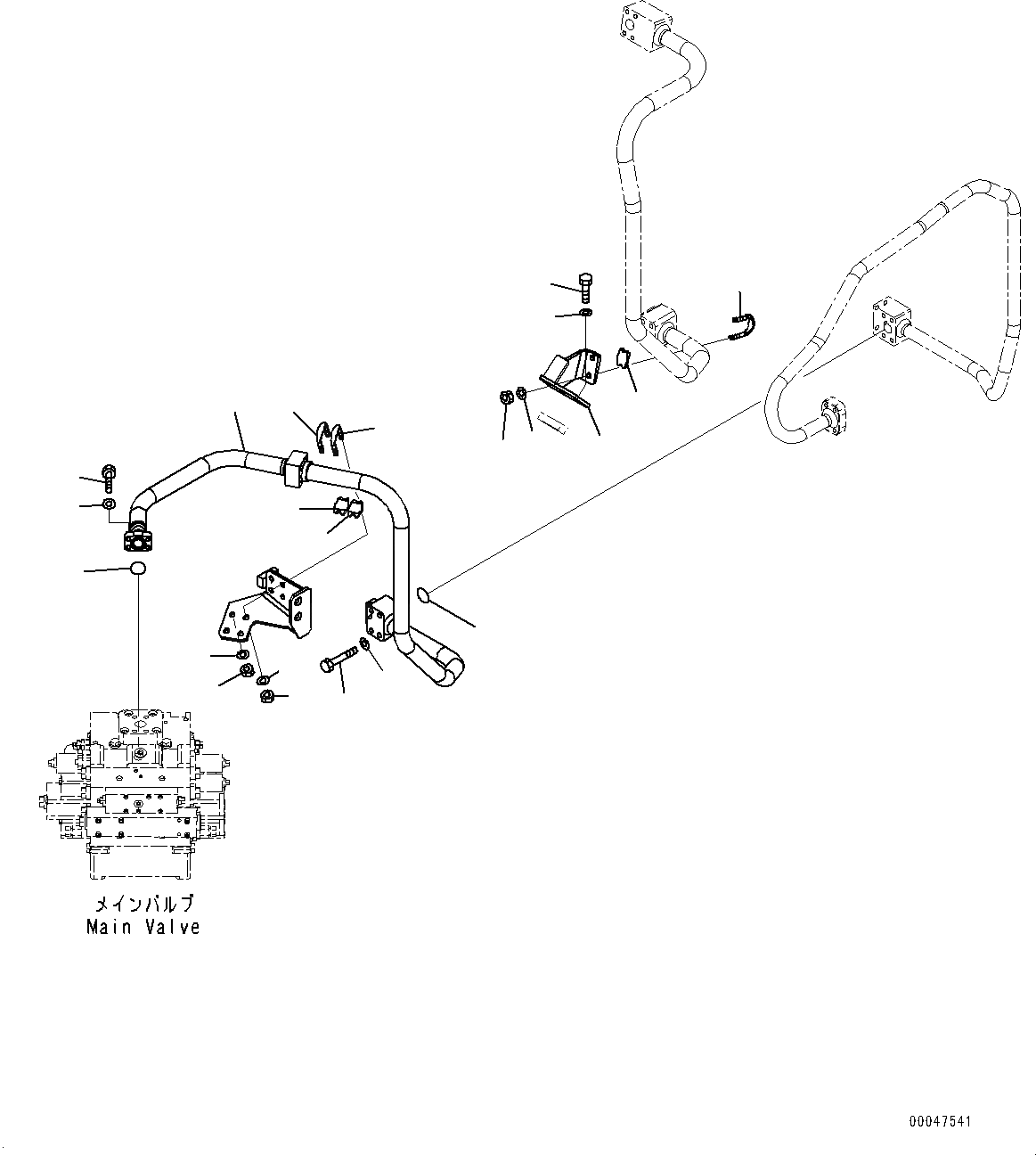
22
21
20
19
18
17
16
15
14
13
12
11
10
9
8
7
6
5
4
3
2
1
FIT
1:1
100%

Артикул

Название

Примечание

Количество

1

426-62-33642

Tube

SN: 61052-UP

1шт.

2

07000-B3035

O-ring

SN: 61052-UP

1шт.

3

07372-21040

Bolt

SN: 61052-UP

4шт.

4

01643-51032

Washer

SN: 61052-UP

4шт.

5

07000-B3038

O-ring

SN: 61052-UP

1шт.

6

07283-54353

Seat

SN: 61052-UP

1шт.

7

07283-34354

Clip, Pipe

SN: 61052-UP

1шт.

8

01643-31032

Washer

SN: 61052-UP

2шт.

9

01597-01009

Nut

SN: 61052-UP

2шт.

10

07283-54353

Seat

SN: 61052-UP

1шт.

11

07283-34354

Clip, Pipe

SN: 61052-UP

1шт.

12

01643-31032

Washer

SN: 61052-UP

2шт.

13

01597-01009

Nut

SN: 61052-UP

2шт.

14

01010-81285

Bolt

SN: 61052-UP

4шт.

15

01643-31232

Washer

SN: 61052-UP

4шт.

16

426-62-34372

Bracket

SN: 61052-UP

1шт.

17

07283-54353

Seat

SN: 61052-UP

2шт.

18

07283-34354

Clip, Pipe

SN: 61052-UP

2шт.

19

01643-31032

Washer

SN: 61052-UP

4шт.

20

01597-01009

Nut

SN: 61052-UP

4шт.

21

01010-81230

Bolt

SN: 61052-UP

2шт.

22

01643-31232

Washer

SN: 61052-UP

2шт.

Выбрано товаров: 22