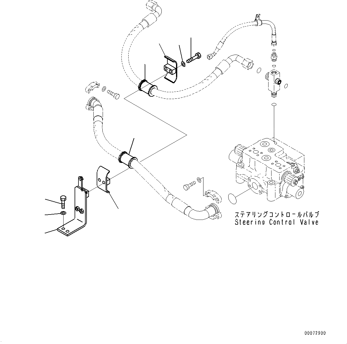
Запчасти Komatsu WA600-6 РУЛЕВ. УПРАВЛЕНИЕ ГИДРОЛИНИЯ, КРЕПЛЕНИЕ (/) (№8-) РУЛЕВ. УПРАВЛЕНИЕ ГИДРОЛИНИЯ, ADVANCED ДЖОЙСТИК СИСТЕМАУПРАВЛЕНИЯ ПОВОРОТОМ(AJSS), ПЕРИОДИЧ. ОБСЛУЖ. SERVICE СОЕДИН-ЕS

Схема запчастей Komatsu WA600-6 - РУЛЕВ. УПРАВЛЕНИЕ ГИДРОЛИНИЯ, КРЕПЛЕНИЕ (/) (№8-) РУЛЕВ. УПРАВЛЕНИЕ ГИДРОЛИНИЯ, ADVANCED ДЖОЙСТИК СИСТЕМАУПРАВЛЕНИЯ ПОВОРОТОМ(AJSS), ПЕРИОДИЧ. ОБСЛУЖ. SERVICE СОЕДИН-ЕS
3
2
3
4
5
8
6
7
1
FIT
1:1
100%

Артикул

Название

Примечание

Количество

1

07095-01038

Cushion

SN: 60638-UP

1шт.

2

07095-01033

Cushion

SN: 60638-UP

1шт.

3

07094-31024

Clamp

SN: 60638-UP

2шт.

4

01010-81275

Bolt

SN: 60638-UP

2шт.

5

01643-31232

Washer

SN: 60638-UP

2шт.

6

426-62-31252

Plate

SN: 60638-UP

1шт.

7

01010-81230

Bolt

SN: 60638-UP

2шт.

8

01643-31232

Washer

SN: 60638-UP

2шт.

Выбрано товаров: 8