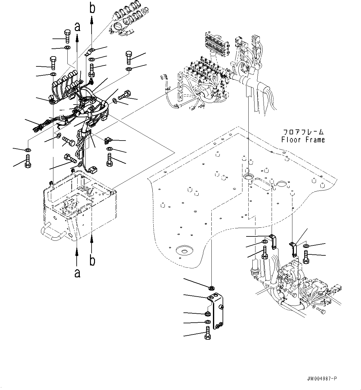
Запчасти Komatsu WA600-6 ПОЛ, ПРОВОДКА, ПРАВ. (№-) ПОЛ

Схема запчастей Komatsu WA600-6 - ПОЛ, ПРОВОДКА, ПРАВ. (№-) ПОЛ
25
26
23
30
29
28
4
5
9
7
7
7
24
6
8
6
6
27
1
2
3
4
5
6
7
10
11
12
13
14
15
16
17
28
29
30
18
21
22
19
20
FIT
1:1
100%

Артикул

Название

Примечание

Количество

1

426-Z89-3131

Wiring Harness

SN: 61052-UP

1шт.

2

04434-50608

Clip

SN: 61052-UP

1шт.

3

04434-51508

Clip

SN: 61052-UP

1шт.

4

04434-51708

Clip

SN: 61052-UP

2шт.

5

04434-52511

Clip

SN: 61052-UP

2шт.

6

01010-80816

Bolt

SN: 61052-UP

4шт.

7

01643-30823

Washer

SN: 61052-UP

4шт.

8

01010-81016

Bolt

SN: 61052-UP

1шт.

9

01643-31032

Washer

SN: 61052-UP

1шт.

10

01010-81020

Bolt

SN: 61052-UP

1шт.

11

01643-31032

Washer

SN: 61052-UP

1шт.

12

42A-16-11210

Plate

SN: 61052-UP

1шт.

13

01010-81020

Bolt

SN: 61052-UP

1шт.

14

01643-31032

Washer

SN: 61052-UP

1шт.

15

08193-31012

Clip

SN: 61052-UP

1шт.

16

01010-81016

Bolt

SN: 61052-UP

1шт.

17

01643-31032

Washer

SN: 61052-UP

1шт.

18

04434-50508

Clip

SN: 61052-UP

1шт.

19

01010-80816

Bolt

SN: 61052-UP

1шт.

20

01643-30823

Washer

SN: 61052-UP

1шт.

21

08059-00413

Clip

SN: 61052-UP

1шт.

22

08034-20310

Band, Black

SN: 61052-UP

1шт.

23

426-06-32623

Bracket

SN: 61052-UP

1шт.

24

01010-81030

Bolt

SN: 61052-UP

2шт.

25

421-62-23710

Cushion

SN: 61052-UP

2шт.

26

421-62-23350

Cushion

SN: 61052-UP

2шт.

27

144-854-1890

Washer

SN: 61052-UP

2шт.

28

425-03-11420

Plate

SN: 61052-UP

3шт.

29

01010-81020

Bolt

SN: 61052-UP

2шт.

30

01643-31032

Washer

SN: 61052-UP

2шт.

Выбрано товаров: 30