Запчасти Komatsu WA600-6 ГИДРОТРАНСФОРМАТОР И ТРАНСМИССИЯ, КРЕПЛЕНИЕ (/) (№8-) ГИДРОТРАНСФОРМАТОР И ТРАНСМИССИЯ, БЕЗ ТОРМОЗ. МАСЛ. СИСТЕМА ОХЛАЖДЕНИЯ

Схема запчастей Komatsu WA600-6 - ГИДРОТРАНСФОРМАТОР И ТРАНСМИССИЯ, КРЕПЛЕНИЕ (/) (№8-) ГИДРОТРАНСФОРМАТОР И ТРАНСМИССИЯ, БЕЗ ТОРМОЗ. МАСЛ. СИСТЕМА ОХЛАЖДЕНИЯ
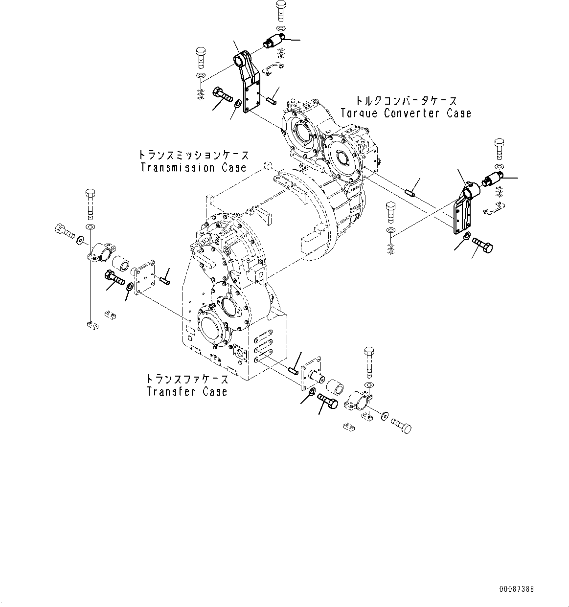
1
2
3
4
5
6
7
8
1
2
3
4
5
6
7
8
FIT
1:1
100%

Артикул

Название

Примечание

Количество

1

426-14-31110

Bracket

SN: 60638-UP

2шт.

2

01643-31645

Washer

SN: 60638-UP

8шт.

3

01010-61650

Bolt

SN: 60638-UP

8шт.

4

04020-01228

Pin, Dowel

SN: 60638-UP

4шт.

5

566-14-51152

Cushion

SN: 60638-UP

2шт.

6

01010-61645

Bolt

SN: 60638-UP

8шт.

7

01643-31645

Washer

SN: 60638-UP

8шт.

8

04020-01228

Pin, Dowel

SN: 60638-UP

4шт.

Выбрано товаров: 8