Запчасти Komatsu WA600-6R ГИДРОТРАНСФОРМАТОР И ТРАНСМИССИЯ (ГИДРОТРАНСФОРМАТОР НАСОС ТРУБЫ) ГИДРОТРАНСФОРМАТОР И ТРАНСМИССИЯ

Схема запчастей Komatsu WA600-6R - ГИДРОТРАНСФОРМАТОР И ТРАНСМИССИЯ (ГИДРОТРАНСФОРМАТОР НАСОС ТРУБЫ) ГИДРОТРАНСФОРМАТОР И ТРАНСМИССИЯ
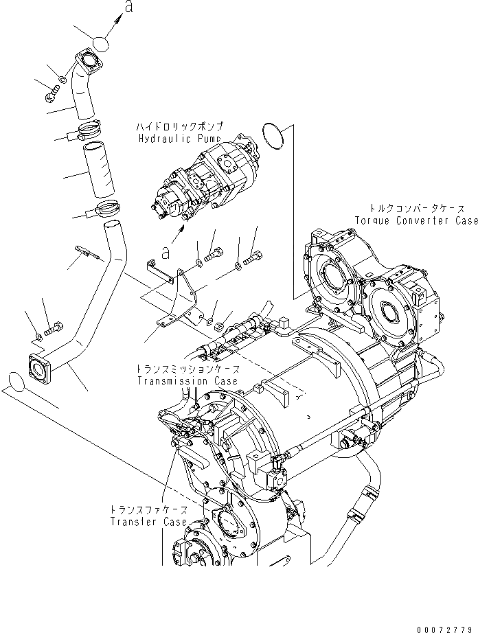
1
2
3
4
5
6
6
7
8
9
10
11
12
13
14
15
16
17
18
FIT
1:1
100%

Артикул

Название

Примечание

Количество

1

426-16-31523

TUBE

SN: 65001-UP

1шт.

2

07000-B2075

O-RING

SN: 65001-UP

1шт.

3

07372-21245

BOLT

SN: 65001-UP

4шт.

4

01643-51232

WASHER

SN: 65001-UP

4шт.

5

07260-07425

HOSE

SN: 65001-UP

1шт.

6

21N-62-37921

CLAMP

SN: 65001-UP

2шт.

7

426-16-31532

TUBE

SN: 65001-UP

1шт.

8

07000-B2100

O-RING

SN: 65001-UP

1шт.

9

01010-81245

BOLT

SN: 65001-UP

4шт.

10

01643-31232

WASHER

SN: 65001-UP

4шт.

11

426-16-31163

BRACKET

SN: 65001-UP

1шт.

12

01010-81295

BOLT

SN: 65001-UP

1шт.

13

01643-31232

WASHER

SN: 65001-UP

1шт.

14

01011-81200

BOLT

SN: 65001-UP

1шт.

15

01643-31232

WASHER

SN: 65001-UP

1шт.

16

07283-37663

CLIP

SN: 65001-UP

1шт.

17

01643-31032

WASHER

SN: 65001-UP

2шт.

18

01597-01009

NUT

SN: 65001-UP

2шт.

Выбрано товаров: 18