Запчасти Komatsu WA600-6R ГИДРОТРАНСФОРМАТОР И ТРАНСМИССИЯ (ВОЗВРАТН. ЛИНИЯ) (ДЛЯ ЭКСТРЕННОГО УПРАВЛЕНИЯ) ГИДРОТРАНСФОРМАТОР И ТРАНСМИССИЯ

Схема запчастей Komatsu WA600-6R - ГИДРОТРАНСФОРМАТОР И ТРАНСМИССИЯ (ВОЗВРАТН. ЛИНИЯ) (ДЛЯ ЭКСТРЕННОГО УПРАВЛЕНИЯ) ГИДРОТРАНСФОРМАТОР И ТРАНСМИССИЯ
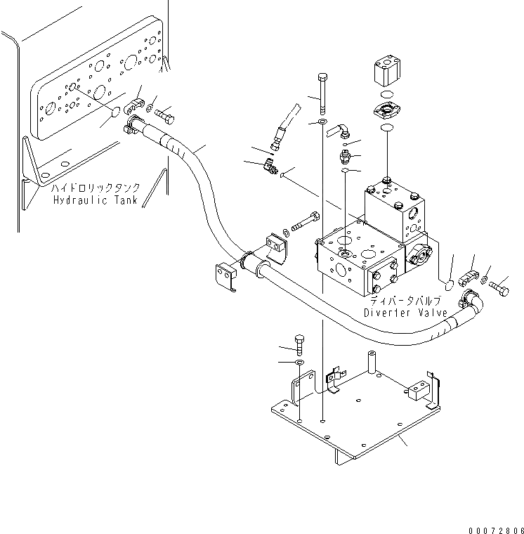
1
2
3
4
5
6
7
8
9
10
11
12
13
13
14
14
15
15
16
16
FIT
1:1
100%

Артикул

Название

Примечание

Количество

1

02782-10311

ELBOW

SN: 65001-UP

1шт.

2

07002-61423

O-RING

SN: 65001-UP

1шт.

3

02896-61009

O-RING

SN: 65001-UP

1шт.

4

02781-00315

UNION

SN: 65001-UP

1шт.

5

07002-62034

O-RING

SN: 65001-UP

1шт.

6

02896-61009

O-RING

SN: 65001-UP

1шт.

7

01011-81025

BOLT

SN: 65001-UP

4шт.

8

01643-31032

WASHER

SN: 65001-UP

4шт.

9

426-62-31182

PLATE

SN: 65001-UP

1шт.

10

01010-81230

BOLT

SN: 65001-UP

4шт.

11

01643-31232

WASHER

SN: 65001-UP

4шт.

12

07298-01017

HOSE

SN: 65001-UP

1шт.

13

07000-B3032

O-RING

SN: 65001-UP

2шт.

14

07371-31049

FLANGE

SN: 65001-UP

2шт.

15

07372-21035

BOLT

SN: 65001-UP

4шт.

16

01643-51032

WASHER

SN: 65001-UP

4шт.

Выбрано товаров: 16