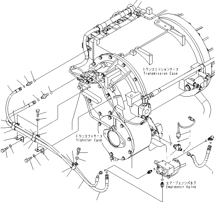
Запчасти Komatsu WA600-6R ГИДРОТРАНСФОРМАТОР И ТРАНСМИССИЯ ЛИНИЯ (ЭКСТРЕНН. КЛАПАН ТРУБЫ)(№-) ГИДРОТРАНСФОРМАТОР И ТРАНСМИССИЯ

Схема запчастей Komatsu WA600-6R - ГИДРОТРАНСФОРМАТОР И ТРАНСМИССИЯ ЛИНИЯ (ЭКСТРЕНН. КЛАПАН ТРУБЫ)(№-) ГИДРОТРАНСФОРМАТОР И ТРАНСМИССИЯ
1
2
3
4
5
5
6
7
8
8
9
10
11
12
13
13
14
14
15
15
16
16
17
17
18
18
19
20
21
21
22
22
23
24
25
26
27
28
FIT
1:1
100%

Артикул

Название

Примечание

Количество

1

02781-0031D

UNION

SN: 65001-UP

1шт.

2

07002-61423

O-RING

SN: 65001-UP

1шт.

3

425-43-38640

TEE

SN: 65001-UP

1шт.

4

07002-62034

O-RING

SN: 65001-UP

1шт.

5

02896-61009

O-RING

SN: 65001-UP

2шт.

6

418-43-37681

SWITCH

SN: 65001-UP

1шт.

7

07002-61423

O-RING

SN: 65001-UP

1шт.

8

02753-00318

HOSE

SN: 65001-UP

1шт.

9

02755-003A5

HOSE

SN: 65001-UP

1шт.

10

02781-0021D

UNION

SN: 65001-UP

1шт.

11

07002-61423

O-RING

SN: 65001-UP

1шт.

12

02896-61008

O-RING

SN: 65001-UP

1шт.

13

02754-00216

HOSE

SN: 65001-UP

1шт.

14

582-35-11920

BRACKET

SN: 65001-UP

2шт.

15

04434-52511

CLIP

SN: 65001-UP

2шт.

16

07095-20318

CUSHION

SN: 65001-UP

2шт.

17

04434-51910

CLIP

SN: 65001-UP

2шт.

18

07095-20213

CUSHION

SN: 65001-UP

2шт.

19

01010-81025

BOLT

SN: 65001-UP

2шт.

20

01643-31032

WASHER

SN: 65001-UP

2шт.

21

01010-81240

BOLT

SN: 65001-UP

2шт.

22

01643-31232

WASHER

SN: 65001-UP

2шт.

23

04434-51910

CLIP

SN: 65001-UP

1шт.

24

07095-20213

CUSHION

SN: 65001-UP

1шт.

25

04434-52511

CLIP

SN: 65001-UP

1шт.

26

07095-20318

CUSHION

SN: 65001-UP

1шт.

27

01010-81025

BOLT

SN: 65001-UP

1шт.

28

01643-31032

WASHER

SN: 65001-UP

1шт.

Выбрано товаров: 28