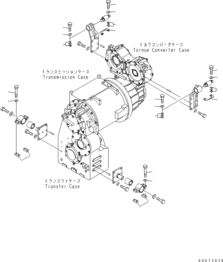
Запчасти Komatsu WA600-6R ГИДРОТРАНСФОРМАТОР И ТРАНСМИССИЯ КРЕПЛЕНИЕS ГИДРОТРАНСФОРМАТОР И ТРАНСМИССИЯ

Схема запчастей Komatsu WA600-6R - ГИДРОТРАНСФОРМАТОР И ТРАНСМИССИЯ КРЕПЛЕНИЕS ГИДРОТРАНСФОРМАТОР И ТРАНСМИССИЯ
1
1
2
2
2
2
3
3
3
3
4
4
4
4
5
5
6
6
7
7
FIT
1:1
100%

Артикул

Название

Примечание

Количество

1

426-14-31140

PLATE

SN: 65001-UP

2шт.

2

426-14-11130

SHIM, 0.5MM

SN: 65001-UP

32шт.

3

01010-61480

BOLT

SN: 65001-UP

4шт.

4

01643-31445

WASHER

SN: 65001-UP

4шт.

5

01011-61620

BOLT

SN: 65001-UP

8шт.

6

01643-31645

WASHER

SN: 65001-UP

8шт.

7

421-14-11160

SEAT

SN: 65001-UP

4шт.

Выбрано товаров: 7