Запчасти Komatsu WA600-6R ГИДРОЛИНИЯ ЭКСТРЕННОГО УПРАВЛЕНИЯ (ГИДР. БАК. TO ПЕРЕПУСКН. КЛАПАН)(№-) ГИДРАВЛИКА

Схема запчастей Komatsu WA600-6R - ГИДРОЛИНИЯ ЭКСТРЕННОГО УПРАВЛЕНИЯ (ГИДР. БАК. TO ПЕРЕПУСКН. КЛАПАН)(№-) ГИДРАВЛИКА
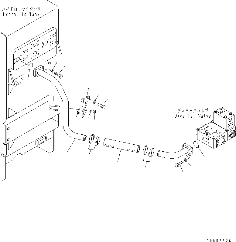
1
2
3
4
5
6
7
8
9
10
10
11
12
13
14
15
16
17
FIT
1:1
100%

Артикул

Название

Примечание

Количество

1

426-62-31210

TUBE

SN: 65001-UP

1шт.

2

07000-B2060

O-RING

SN: 65001-UP

1шт.

3

01010-81245

BOLT

SN: 65001-UP

4шт.

4

01643-31232

WASHER

SN: 65001-UP

4шт.

5

07283-34957

CLIP

SN: 65001-UP

1шт.

6

07283-54959

SEAT

SN: 65001-UP

1шт.

7

01643-31032

WASHER

SN: 65001-UP

2шт.

8

01597-01009

NUT

SN: 65001-UP

2шт.

9

07260-04732

HOSE

SN: 65001-UP

1шт.

10

426-62-35820

CLAMP

SN: 65001-UP

2шт.

11

426-62-31220

TUBE

SN: 65001-UP

1шт.

12

07000-B2060

O-RING

SN: 65001-UP

1шт.

13

01010-81245

BOLT

SN: 65001-UP

4шт.

14

01643-31232

WASHER

SN: 65001-UP

4шт.

15

426-62-35790

PLATE

SN: 65001-UP

1шт.

16

01010-81030

BOLT

SN: 65001-UP

2шт.

17

01643-31032

WASHER

SN: 65001-UP

2шт.

Выбрано товаров: 17