Запчасти Komatsu WA600-6R ЦИЛИНДР РУЛЕВ. УПР-Я (ЦИЛИНДР И УПЛОТНЕНИЕ)(№-) ОСНОВНАЯ РАМА И ЕЕ ЧАСТИ

Схема запчастей Komatsu WA600-6R - ЦИЛИНДР РУЛЕВ. УПР-Я (ЦИЛИНДР И УПЛОТНЕНИЕ)(№-) ОСНОВНАЯ РАМА И ЕЕ ЧАСТИ
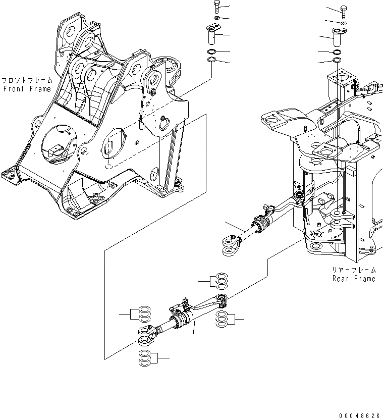
1
2
3
4
5
6
6
7
8
9
10
11
12
12
13
14
FIT
1:1
100%

Артикул

Название

Примечание

Количество

1

707-01-XR020

CYLINDER GROUP,R.H.

SN: 65001-UP

1шт.

2

707-01-XR010

CYLINDER GROUP,L.H.

SN: 65001-UP

1шт.

3

424-70-11910

PIN

SN: 65001-UP

2шт.

4

01010-81625

BOLT

SN: 65001-UP

2шт.

5

421-70-11280

WASHER

SN: 65001-UP

2шт.

6

419-70-11460

SHIM, 1.5MM

SN: 65001-UP

8шт.

6

419-70-11470

SHIM, 3.0MM

SN: 65001-UP

4шт.

6

426-46-33230

SHIM, 0.2MM

SN: 65001-UP

4шт.

6

426-46-33240

SHIM, 0.5MM

SN: 65001-UP

6шт.

7

426-46-33410

O-RING

SN: 65001-UP

2шт.

8

426-46-33320

PLATE

SN: 65001-UP

2шт.

9

426-46-33210

PIN

SN: 65001-UP

2шт.

10

01010-81625

BOLT

SN: 65001-UP

2шт.

11

421-70-11280

WASHER

SN: 65001-UP

2шт.

12

419-70-11460

SHIM, 1.5MM

SN: 65001-UP

8шт.

12

419-70-11470

SHIM, 3.0MM

SN: 65001-UP

4шт.

12

426-46-33230

SHIM, 0.2MM

SN: 65001-UP

4шт.

12

426-46-33240

SHIM, 0.5MM

SN: 65001-UP

4шт.

13

426-46-33410

O-RING

SN: 65001-UP

2шт.

14

426-46-33320

PLATE

SN: 65001-UP

2шт.

Выбрано товаров: 20