Запчасти Komatsu WA600-6R ПОЛ SUB (РЕЛЕ И ПЕРЕКЛЮЧАТЕЛЬ)(№-) КАБИНА ОПЕРАТОРА И СИСТЕМА УПРАВЛЕНИЯ

Схема запчастей Komatsu WA600-6R - ПОЛ SUB (РЕЛЕ И ПЕРЕКЛЮЧАТЕЛЬ)(№-) КАБИНА ОПЕРАТОРА И СИСТЕМА УПРАВЛЕНИЯ
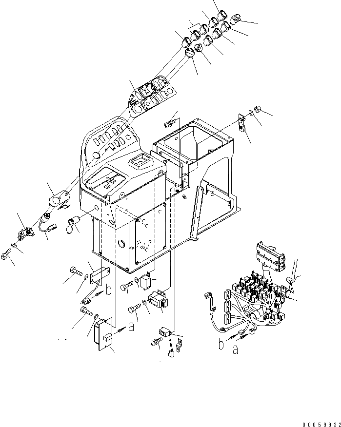
1
2
3
4
5
6
7
8
9
10
11
12
13
14
15
16
17
18
19
20
21
22
23
24
25
26
27
28
29
30
31
32
33
34
35
FIT
1:1
100%

Артикул

Название

Примечание

Количество

1

42C-06-16110

RELAY

SN: 65001-UP

1шт.

2

01010-80612

BOLT

SN: 65001-UP

1шт.

3

01643-30623

WASHER

SN: 65001-UP

1шт.

4

416-06-22250

FLASHER

SN: 65001-UP

1шт.

5

01010-80612

BOLT

SN: 65001-UP

1шт.

6

01643-30623

WASHER

SN: 65001-UP

1шт.

7

569-06-61850

BUZZER

SN: 65001-UP

1шт.

8

01023-60412

SCREW

SN: 65001-UP

2шт.

9

7861-94-3000

RESISTOR

SN: 65001-UP

1шт.

10

01010-80816

BOLT

SN: 65001-UP

2шт.

11

01643-30823

WASHER

SN: 65001-UP

2шт.

12

22U-06-22250

CONVERTER

SN: 65001-UP

1шт.

13

01010-80612

BOLT

SN: 65001-UP

2шт.

14

01643-30623

WASHER

SN: 65001-UP

2шт.

15

198-Z11-2640

SOCKET ASS'Y

SN: 65001-UP

1шт.

16

20Y-06-23472

LIGHTER

SN: 65001-UP

1шт.

17

20Y-06-31320

SWITCH ASS'Y

SN: 65001-UP

1шт.

18

01641-20405

WASHER

SN: 65001-UP

2шт.

19

01023-60410

SCREW

SN: 65001-UP

2шт.

20

01580-10403

NUT

SN: 65001-UP

2шт.

21

426-06-33510

SWITCH

SN: 65001-UP

1шт.

22

426-06-33520

SWITCH

SN: 65001-UP

1шт.

23

426-06-33540

SWITCH

SN: 65001-UP

2шт.

24

426-06-32642

PLATE

SN: 65001-UP

1шт.

25

421-06-36241

KNOB

SN: 65001-UP

1шт.

26

426-06-36310

SWITCH

SN: 65001-UP

1шт.

27

22U-06-22470

KNOB

SN: 65001-UP

1шт.

28

22U-06-22420

POTENTIOMETER ASS'Y

SN: 65001-UP

1шт.

29

01010-80612

BOLT

SN: 65001-UP

2шт.

30

01643-30623

WASHER

SN: 65001-UP

2шт.

31

426-06-33510

SWITCH

SN: 65001-UP

1шт.

32

426-06-33530

SWITCH

SN: 65001-UP

1шт.

33

426-06-33540

SWITCH

SN: 65001-UP

1шт.

34

426-06-33530

SWITCH

SN: 65001-UP

1шт.

35

426-93-43231

PLATE

SN: 65001-UP

1шт.

Выбрано товаров: 35