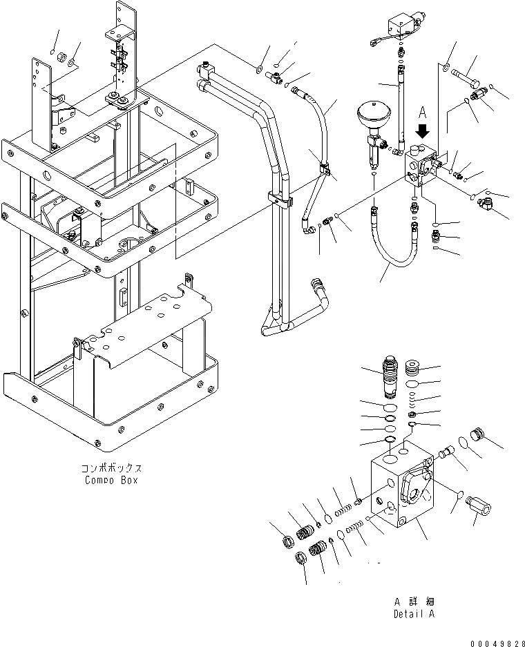
Запчасти Komatsu WA600-6R COMPO КОРПУС (ACCUMURATOR ЗАГРУЗОЧН. КЛАПАН)(№-) КАБИНА ОПЕРАТОРА И СИСТЕМА УПРАВЛЕНИЯ

Схема запчастей Komatsu WA600-6R - COMPO КОРПУС (ACCUMURATOR ЗАГРУЗОЧН. КЛАПАН)(№-) КАБИНА ОПЕРАТОРА И СИСТЕМА УПРАВЛЕНИЯ
1
2
3
4
5
5
6
6
7
7
8
9
10
11
12
12
13
14
15
16
17
18
19
19
20
21
22
23
24
25
26
27
28
29
30
31
32
32
33
33
34
35
36
37
38
39
40
41
42
43
44
44
45
45
45
46
FIT
1:1
100%

Артикул

Название

Примечание

Количество

1

426-62-31660

HOSE

SN: 65001-UP

1шт.

2

421-43-37300

VALVE ASS'Y

SN: 65001-UP

1шт.

3

07000-12011

O-RING

SN: 65001-UP

1шт.

4

419-43-12310

RETAINER

SN: 65001-UP

1шт.

5

419-43-12330

SCREW

SN: 65001-UP

2шт.

6

419-43-12340

NUT

SN: 65001-UP

2шт.

7

419-43-12350

SHIM

SN: 65001-UP

4шт.

8

419-43-12380

PLUG ASS'Y

SN: 65001-UP

1шт.

9

07000-F2018

O-RING

SN: 65001-UP

2шт.

10

419-43-12410

PLUG ASS'Y

SN: 65001-UP

1шт.

11

07000-22014

O-RING

SN: 65001-UP

1шт.

12

419-43-12430

O-RING

SN: 65001-UP

2шт.

13

421-43-27410

RETAINER

SN: 65001-UP

1шт.

14

421-43-27420

SPRING

SN: 65001-UP

1шт.

15

421-43-27430

BALL

SN: 65001-UP

1шт.

16

421-43-27440

SPRING

SN: 65001-UP

1шт.

17

421-43-27450

SPRING

SN: 65001-UP

1шт.

18

421-43-27460

VALVE ASS'Y

SN: 65001-UP

1шт.

19

421-43-27140

RING

SN: 65001-UP

2шт.

20

421-43-27470

O-RING

SN: 65001-UP

1шт.

21

421-43-27480

O-RING

SN: 65001-UP

1шт.

22

421-43-27520

FILTER

SN: 65001-UP

2шт.

23

421-43-27530

RING

SN: 65001-UP

2шт.

24

421-43-27540

BUSHING

SN: 65001-UP

1шт.

25

01010-81090

BOLT

SN: 65001-UP

2шт.

26

01643-31032

WASHER

SN: 65001-UP

2шт.

27

02781-0031D

UNION

SN: 65001-UP

1шт.

28

07002-61423

O-RING

SN: 65001-UP

1шт.

29

02896-61009

O-RING

SN: 65001-UP

1шт.

30

02782-10516

ELBOW

SN: 65001-UP

1шт.

31

02781-00516

UNION

SN: 65001-UP

1шт.

32

07002-62034

O-RING

SN: 65001-UP

2шт.

33

02896-61015

O-RING

SN: 65001-UP

2шт.

34

424-43-37520

CHECK VALVE

SN: 65001-UP

2шт.

35

07002-62034

O-RING

SN: 65001-UP

2шт.

36

02896-61012

O-RING

SN: 65001-UP

2шт.

37

02781-0021D

UNION

SN: 65001-UP

1шт.

38

07002-61423

O-RING

SN: 65001-UP

1шт.

39

02896-61008

O-RING

SN: 65001-UP

1шт.

40

426-43-38921

HOSE

SN: 65001-UP

1шт.

41

07095-20318

CUSHION

SN: 65001-UP

1шт.

42

04434-52511

CLIP

SN: 65001-UP

1шт.

43

426-62-31830

JOINT

SN: 65001-UP

1шт.

44

01640-21826

WASHER

SN: 65001-UP

1шт.

45

02896-61009

O-RING

SN: 65001-UP

1шт.

46

426-43-38911

HOSE

SN: 65001-UP

1шт.

Выбрано товаров: 46