Запчасти Komatsu WA600-6R ОСНОВН. КЛАПАН (7/8) ОСНОВН. КОМПОНЕНТЫ И РЕМКОМПЛЕКТЫ

Схема запчастей Komatsu WA600-6R - ОСНОВН. КЛАПАН (7/8) ОСНОВН. КОМПОНЕНТЫ И РЕМКОМПЛЕКТЫ
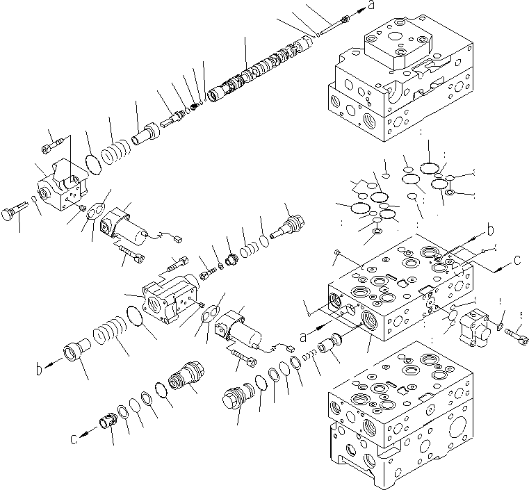
1
2
3
4
5
6
7
7
8
8
9
10
11
12
13
14
15
16
17
18
19
20
21
21
22
22
23
24
25
25
26
26
27
27
28
28
28
28
29
29
30
30
31
31
32
33
34
34
34
35
35
36
36
37
37
38
38
39
39
39
39
40
40
41
42
43
44
45
45
46
47
48
49
49
50
51
52
53
FIT
1:1
100%

Артикул

Название

Примечание

Количество

|$2

723-43-11101

VALVE ASS'Y

SN: 65009-UP

1шт.

|$3

723-43-11100

VALVE ASS'Y

SN: 65001-65008

1шт.

|$$3

THESE ASSEMBLIES CONSIST OF ALL PARTS SHOWN IN FIGS.Y1663-01A0 TO Y1663-08A0.

-1шт.

|$5

0

BODY SUB ASS'Y

SN: 65001-UP

1шт.

1

0

BLOCK

SN: 65001-UP

1шт.

2

0

SPOOL

SN: 65001-UP

1шт.

3

723-46-15130

PLUG

SN: 65001-UP

1шт.

4

723-46-16820

PLUG

SN: 65001-UP

1шт.

5

07002-11423

O-RING

SN: 65001-UP

1шт.

6

0

PLUG

SN: 65001-UP

1шт.

7

07002-10823

O-RING

SN: 65001-UP

2шт.

8

708-7T-16460

BALL

SN: 65001-UP

2шт.

9

723-46-16680

RETAINER

SN: 65001-UP

1шт.

10

723-46-14170

SPRING

SN: 65001-UP

1шт.

11

723-46-16641

CASE

SN: 65001-UP

1шт.

12

723-46-16690

RETAINER

SN: 65001-UP

1шт.

13

723-46-14361

SPRING

SN: 65001-UP

1шт.

14

723-46-16360

PLUG

SN: 65001-UP

1шт.

15

07000-13024

O-RING

SN: 65001-UP

1шт.

16

723-46-16710

RETAINER

SN: 65001-UP

1шт.

17

723-46-14370

SPRING

SN: 65001-UP

1шт.

18

01252-60616

BOLT

SN: 65001-UP

1шт.

19

01643-30623

WASHER

SN: 65001-UP

1шт.

20

0

CASE

SN: 65001-UP

1шт.

21

0

ORIFICE

SN: 65001-UP

2шт.

22

07430-71380

O-RING

SN: 65001-UP

2шт.

23

723-46-16570

PLUG

SN: 65001-UP

1шт.

24

07002-11423

O-RING

SN: 65001-UP

1шт.

25

01252-60840

BOLT

SN: 65001-UP

4шт.

26

07000-11008

O-RING

SN: 65001-UP

6шт.

27

702-21-07610

SOLENOID VALVE

SN: 65001-UP

2шт.

28

700-22-11410

O-RING

SN: 65001-UP

4шт.

29

702-21-39450

O-RING

SN: 65001-UP

2шт.

30

203-60-62220

BOLT

SN: 65001-UP

4шт.

31

07000-11009

O-RING

SN: 65001-UP

2шт.

32

07000-12021

O-RING

SN: 65001-UP

1шт.

33

0

PLUG

SN: 65001-UP

1шт.

34

723-46-17530

O-RING

SN: 65001-UP

3шт.

35

723-11-19130

O-RING

SN: 65001-UP

2шт.

36

723-46-17520

RING

SN: 65001-UP

2шт.

37

723-46-16520

O-RING

SN: 65001-UP

2шт.

38

723-46-17510

O-RING

SN: 65001-UP

2шт.

39

722-12-19070

O-RING

SN: 65001-UP

5шт.

40

723-26-15830

O-RING

SN: 65001-UP

2шт.

41

723-46-43971

SLEEVE

SN: 65001-UP

1шт.

42

723-46-43980

VALVE

SN: 65001-UP

1шт.

43

723-46-44920

SPRING

SN: 65001-UP

1шт.

44

700-93-11320

O-RING

SN: 65001-UP

1шт.

45

723-46-41950

RING

SN: 65001-UP

2шт.

46

07002-13634

O-RING

SN: 65001-UP

1шт.

47

723-46-40100

VALVE ASS'Y

SN: 65001-UP

1шт.

48

700-93-11320

O-RING

SN: 65001-UP

1шт.

49

723-46-41950

RING

SN: 65001-UP

2шт.

50

07002-13634

O-RING

SN: 65001-UP

1шт.

51

723-46-41210

VALVE

SN: 65001-UP

1шт.

52

01252-60845

BOLT

SN: 65001-UP

4шт.

53

01643-50823

WASHER

SN: 65001-UP

4шт.

Выбрано товаров: 0