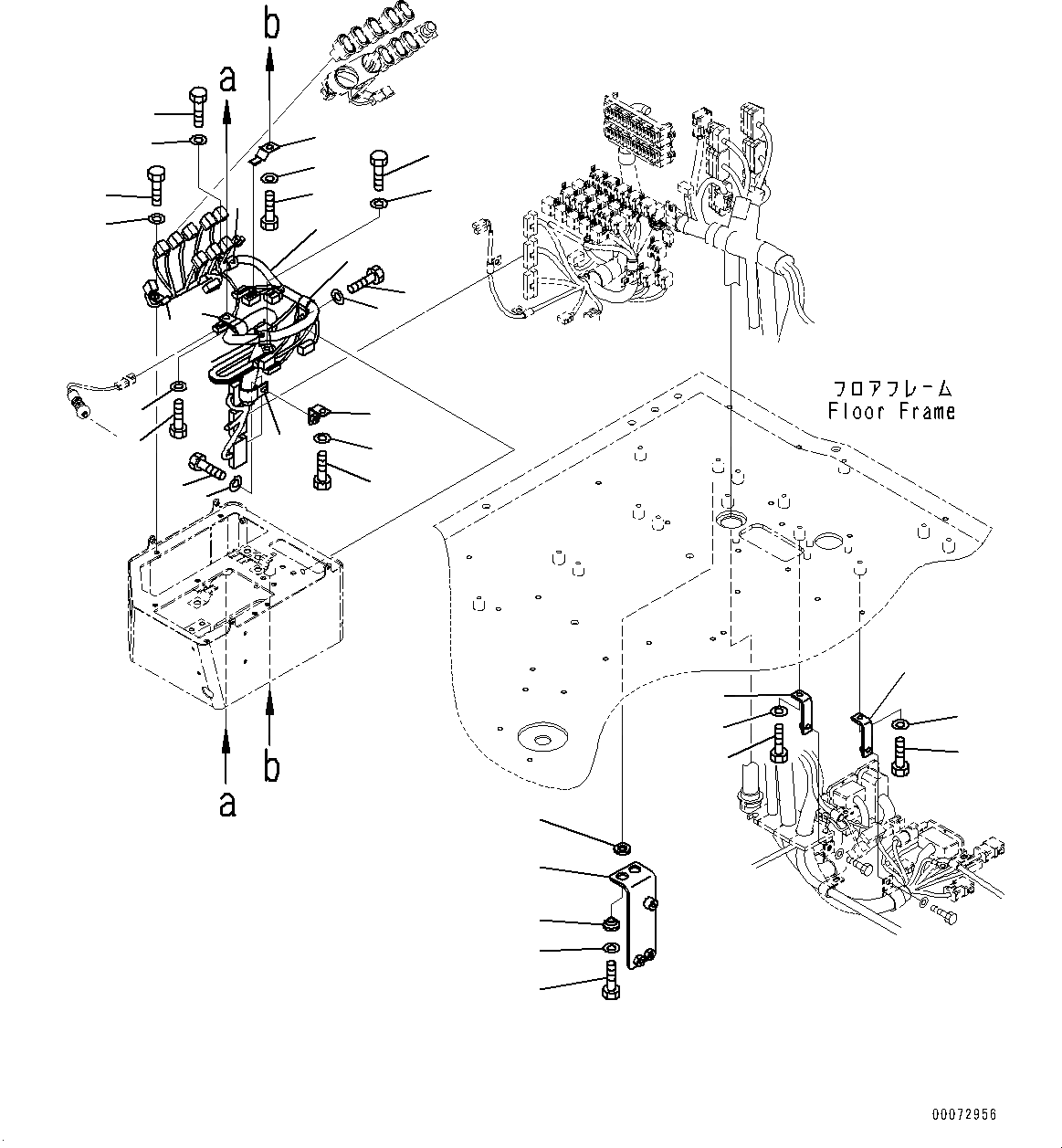
Запчасти Komatsu WA600-6R ПОЛ, ПРОВОДКА, ПРАВ. (№-) ПОЛ, С VHMS (VHMS) КОНТРОЛЛЕР ORBCOMM GPS, С MM РЕМЕНЬ БЕЗОПАСНОСТИ

Схема запчастей Komatsu WA600-6R - ПОЛ, ПРОВОДКА, ПРАВ. (№-) ПОЛ, С VHMS (VHMS) КОНТРОЛЛЕР ORBCOMM GPS, С MM РЕМЕНЬ БЕЗОПАСНОСТИ
23
22
21
15
14
13
12
11
10
9
8
7
6
5
4
3
2
1
20
6
6
6
6
17
7
7
7
7
5
5
21
22
23
16
19
18
FIT
1:1
100%

Артикул

Название

Примечание

Количество

1

426-06-32724

Wiring Harness

SN: 65021-UP

1шт.

2

04434-50608

Clip

SN: 65021-UP

1шт.

3

04434-51508

Clip

SN: 65021-UP

1шт.

4

04434-51508

Clip

SN: 65021-UP

2шт.

5

04434-52511

Clip

SN: 65021-UP

2шт.

6

01010-80816

Bolt

SN: 65021-UP

4шт.

7

01643-30823

Washer

SN: 65021-UP

4шт.

8

01010-81020

Bolt

SN: 65021-UP

1шт.

9

01643-31032

Washer

SN: 65021-UP

1шт.

10

42A-16-11210

Plate

SN: 65021-UP

1шт.

11

01010-81020

Bolt

SN: 65021-UP

1шт.

12

01643-31032

Washer

SN: 65021-UP

1шт.

13

08193-31012

Clip

SN: 65021-UP

1шт.

14

01010-81016

Bolt

SN: 65021-UP

1шт.

15

01643-31032

Washer

SN: 65021-UP

1шт.

16

426-06-32623

Bracket

SN: 65021-UP

1шт.

17

01010-81030

Bolt

SN: 65021-UP

2шт.

18

421-62-23710

Cushion

SN: 65021-UP

2шт.

19

421-62-23350

Cushion

SN: 65021-UP

2шт.

20

144-854-1890

Washer

SN: 65021-UP

2шт.

21

425-03-11420

Plate

SN: 65021-UP

3шт.

22

01010-81020

Bolt

SN: 65021-UP

2шт.

23

01643-31032

Washer

SN: 65021-UP

2шт.

Выбрано товаров: 23