Запчасти Komatsu WA600-6R ПОЛ, РУЛЕВ. УПРАВЛЕНИЕ ГЛАВН. ТРУБЫ (№-) ПОЛ, С РУЛЕВОЕ КОЛЕСО, БЕЗ ДВИГАТЕЛЬ IDOL RPM SET ПЕРЕКЛЮЧАТЕЛЬ

Схема запчастей Komatsu WA600-6R - ПОЛ, РУЛЕВ. УПРАВЛЕНИЕ ГЛАВН. ТРУБЫ (№-) ПОЛ, С РУЛЕВОЕ КОЛЕСО, БЕЗ ДВИГАТЕЛЬ IDOL RPM SET ПЕРЕКЛЮЧАТЕЛЬ
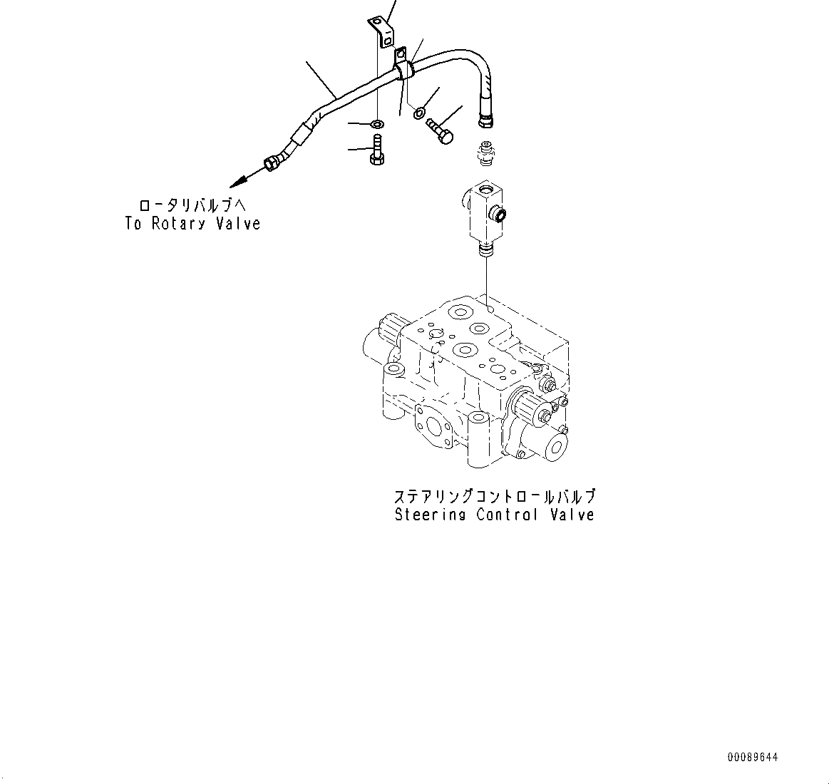
6
5
1
2
7
8
4
3
FIT
1:1
100%

Артикул

Название

Примечание

Количество

1

426-62-32880

Hose

SN: 65021-UP

1шт.

2

431-03-11140

Bracket

SN: 65021-UP

1шт.

3

01010-81020

Bolt

SN: 65021-UP

1шт.

4

01643-31032

Washer

SN: 65021-UP

1шт.

5

04434-52112

Clip

SN: 65021-UP

1шт.

6

07095-20314

Cushion

SN: 65021-UP

1шт.

7

01010-81225

Bolt

SN: 65021-UP

1шт.

8

01643-31232

Washer

SN: 65021-UP

1шт.

Выбрано товаров: 8