Запчасти Komatsu WA600-6R ГИДРОТРАНСФОРМАТОР И ТРАНСМИССИЯ, ЗАЩИТА ВАЛА (№-) ГИДРОТРАНСФОРМАТОР И ТРАНСМИССИЯ, С ТОРМОЗ. МАСЛ. СИСТЕМА ОХЛАЖДЕНИЯ, PM SERVICE СОЕДИН-Е, С ЭКСТРЕНН. УПРАВЛ.

Схема запчастей Komatsu WA600-6R - ГИДРОТРАНСФОРМАТОР И ТРАНСМИССИЯ, ЗАЩИТА ВАЛА (№-) ГИДРОТРАНСФОРМАТОР И ТРАНСМИССИЯ, С ТОРМОЗ. МАСЛ. СИСТЕМА ОХЛАЖДЕНИЯ, PM SERVICE СОЕДИН-Е, С ЭКСТРЕНН. УПРАВЛ.
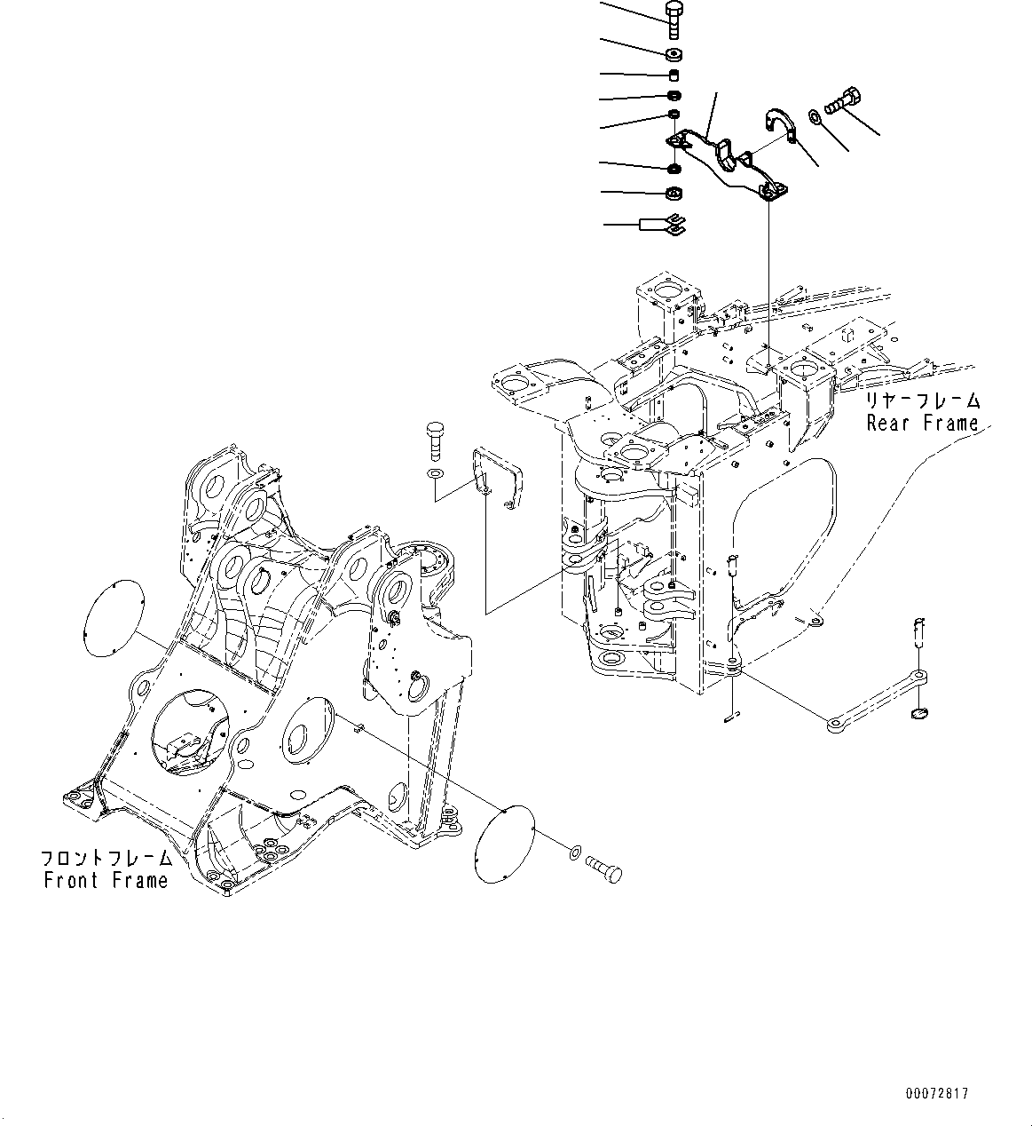
1
2
3
4
5
6
7
8
9
10
4
3
FIT
1:1
100%

Артикул

Название

Примечание

Количество

1

426-46-32460

Bracket

SN: 65021-UP

1шт.

2

01010-81680

Bolt

SN: 65021-UP

4шт.

3

426-46-32480

Washer

SN: 65021-UP

8шт.

4

428-62-14580

Cushion

SN: 65021-UP

8шт.

5

428-62-14590

Cushion

SN: 65021-UP

4шт.

6

428-62-14570

Spacer

SN: 65021-UP

4шт.

7

426-46-32450

Guard

SN: 65021-UP

1шт.

8

01010-81660

Bolt

SN: 65021-UP

4шт.

9

01643-31645

Washer

SN: 65021-UP

4шт.

10

418-46-12310

Shim, T=1.0mm

SN: 65021-UP

20шт.

Выбрано товаров: 10