Запчасти Komatsu WA600-6R ГИДРОТРАНСФОРМАТОР И ТРАНСМИССИЯ, СИСТЕМА ТРУБ ОХЛАЖДЕНИЯ (/) (№-) ГИДРОТРАНСФОРМАТОР И ТРАНСМИССИЯ, С ТОРМОЗ. МАСЛ. СИСТЕМА ОХЛАЖДЕНИЯ, PM SERVICE СОЕДИН-Е, С ЭКСТРЕНН. УПРАВЛ.

Схема запчастей Komatsu WA600-6R - ГИДРОТРАНСФОРМАТОР И ТРАНСМИССИЯ, СИСТЕМА ТРУБ ОХЛАЖДЕНИЯ (/) (№-) ГИДРОТРАНСФОРМАТОР И ТРАНСМИССИЯ, С ТОРМОЗ. МАСЛ. СИСТЕМА ОХЛАЖДЕНИЯ, PM SERVICE СОЕДИН-Е, С ЭКСТРЕНН. УПРАВЛ.
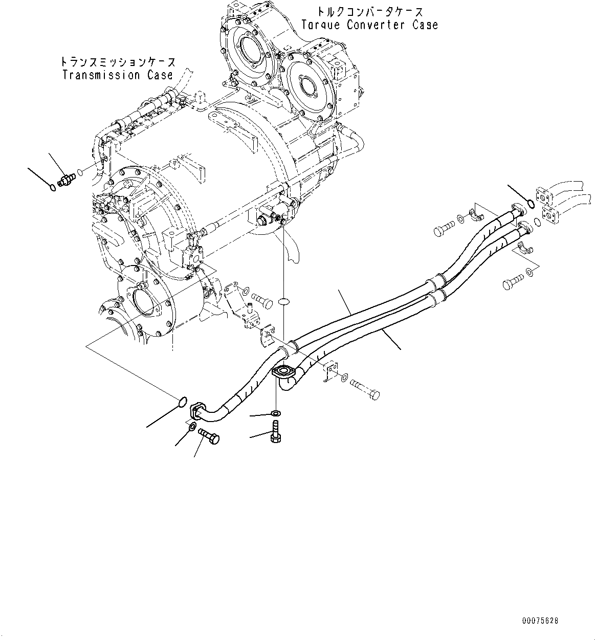
1
2
3
4
5
6
7
8
9
10
FIT
1:1
100%

Артикул

Название

Примечание

Количество

1

426-16-31650

Hose

SN: 65021-UP

1шт.

2

01010-81035

Bolt

SN: 65021-UP

2шт.

3

01643-31032

Washer

SN: 65021-UP

2шт.

4

426-16-31660

Hose

SN: 65021-UP

1шт.

5

01010-81240

Bolt

SN: 65021-UP

2шт.

6

01643-31232

Washer

SN: 65021-UP

2шт.

7

07000-A3048

O-ring

SN: 65021-UP

1шт.

8

07000-A3048

O-ring

SN: 65021-UP

1шт.

9

02781-0021D

Union

SN: 65021-UP

1шт.

10

02896-61008

O-ring

SN: 65021-UP

1шт.

Выбрано товаров: 10