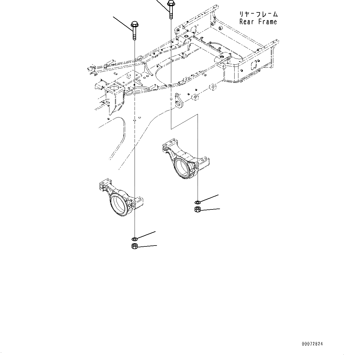
Запчасти Komatsu WA600-6R ЗАДН. МОСТ, КРЕПЛЕНИЕ (/) (№-) ЗАДН. МОСТ, БЕЗ ТОРМОЗ. МАСЛ. СИСТЕМА ОХЛАЖДЕНИЯ

Схема запчастей Komatsu WA600-6R - ЗАДН. МОСТ, КРЕПЛЕНИЕ (/) (№-) ЗАДН. МОСТ, БЕЗ ТОРМОЗ. МАСЛ. СИСТЕМА ОХЛАЖДЕНИЯ
1
2
4
3
3
4
FIT
1:1
100%

Артикул

Название

Примечание

Количество

1

426-46-12921

Bolt

SN: 65021-UP

4шт.

2

426-46-12131

Bolt

SN: 65021-UP

6шт.

3

01580-03629

Nut

SN: 65021-UP

10шт.

4

426-46-11711

Washer

SN: 65021-UP

20шт.

Выбрано товаров: 4