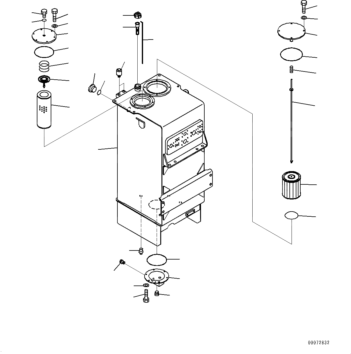
Запчасти Komatsu WA600-6R ГИДР. БАК., БАК (№-) ГИДР. БАК., С МАСЛ. FILER ЗАМОК КРЫШКИ, С ЭКСТРЕНН. УПРАВЛ.

Схема запчастей Komatsu WA600-6R - ГИДР. БАК., БАК (№-) ГИДР. БАК., С МАСЛ. FILER ЗАМОК КРЫШКИ, С ЭКСТРЕНН. УПРАВЛ.
1
2
3
4
5
6
7
8
9
10
11
12
13
14
15
16
17
18
19
20
21
22
23
24
25
26
27
28
29
30
31
FIT
1:1
100%

Артикул

Название

Примечание

Количество

1

426-60-35114

Tank Assembly, Hydraulic Oil

SN: 65021-UP

1шт.

2

07092-01000

Cap

SN: 65021-UP

1шт.

2

07051-00005

Gasket

SN: 65021-UP

1шт.

3

07056-10045

Strainer

SN: 65021-UP

1шт.

4

421-60-11622

Gauge

SN: 65021-UP

1шт.

5

07002-15234

O-ring

SN: 65021-UP

1шт.

6

419-60-15231

Breather

SN: 65021-UP

2шт.

6

419-60-15370

O-ring

SN: 65021-UP

2шт.

6

419-60-15380

O-ring

SN: 65021-UP

1шт.

6

419-60-15390

O-ring

SN: 65021-UP

1шт.

6

285-62-17320

Element

SN: 65021-UP

1шт.

6

424-60-15220

Ring, Snap

SN: 65021-UP

1шт.

7

02721-11617

Plug, Tapered

SN: 65021-UP

3шт.

8

209-60-77531

Element

SN: 65021-UP

1шт.

9

20Y-60-31131

Valve Assembly

SN: 65021-UP

1шт.

10

07069-34075

Spring

SN: 65021-UP

1шт.

11

07000-A5200

O-ring

SN: 65021-UP

1шт.

12

426-60-35161

Cover

SN: 65021-UP

1шт.

13

01010-81035

Bolt

SN: 65021-UP

6шт.

14

01643-31032

Washer

SN: 65021-UP

6шт.

15

424-60-15150

Plug

SN: 65021-UP

1шт.

16

07000-A2010

O-ring

SN: 65021-UP

1шт.

17

426-60-35141

Cover

SN: 65021-UP

1шт.

18

07000-A5230

O-ring

SN: 65021-UP

1шт.

19

01010-81230

Bolt

SN: 65021-UP

4шт.

20

01643-31232

Washer

SN: 65021-UP

4шт.

21

426-60-35151

Support

SN: 65021-UP

1шт.

22

12R-60-11230

Spring

SN: 65021-UP

1шт.

23

209-60-51120

Strainer

SN: 65021-UP

1шт.

24

21N-09-11140

O-ring

SN: 65021-UP

1шт.

25

426-60-35170

Gauge

SN: 65021-UP

1шт.

26

426-60-35180

Cover

SN: 65021-UP

1шт.

27

01010-81025

Bolt

SN: 65021-UP

6шт.

28

01643-31032

Washer

SN: 65021-UP

6шт.

29

07000-A5200

O-ring

SN: 65021-UP

1шт.

30

07040-13618

Plug

SN: 65021-UP

1шт.

31

198-60-19820

Valve

SN: 65021-UP

1шт.

Выбрано товаров: 37