Запчасти Komatsu WA600-6R ТОПЛИВН. БАК., ТОПЛИВН. ФИЛЬТР. (№-) ТОПЛИВН. БАК., С ТОПЛИВН. БЫСТРОСЪЕМН. МЕХ-М

Схема запчастей Komatsu WA600-6R - ТОПЛИВН. БАК., ТОПЛИВН. ФИЛЬТР. (№-) ТОПЛИВН. БАК., С ТОПЛИВН. БЫСТРОСЪЕМН. МЕХ-М
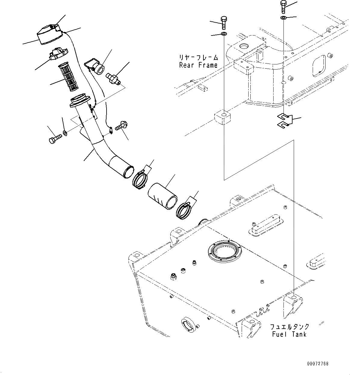
13
14
5
6
7
8
9
10
11
12
16
17
15
12
3
1
2
3
4
FIT
1:1
100%

Артикул

Название

Примечание

Количество

1

01010-63090

Bolt

SN: 65021-UP

2шт.

2

01011-63015

Bolt

SN: 65021-UP

4шт.

3

01643-33080

Washer

SN: 65021-UP

6шт.

4

416-855-1190

Shim, T=0.5mm

SN: 65021-UP

10шт.

5

426-04-31262

Tube

SN: 65021-UP

1шт.

6

07056-18422

Strainer

SN: 65021-UP

1шт.

7

19M-04-11220

Cap

SN: 65021-UP

1шт.

7

07050-21202

Gasket

SN: 65021-UP

1шт.

8

427-04-21260

Cover

SN: 65021-UP

1шт.

9

427-04-21270

Chain

SN: 65021-UP

1шт.

10

421-35-14370

Ring

SN: 65021-UP

1шт.

11

07260-29920

Hose

SN: 65021-UP

1шт.

12

07299-00120

Clamp

SN: 65021-UP

4шт.

13

566-98-15200

Nipple Assembly

SN: 65021-UP

1шт.

14

566-98-15300

Cap Assembly

SN: 65021-UP

1шт.

15

01435-00814

Bolt

SN: 65021-UP

1шт.

16

01010-D1225

Bolt

SN: 65021-UP

2шт.

17

01643-71232

Washer

SN: 65021-UP

2шт.

Выбрано товаров: 0