Запчасти Komatsu WA600-6R ГИДРОЛИНИЯ, ГИДРОЦИЛИНДР ПОДЪЕМА ТРУБЫ (/) (№-) ГИДРОЛИНИЯ, БЕЗ PM SERVICE СОЕДИН-Е

Схема запчастей Komatsu WA600-6R - ГИДРОЛИНИЯ, ГИДРОЦИЛИНДР ПОДЪЕМА ТРУБЫ (/) (№-) ГИДРОЛИНИЯ, БЕЗ PM SERVICE СОЕДИН-Е
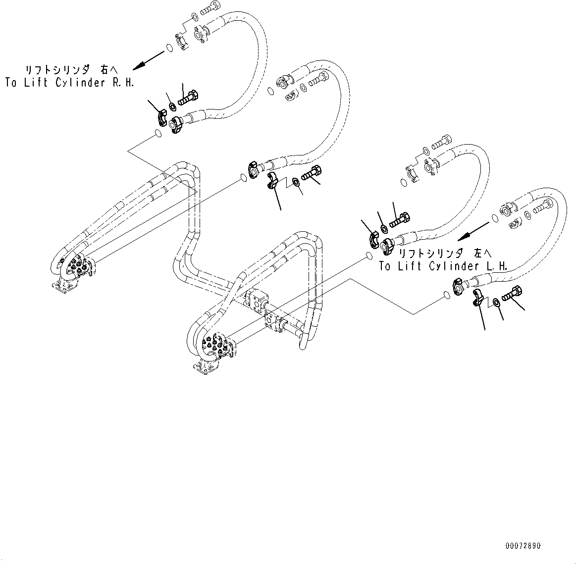
1
2
3
4
5
6
7
8
9
10
11
12
FIT
1:1
100%

Артикул

Название

Примечание

Количество

1

07371-51260

Flange, Split

SN: 65021-UP

2шт.

2

01010-81245

Bolt

SN: 65021-UP

4шт.

3

01643-31232

Washer

SN: 65021-UP

4шт.

4

07371-51260

Flange, Split

SN: 65021-UP

2шт.

5

01010-81245

Bolt

SN: 65021-UP

4шт.

6

01643-31232

Washer

SN: 65021-UP

4шт.

7

07371-51260

Flange, Split

SN: 65021-UP

2шт.

8

01010-81245

Bolt

SN: 65021-UP

4шт.

9

01643-31232

Washer

SN: 65021-UP

4шт.

10

07371-51260

Flange, Split

SN: 65021-UP

2шт.

11

01010-81245

Bolt

SN: 65021-UP

4шт.

12

01643-31232

Washer

SN: 65021-UP

4шт.

Выбрано товаров: 12