Запчасти Komatsu WA600-6R ГИДРОЛИНИЯ, ГИДРОЦИЛИНДР КОВША ТРУБЫ (/) (№-) ГИДРОЛИНИЯ, V MULTI-COUPLER

Схема запчастей Komatsu WA600-6R - ГИДРОЛИНИЯ, ГИДРОЦИЛИНДР КОВША ТРУБЫ (/) (№-) ГИДРОЛИНИЯ, V MULTI-COUPLER
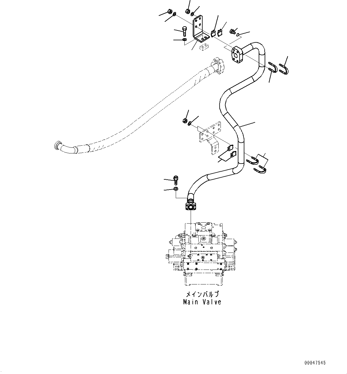
20
19
18
17
15
16
14
13
12
11
10
9
8
7
6
5
4
3
2
1
FIT
1:1
100%

Артикул

Название

Примечание

Количество

1

426-62-33691

Tube

SN: 65021-UP

1шт.

2

07372-21040

Bolt

SN: 65021-UP

4шт.

3

01643-51032

Washer

SN: 65021-UP

4шт.

4

426-62-33250

Plate

SN: 65021-UP

1шт.

5

01010-81230

Bolt

SN: 65021-UP

2шт.

6

01643-31232

Washer

SN: 65021-UP

2шт.

7

07283-54353

Seat

SN: 65021-UP

1шт.

8

07283-34354

Clip, Pipe

SN: 65021-UP

1шт.

9

01643-31032

Washer

SN: 65021-UP

2шт.

10

01597-01009

Nut

SN: 65021-UP

2шт.

11

07283-54353

Seat

SN: 65021-UP

1шт.

12

07283-34354

Clip, Pipe

SN: 65021-UP

1шт.

13

01643-31032

Washer

SN: 65021-UP

2шт.

14

01597-01009

Nut

SN: 65021-UP

2шт.

15

07283-54353

Seat

SN: 65021-UP

2шт.

16

07283-34354

Clip, Pipe

SN: 65021-UP

2шт.

17

01643-31032

Washer

SN: 65021-UP

4шт.

18

01597-01009

Nut

SN: 65021-UP

4шт.

19

07040-11007

Plug

SN: 65021-UP

1шт.

20

07002-61023

O-ring

SN: 65021-UP

1шт.

Выбрано товаров: 20