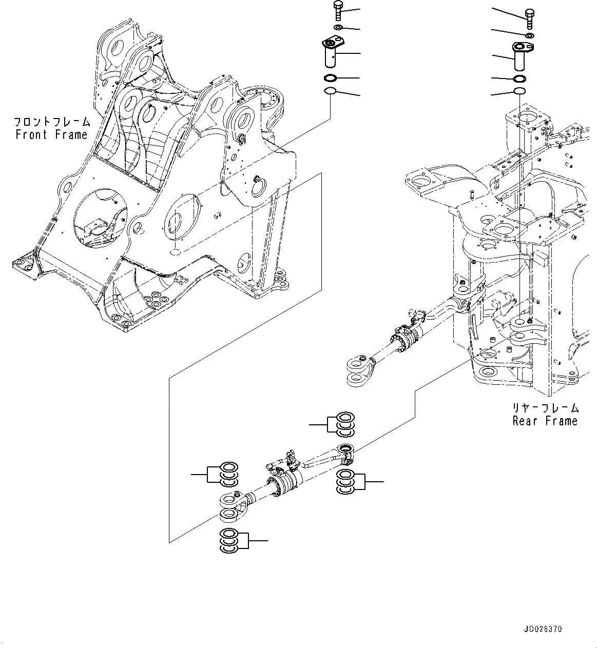
Запчасти Komatsu WA600-6R ЦИЛИНДР РУЛЕВ. УПР-Я, КРЕПЛЕНИЕ (№-) ЦИЛИНДР РУЛЕВ. УПР-Я, ДЛЯ БОЛЬШ. DIAMETER ТИП ЦИЛИНДР

Схема запчастей Komatsu WA600-6R - ЦИЛИНДР РУЛЕВ. УПР-Я, КРЕПЛЕНИЕ (№-) ЦИЛИНДР РУЛЕВ. УПР-Я, ДЛЯ БОЛЬШ. DIAMETER ТИП ЦИЛИНДР
6
6
9
7
8
11
12
10
12
4
5
3
1
2
FIT
1:1
100%

Артикул

Название

Примечание

Количество

1

424-70-11910

Pin

SN: 65021-UP

2шт.

2

01010-81625

Bolt

SN: 65021-UP

2шт.

3

421-70-11280

Washer

SN: 65021-UP

2шт.

4

426-46-33410

O-ring

SN: 65021-UP

2шт.

5

426-46-33320

Plate

SN: 65021-UP

2шт.

6

426-46-33230

Shim, T=0.2mm

SN: 65021-UP

8шт.

6

426-46-33240

Shim, T=0.5mm

SN: 65021-UP

12шт.

7

426-46-33210

Pin

SN: 65021-UP

2шт.

8

01010-81625

Bolt

SN: 65021-UP

2шт.

9

421-70-11280

Washer

SN: 65021-UP

2шт.

10

426-46-33410

O-ring

SN: 65021-UP

2шт.

11

426-46-33320

Plate

SN: 65021-UP

2шт.

12

426-46-33230

Shim, T=0.2mm

SN: 65021-UP

8шт.

12

426-46-33240

Shim, T=0.5mm

SN: 65021-UP

12шт.

Выбрано товаров: 14