Запчасти Komatsu WA600-6R СОЧЛ. СОЕД. БЛОКИР. BAR И РАМА КРЫШКА(№-) СОЧЛ. СОЕД. БЛОКИР. BAR И РАМА COVER

Схема запчастей Komatsu WA600-6R - СОЧЛ. СОЕД. БЛОКИР. BAR И РАМА КРЫШКА(№-) СОЧЛ. СОЕД. БЛОКИР. BAR И РАМА COVER
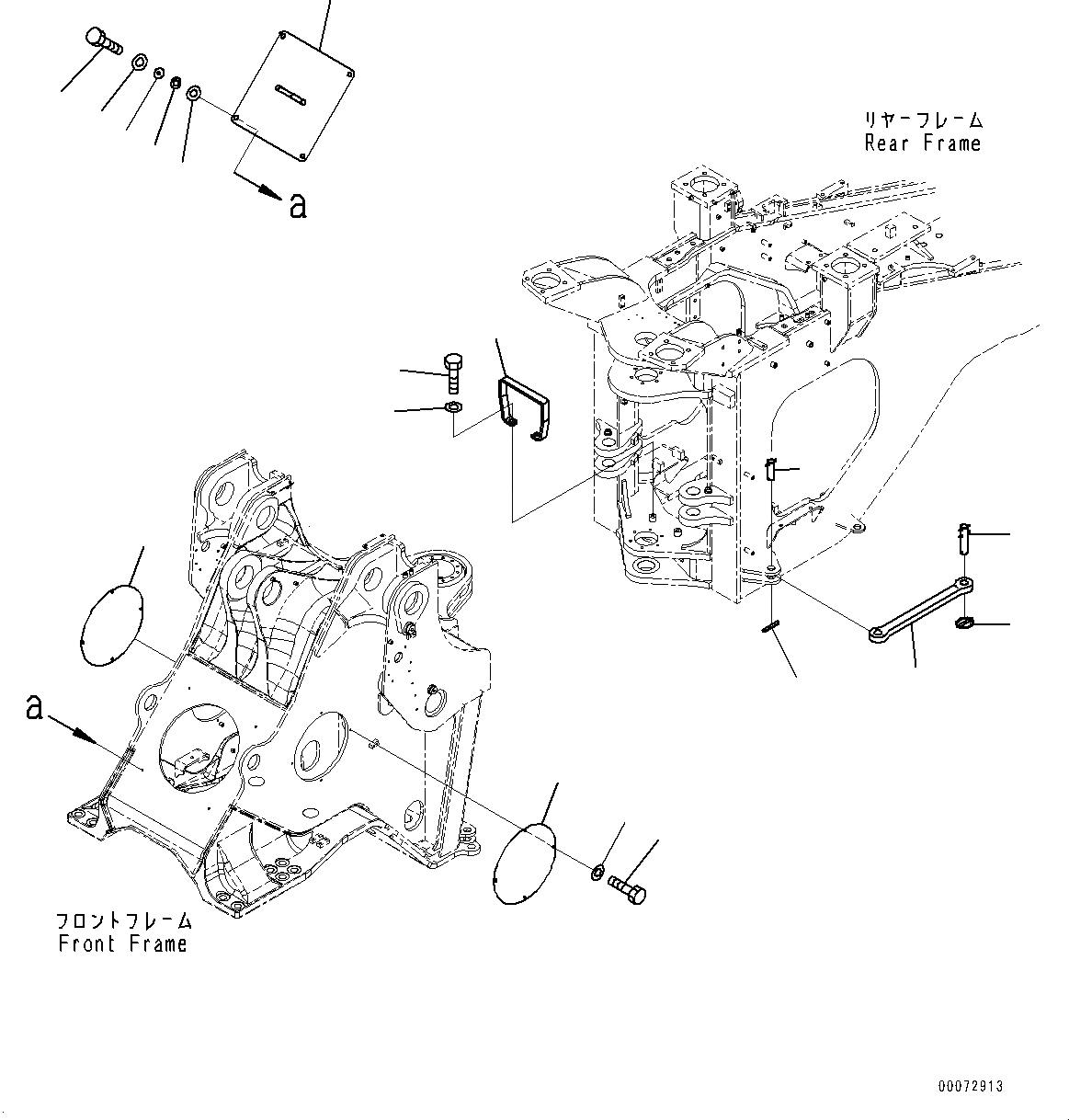
10
11
12
13
14
15
16
17
9
7
8
7
6
5
4
3
2
1
FIT
1:1
100%

Артикул

Название

Примечание

Количество

1

426-54-34151

Cover

SN: 65021-UP

1шт.

2

01010-D1250

Bolt

SN: 65021-UP

4шт.

3

01643-71232

Washer

SN: 65021-UP

4шт.

4

421-46-34420

Collar

SN: 65021-UP

4шт.

5

415-46-11380

Rubber

SN: 65021-UP

4шт.

6

01640-22232

Washer, Flat

SN: 65021-UP

4шт.

7

426-54-34160

Cover

SN: 65021-UP

2шт.

8

01010-D1225

Bolt

SN: 65021-UP

8шт.

9

01643-71232

Washer

SN: 65021-UP

8шт.

10

426-46-34111

Bar

SN: 65021-UP

1шт.

11

426-46-32640

Pin

SN: 65021-UP

1шт.

12

426-46-12330

Pin

SN: 65021-UP

1шт.

13

04025-01080

Pin, Spring

SN: 65021-UP

1шт.

14

426-46-12280

Pin, Linch

SN: 65021-UP

1шт.

15

426-46-32410

Guard

SN: 65021-UP

1шт.

16

01010-D2045

Bolt

SN: 65021-UP

2шт.

17

01643-72060

Washer

SN: 65021-UP

2шт.

Выбрано товаров: 17