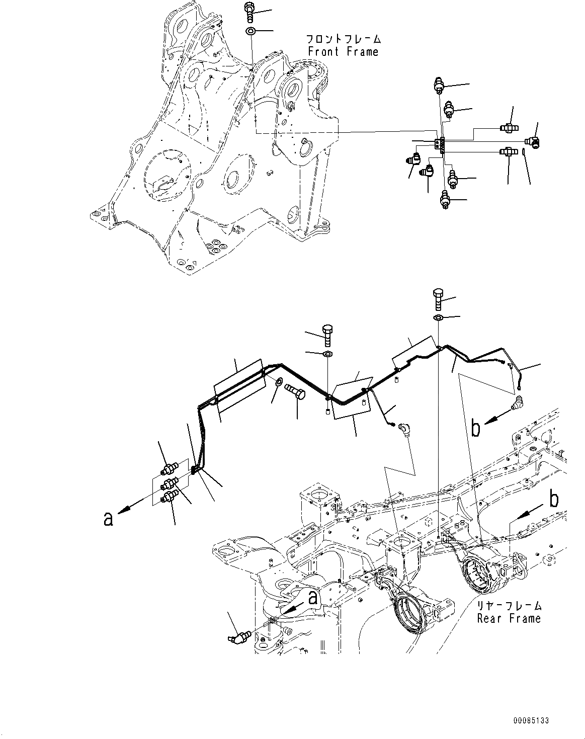
Запчасти Komatsu WA600-6R УДАЛЕНН. СИСТ. СМАЗКИ ТРУБКА, (/) (№-) УДАЛЕНН. СИСТ. СМАЗКИ ТРУБКА, С АВТОМАТИЧ. СМАЗКОЙ СИСТЕМА

Схема запчастей Komatsu WA600-6R - УДАЛЕНН. СИСТ. СМАЗКИ ТРУБКА, (/) (№-) УДАЛЕНН. СИСТ. СМАЗКИ ТРУБКА, С АВТОМАТИЧ. СМАЗКОЙ СИСТЕМА
16
19
18
25
26
23
17
20
24
14
15
21
22
7
7
8
9
10
2
4
5
6
8
11
12
7
9
10
1
3
3
1
5
13
FIT
1:1
100%

Артикул

Название

Примечание

Количество

1

426-46-36222

Tube

SN: 65021-UP

1шт.

2

423-09-12110

Connector

SN: 65021-UP

1шт.

3

426-46-36232

Tube

SN: 65021-UP

1шт.

4

423-09-12110

Connector

SN: 65021-UP

1шт.

5

426-46-36213

Tube

SN: 65021-UP

1шт.

6

423-09-12110

Connector

SN: 65021-UP

1шт.

7

04435-50610

Clip

SN: 65021-UP

6шт.

8

04434-50610

Clip

SN: 65021-UP

4шт.

9

01010-81016

Bolt

SN: 65021-UP

3шт.

10

01643-31032

Washer

SN: 65021-UP

3шт.

11

01010-81020

Bolt

SN: 65021-UP

4шт.

12

01643-31032

Washer

SN: 65021-UP

4шт.

13

07020-00900

Fitting, Grease

SN: 65021-UP

3шт.

14

421-09-12540

Elbow

SN: 65021-UP

4шт.

15

423-09-12110

Connector

SN: 65021-UP

5шт.

16

07020-00000

Fitting, Grease

SN: 65021-UP

9шт.

17

426-S95-4671

Block

SN: 65021-UP

1шт.

18

421-09-12540

Elbow

SN: 65021-UP

3шт.

19

423-09-12110

Connector

SN: 65021-UP

5шт.

20

421-09-12540

Elbow

SN: 65021-UP

1шт.

21

8296-62-1470

Connector

SN: 65021-UP

1шт.

22

02896-11009

O-ring

SN: 65021-UP

1шт.

23

07020-00000

Fitting, Grease

SN: 65021-UP

1шт.

24

421-09-12730

Connector

SN: 65021-UP

1шт.

25

01010-D1250

Bolt

SN: 65021-UP

2шт.

26

01643-71232

Washer

SN: 65021-UP

2шт.

Выбрано товаров: 26