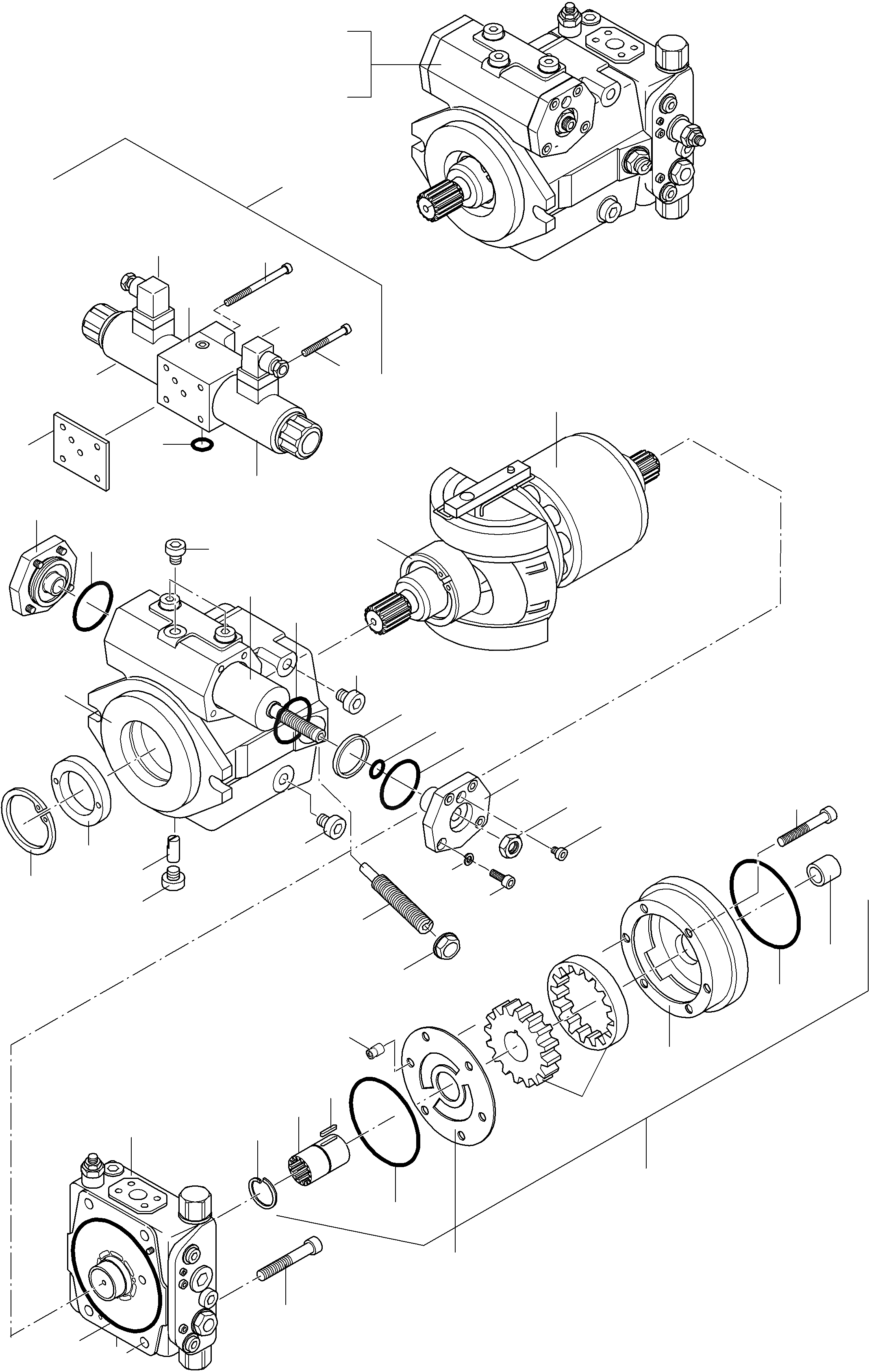
Запчасти Komatsu WA65-3 30km AXIAL ПОРШЕНЬ НАСОС ТРАНСМИССИЯ, КРЕСТОВИНА

Схема запчастей Komatsu WA65-3 30km - AXIAL ПОРШЕНЬ НАСОС ТРАНСМИССИЯ, КРЕСТОВИНА
50
1
29
34
29
4
28
30
31
32
33
26
14
13
9
2
25
11
12
15
16
17
18
21
19
20
24
22
23
6
5
7
8
3
37
36
38
42
44
43
45
39
46
41
48
49
47
40
10
1A
27
FIT
1:1
100%

Артикул

Название

Примечание

Количество

1

42T-17-11101

AXIAL PISTON PUMP

1шт.

1A

NOT USED

-1шт.

2

HOUSING

1шт.

3

42T-17-H0P00

PUMP

1шт.

4

42T-17-H0P02

CIRCLIP

1шт.

5

42U-17-H0S11

SHAFT SEAL

1шт.

6

42T-17-H0P02

CIRCLIP

1шт.

7

42T-17-H0P03

LINK PIN

1шт.

8

42U-17-H0P79

PLUG

1шт.

9

42U-17-H0P80

PLUG

3шт.

10

42T-17-H0P04

PISTON

1шт.

11

42T-17-H0P05

SEAL

1шт.

12

42T-17-H0P06

GUIDE BUSH

1шт.

13

42T-17-H0P07

O-RING

1шт.

14

42T-17-H0P08

COVER

1шт.

15

42T-17-H0P09

O-RING

1шт.

16

42T-17-H0P07

O-RING

1шт.

17

42T-17-H0P10

COVER

1шт.

18

42U-17-H0P89

NUT

1шт.

19

NOT USED

-1шт.

20

42T-17-H0P11

SCREW

8шт.

21

42U-17-H0P80

PLUG

1шт.

22

42U-17-H0P93

ADJUSTING SCREW

1шт.

23

42U-17-H0P94

NUT

1шт.

24

42U-17-H0P95

PLUG

1шт.

25

42U-17-H0P96

PLUG

1шт.

26

42U-17-H0R91

VALVE ASSEMBLY

1шт.

27

42T-17-H0R61

GASKET

1шт.

28

42U-17-H0R90

VALVE ASSEMBLY

2шт.

29

42U-17-H0R92

SOLENOID

2шт.

30

42U-17-H0R03

SOCKET

1шт.

31

42U-17-H0R04

SOCKET

1шт.

32

42U-17-H0R05

SCREW

2шт.

33

42U-17-H0R06

SCREW

2шт.

34

42U-17-H0P98

O-RING

1шт.

35

NOT USED

-1шт.

36

42T-17-H0P12

O-RING

1шт.

37

42T-17-H0P13

VALVE BLOCK

1шт.

|$52

VALVE BLOCK

-3шт.

38

42T-17-H0P14

SCREW

4шт.

39

42T-17-H0P43

WEAR PLATE

1шт.

40

42T-17-H0P44

GEAR PUMP

1шт.

41

HOUSING

1шт.

42

42T-17-H0P17

SNAP RING

1шт.

43

42T-17-H0P18

SHAFT

1шт.

44

42T-17-H0P19

KEY PARALLEL

1шт.

45

42T-17-H0P20

SEAL

1шт.

46

42T-17-H0P21

GEAR KIT

1шт.

47

421-00-H2220

SCREW

4шт.

48

42T-17-H0P22

O-RING

1шт.

49

42T-17-H0P23

BUSHING

1шт.

50

42T-17-H0P45

GUIDE SLEEVE

2шт.

Выбрано товаров: 52