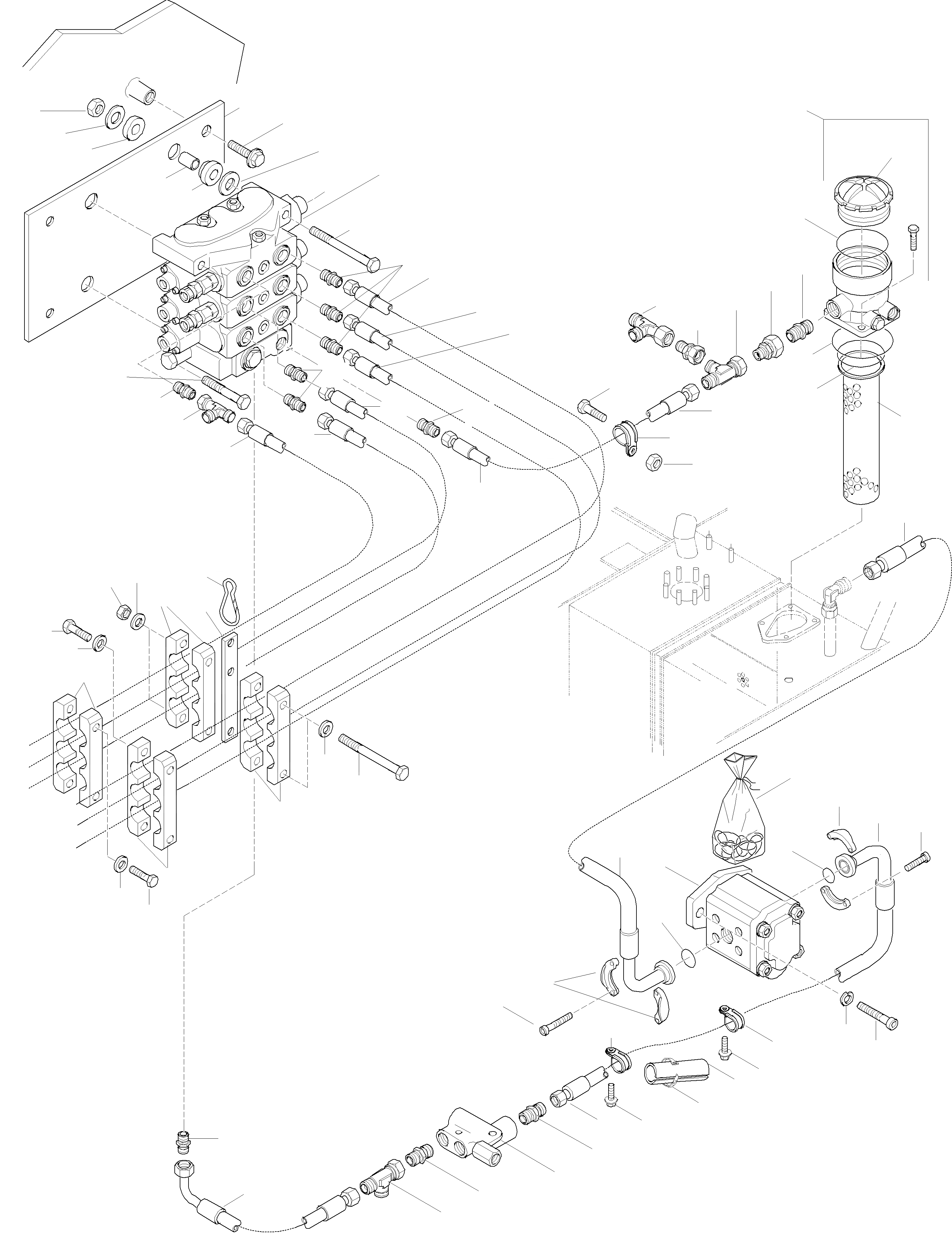
Запчасти Komatsu WA65PT-3 ГИДРАВЛИКА, ЗАДН. РАМА ГИДРАВЛИКА

Схема запчастей Komatsu WA65PT-3 - ГИДРАВЛИКА, ЗАДН. РАМА ГИДРАВЛИКА
31
28
26
28
27
25
24
23
29
33
36
38
39
33
34
35
40
37
33
22
21
44
43
44
45
41
41
42
46
48
49
48
49
47
47
59
58
55
56
57
62
64
61
63
60
53
54
52
51
51
4
11
10
8
9
16
17
1
6
4
7
15
14
18
19
8
12
13
12
20
32
30
50
2
3
5
35
37
40
36
38
39
1A
60A
FIT
1:1
100%

Артикул

Название

Примечание

Количество

1

42U-62-14100

HYDRAULIC PUMP

1шт.

1A

42U-62-H0P00

GASKET KIT

1шт.

2

419-00-H0380

LOCK WASHER

2шт.

3

01252-71025

SCREW

2шт.

4

42U-00-H0290

HOSE ASSEMBLY

1шт.

5

07371-31049

HALF FLANGE

2шт.

6

421-00-H0130

O-RING

1шт.

7

01252-71030

SCREW

4шт.

8

42T-09-H0180

HOSE ASSEMBLY

1шт.

9

419-09-H2520

O-RING

1шт.

10

07371-30638

HALF FLANGE

2шт.

11

01252-71030

SCREW

4шт.

12

42U-09-H1160

STUD

2шт.

13

42U-64-17100

PRIORITY VALVE

1шт.

14

42Y-00-H0650

CLIP

1шт.

15

01435-01016

SCREW

1шт.

16

42U-09-H1150

CLIP

2шт.

17

01435-00610

SCREW

2шт.

18

421-00-H0260

BRACE

5шт.

19

42U-09-H1530

HOSE

2шт.

20

42U-09-H1020

TEE ASSEMBLY

1шт.

21

42T-09-H0220

HOSE ASSEMBLY

1шт.

22

42U-09-H1030

STUD

1шт.

23

42T-64-13110

ACTUATER

1шт.

|$67

ACTUATER

-3шт.

24

42U-64-13A50

SHEET

1шт.

25

419-43-17930

BUFFER

3шт.

26

415-64-13130

BUFFER

3шт.

27

417-54-13470

DISTANCE PIECE

3шт.

28

415-64-13120

PLAIN WASHER

6шт.

29

01435-01090

SCREW

2шт.

30

01435-01060

SCREW

1шт.

31

01580-11008

NUT

3шт.

32

01435-01225

SCREW

4шт.

33

42Y-00-H1460

STUD

6шт.

34

421-00-H0440

UNION

1шт.

35

42T-09-H0050

HOSE ASSEMBLY

1шт.

36

42T-09-H0060

HOSE ASSEMBLY

1шт.

37

42T-09-H0240

HOSE ASSEMBLY

1шт.

38

42T-09-H0230

HOSE ASSEMBLY

1шт.

39

42W-09-H0420

HOSE ASSEMBLY

1шт.

40

42T-09-H0240

HOSE ASSEMBLY

1шт.

41

42U-62-13A30

CLIP

4шт.

42

42U-62-12B30

BRACKET

1шт.

43

42W-09-H0450

SCREW

2шт.

44

421-00-H0760

PLAIN WASHER

4шт.

45

01580-10806

NUT

2шт.

46

42W-09-H0460

HOOK

1шт.

47

42U-62-13A30

CLIP

4шт.

48

421-00-H0760

PLAIN WASHER

4шт.

49

01010-80865

SCREW

4шт.

50

42U-09-H1060

STUD

1шт.

51

42T-09-H0120

HOSE ASSEMBLY

1шт.

52

42Y-00-H0680

HOLDING CLAMP

1шт.

53

01435-01016

SCREW

1шт.

54

01580-11008

NUT

1шт.

55

42U-09-H1730

UNION

1шт.

56

42U-09-H1740

REDUCER

1шт.

57

42U-09-H1070

STUD

1шт.

58

42U-09-H1750

REDUCER

1шт.

59

42U-09-H1020

TEE ASSEMBLY

1шт.

60

42U-62-12200

FILTER

1шт.

60A

42U-62-H0P09

COVER

1шт.

61

42U-62-13150

FILTER ELEMENT

1шт.

62

42U-62-H0P01

O-RING

1шт.

63

42U-62-H0P02

O-RING

1шт.

64

42U-62-H0P04

O-RING

1шт.

Выбрано товаров: 67