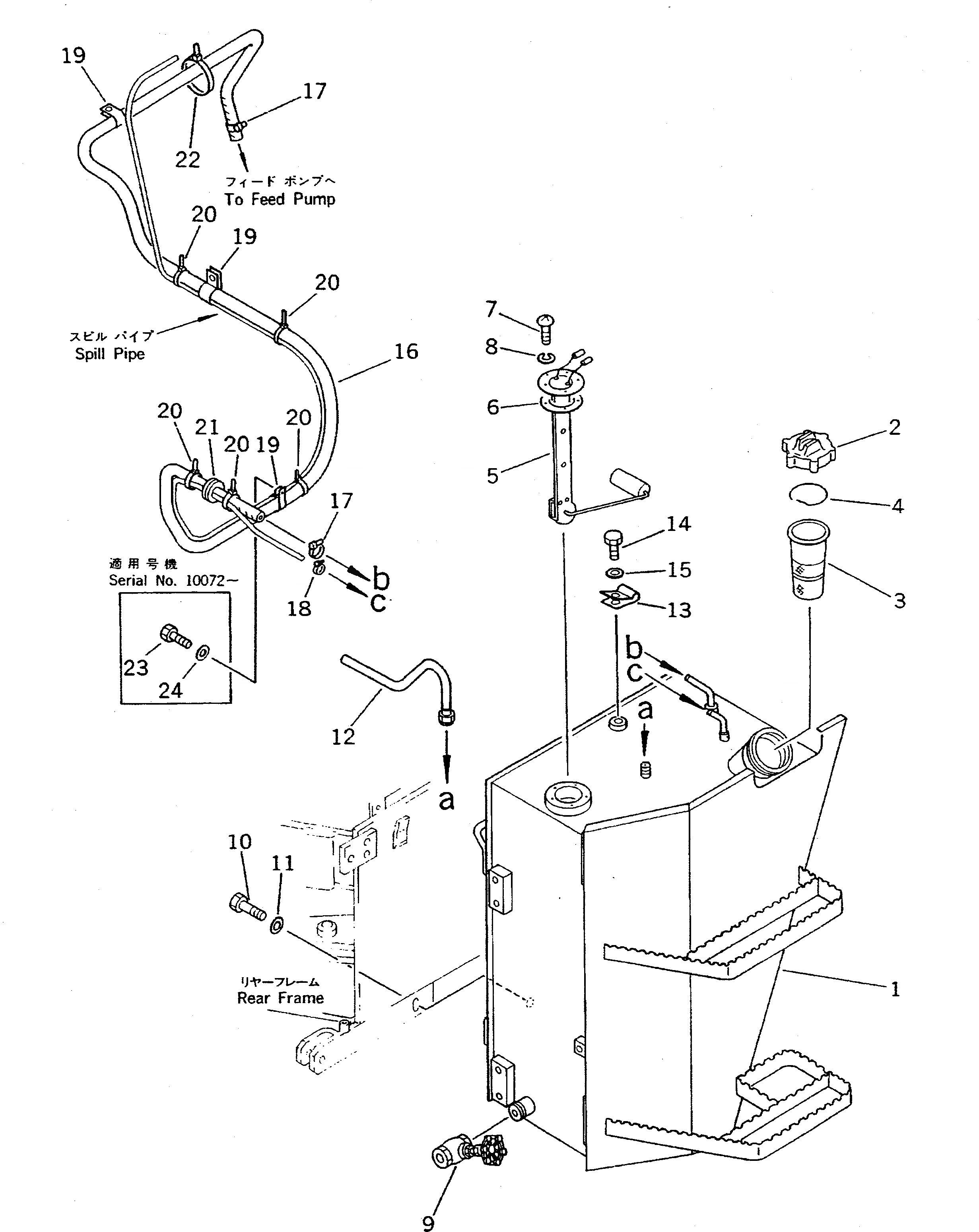
Запчасти Komatsu WA70-1 ТОПЛ. БАК И ТОПЛИВОПРОВОД(№-999) КОМПОНЕНТЫ ДВИГАТЕЛЯ И ЭЛЕКТРИКА

Схема запчастей Komatsu WA70-1 - ТОПЛ. БАК И ТОПЛИВОПРОВОД(№-999) КОМПОНЕНТЫ ДВИГАТЕЛЯ И ЭЛЕКТРИКА
FIT
1:1
100%

Артикул

Название

Примечание

Количество

1

415-04-11115

TANK,FUEL

SN: ...-11999

1шт.

|1

415-04-11114

TANK,FUEL

SN: ..-...

1шт.

|1

0

TANK,FUEL

SN: .-..

1шт.

|1

0

TANK,FUEL

SN: 10001-.

1шт.

2

415-04-11160

CAP

SN: 10001-11999

1шт.

|2

415-979-1110

CAP,(WITH LOCK)

SN: 10001-11999

1шт.

|2

07050-20922

GASKET

SN: 10001-11999

1шт.

3

07056-16415

STRAINER

SN: 10001-@

1шт.

4

07057-03266

RING,SNAP

SN: 10001-.

1шт.

5

415-04-11140

SENSOR,LEVEL

SN: 10001-@

1шт.

6

419-04-10140

GASKET

SN: 10001-@

1шт.

7

01220-40512

SCREW

SN: 10001-@

5шт.

8

01601-20513

WASHER,SPRING

SN: 10001-@

5шт.

9

421-09-12110

VALVE

SN: 10001-11999

1шт.

10

01010-81245

BOLT

SN: 10001-11999

1шт.

11

01643-31232

WASHER

SN: 10001-11999

1шт.

12

415-04-11151

TUBE

SN: 10001-11999

1шт.

13

04434-00608

CLIP

SN: 10001-11999

1шт.

14

01010-80812

BOLT

SN: 10001-11999

1шт.

15

01643-30823

WASHER

SN: 10001-11999

1шт.

16

07270-41018

TUBE

SN: .-11999

1шт.

|16

0

HOSE

SN: 10001-.

1шт.

17

07281-00197

CLAMP

SN: 10001-11999

2шт.

18

07280-00810

CLAMP

SN: 10001-11999

1шт.

19

08036-01814

CLIP

SN: 10001-@

3шт.

20

08034-00414

BAND

SN: 10001-@

5шт.

21

08037-03614

GROMMET

SN: 10001-@

1шт.

22

08034-00536

BAND

SN: 10318-@

1шт.

23

01010-51020

BOLT

SN: 10072-11999

1шт.

24

01643-31032

WASHER

SN: 10072-11999

1шт.

Выбрано товаров: 0