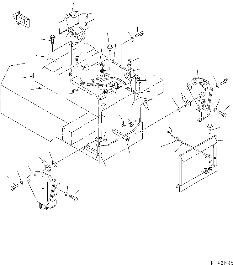
Запчасти Komatsu WA70-1 BACKE HOE ЭЛЕМЕНТЫ КРЕПЛЕНИЯ (/)(№-) РАМА И ЧАСТИ КОРПУСА

Схема запчастей Komatsu WA70-1 - BACKE HOE ЭЛЕМЕНТЫ КРЕПЛЕНИЯ (/)(№-) РАМА И ЧАСТИ КОРПУСА
1
2
3
3
4
4
5
5
6
6
7
7
8
8
9
9
10
10
11
11
12
12
13
14
15
16
17
18
19
20
21
22
23
23
24
25
26
27
28
28
29
30
31
32
33
34
35
36
37
38
38
38
38
39
40
41
42
43
FIT
1:1
100%

Артикул

Название

Примечание

Количество

1

415-855-1111

ADAPTER,L.H.

SN: 12001-UP

1шт.

2

415-855-1121

ADAPTER,R.H.

SN: 12001-UP

1шт.

3

415-855-1130

SHIM¤ 1.6MM

SN: 12001-UP

2шт.

4

415-855-1140

SHIM¤ 0.5MM

SN: 12001-UP

4шт.

5

01010-62085

BOLT

SN: 12001-UP

2шт.

6

01643-32060

WASHER

SN: 12001-UP

2шт.

7

01010-62495

BOLT

SN: 12001-UP

8шт.

8

01643-32460

WASHER

SN: 12001-UP

8шт.

9

415-855-1441

SEAT

SN: 12001-UP

2шт.

10

415-855-1451

SEAT

SN: 12001-UP

2шт.

11

01571-01218

SEAT

SN: 12001-UP

3шт.

12

415-855-1640

PLATE

SN: 12001-UP

2шт.

13

415-855-1660

SEAT

SN: 12001-UP

1шт.

14

415-855-1210

CABLE

SN: 12001-UP

1шт.

15

415-855-1222

PLATE

SN: 12001-UP

1шт.

16

415-855-1230

CLAMP

SN: 12001-UP

1шт.

17

415-855-1240

PLATE

SN: 12001-UP

1шт.

18

01435-00620

BOLT

SN: 12001-UP

2шт.

19

01584-00605

NUT

SN: 12001-UP

2шт.

20

01580-10605

NUT

SN: 12001-UP

1шт.

21

415-855-1250

PLATE

SN: 12001-UP

1шт.

22

04205-10620

PIN

SN: 12001-UP

1шт.

23

01641-20608

WASHER

SN: 12001-UP

2шт.

24

04050-11612

PIN,COTTER

SN: 12001-UP

1шт.

25

415-855-1560

BRACKET

SN: 12001-UP

1шт.

26

415-855-1570

PLATE

SN: 12001-UP

1шт.

27

415-46-12J60

PLATE

SN: 12001-UP

1шт.

28

415-46-12J61

PLATE

SN: 12001-UP

1шт.

29

415-855-1780

SEAT,(FOR JAPAN)

SN: 12001-UP

1шт.

30

415-855-1790

SEAT,(FOR JAPAN)

SN: 12001-UP

1шт.

31

01435-01020

BOLT

SN: 12001-UP

2шт.

32

415-855-1511

BRACKET,(FOR JAPAN)

SN: 12001-UP

1шт.

33

01435-01225

BOLT,(FOR JAPAN)

SN: 12001-UP

2шт.

34

415-54-11980

CUSHION,(FOR JAPAN)

SN: 12001-UP

1шт.

35

08037-01008

GROMMET,(FOR JAPAN)

SN: 12001-UP

1шт.

36

415-855-1531

WIRING HARNESS

SN: 12001-UP

1шт.

37

415-855-1520

WIRING HARNESS,(FOR JAPAN)

SN: 12001-UP

1шт.

38

08034-20519

BAND

SN: .-UP

7шт.

|38

0

BAND

SN: 12001-.

7шт.

39

08036-01414

CLIP

SN: 12001-UP

1шт.

40

01435-01016

BOLT

SN: 12001-UP

1шт.

41

01580-01210

NUT,(FOR JAPAN)

SN: 20001-UP

2шт.

42

415-855-1611

PLATE

SN: 20001-UP

1шт.

43

01580-01008

NUT

SN: 20001-UP

1шт.

Выбрано товаров: 44