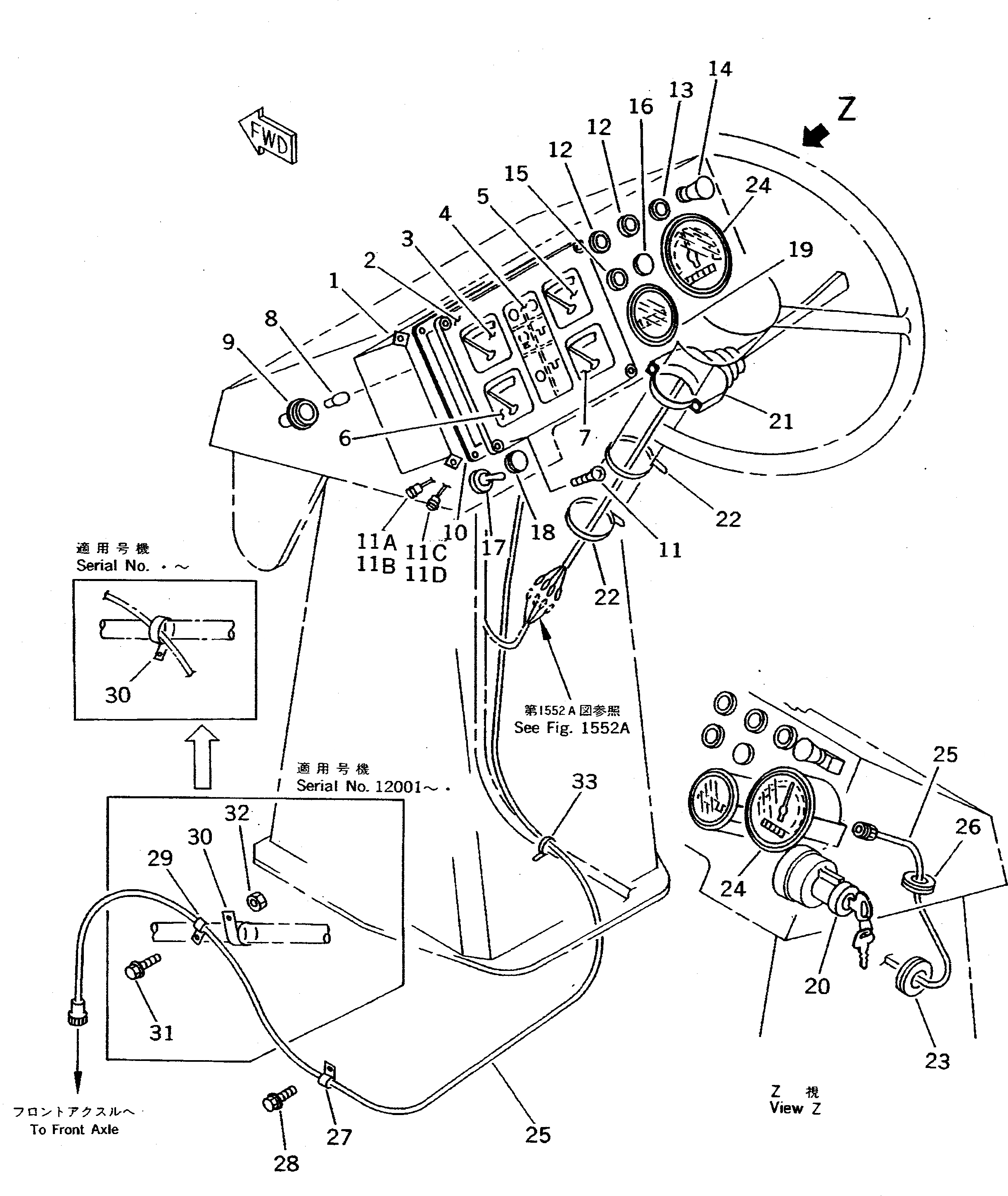
Запчасти Komatsu WA70-1 ПАНЕЛЬ ПРИБОРОВ(№-) КОМПОНЕНТЫ ДВИГАТЕЛЯ И ЭЛЕКТРИКА

Схема запчастей Komatsu WA70-1 - ПАНЕЛЬ ПРИБОРОВ(№-) КОМПОНЕНТЫ ДВИГАТЕЛЯ И ЭЛЕКТРИКА
FIT
1:1
100%

Артикул

Название

Примечание

Количество

1

417-06-15112

GAUGE CLUSTER

SN: 12001-UP

1шт.

2

417-06-15310

PANEL

SN: 10001-UP

1шт.

3

417-06-15330

GAUGE,WATER TEMPERATURE

SN: 10001-UP

1шт.

4

417-06-15390

PLATE¤ CAUTION

SN: 10001-UP

1шт.

5

417-06-15350

GAUGE,FUEL LEVEL

SN: 10001-UP

1шт.

6

417-06-15340

GAUGE,OIL TEMPERATURE

SN: 10001-UP

1шт.

7

417-06-15360

GAUGE,VOLT

SN: 10001-UP

1шт.

8

08102-02403

BULB¤ 3W

SN: 10001-UP

8шт.

9

417-06-15380

SOCKET

SN: 10001-UP

8шт.

10

417-06-15320

GASKET,PANEL

SN: 10001-UP

1шт.

11

417-06-15510

SCREW

SN: 12001-UP

4шт.

11A

566-06-14510

CONNECTOR

SN: 12001-UP

1шт.

11B

566-06-14520

TERMINAL

SN: 12001-UP

6шт.

11C

566-06-14530

CONNECTOR

SN: 12001-UP

1шт.

11D

566-06-14540

TERMINAL

SN: 12001-UP

6шт.

12

566-06-17150

LAMP,TURN SIGNAL PILOT

SN: 10001-UP

2шт.

|12

08111-02430

BULB¤ 3W

SN: 10001-UP

1шт.

|12

08021-00400

CONNECTOR

SN: 10001-UP

1шт.

13

600-815-1361

SIGNAL,HEATER

SN: 10001-UP

1шт.

14

08061-60010

SWITCH,LAMP

SN: 10001-UP

1шт.

15

566-06-17140

LAMP,HIGH BEAM PILOT

SN: 10001-UP

1шт.

|15

08111-02430

BULB¤ 3W

SN: 10001-UP

1шт.

|15

08021-00400

CONNECTOR

SN: 10001-UP

1шт.

16

09415-01610

CAP

SN: 10001-UP

1шт.

17

417-06-11650

SWITCH,PARKING LAMP AND T/M CUT OFF

SN: 12001-UP

1шт.

|17

417-06-11630

CAP

SN: 12001-UP

1шт.

18

09415-00706

CAP

SN: 12001-UP

1шт.

19

08687-22403

METER,SERVICE

SN: 12001-UP

1шт.

20

08086-10000

SWITCH,STARTING

SN: 10001-UP

1шт.

21

417-06-11260

SWITCH,TURN SIGNAL

SN: 10001-UP

1шт.

22

08034-00823

BAND

SN: 10318-UP

2шт.

23

08037-03614

GROMMET,(WITH SPEEDOMETER)

SN: 12001-UP

1шт.

|23

09415-03614

CAP,(WITHOUT SPEEDOMETER)

SN: 12001-UP

1шт.

24

415-06-15111

METER,SPEED (KM/H DISPLAY)

SN: 10001-UP

1шт.

|24

415-V41-1110

METER,SPEED (MPH DISPLAY)

SN: 10001-UP

1шт.

|24

08111-02430

BULB¤ 3W

SN: 10001-UP

1шт.

25

08603-43030

CABLE,(WITH SPEEDOMETER)

SN: 12001-UP

1шт.

26

08037-02512

GROMMET,(WITH SPEEDOMETER)

SN: 12001-UP

1шт.

27

424-06-12710

CLIP,(WITH SPEEDOMETER)

SN: 10001-UP

1шт.

28

01435-00812

BOLT,(WITH SPEEDOMETER)

SN: 12001-UP

1шт.

29

424-06-12710

CLIP,(WITH SPEEDOMETER)

SN: 10001-.

1шт.

30

08034-20519

BAND,(WITH SPEEDOMETER)

SN: ..-UP

1шт.

|30

0

BAND,(WITH SPEEDOMETER)

SN: .-..

1шт.

30

08035-03010

CLIP,(WITH SPEEDOMETER)

SN: 12001-.

1шт.

31

01435-01016

BOLT,(WITH SPEEDOMETER)

SN: 12001-.

1шт.

32

01584-01008

NUT,(WITH SPEEDOMETER)

SN: 12001-.

1шт.

33

08034-20519

BAND,(WITH SPEEDOMETER)

SN: .-UP

1шт.

|33

0

BAND,(WITH SPEEDOMETER)

SN: 12001-.

1шт.

Выбрано товаров: 48