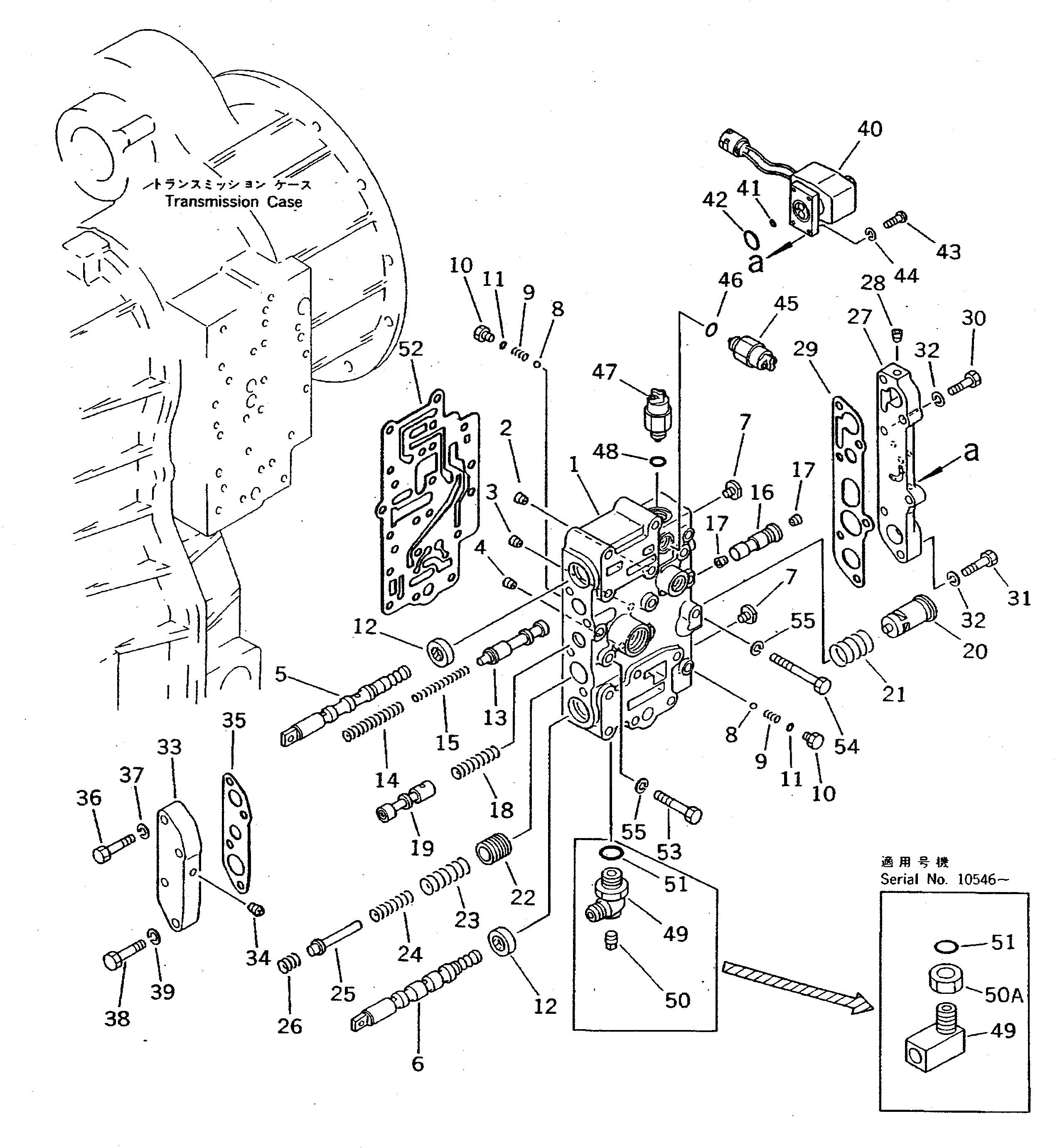
Запчасти Komatsu WA70-1 КЛАПАН УПРАВЛЕНИЯ ТРАНСМИССИЕЙ (/)(№-999) ТРАНСМИССИЯ

Схема запчастей Komatsu WA70-1 - КЛАПАН УПРАВЛЕНИЯ ТРАНСМИССИЕЙ (/)(№-999) ТРАНСМИССИЯ
FIT
1:1
100%

Артикул

Название

Примечание

Количество

|1

415-15-11001

TRANSMISSION ASS'Y

SN: 10001-11999

1шт.

|$$2

THIS ASSEMBLY CONSISTS OF ALL PARTS SHOWN IN FIGS.2111 TO 2142.

-1шт.

|1

415-15-15002

CONTROL VALVE ASS'Y

SN: 10546-11999

1шт.

|1

415-15-15001

CONTROL VALVE ASS'Y

SN: 10001-10545

1шт.

|$$5

THESE ASSEMBLIES CONSIST OF ALL PARTS SHOWN IN FIGS.2141 AND 2142.

-1шт.

1

415-15-15111

BODY,VALVE

SN: 10001-@

1шт.

2

419-15-15420

ORIFICE,2ND

SN: 10001-@

1шт.

3

419-15-15432

ORIFICE,MAIN

SN: 10102-@

1шт.

|3

417-15-15842

ORIFICE,MAIN

SN: 10001-10101

1шт.

4

419-15-15420

ORIFICE,2ND

SN: 10001-11999

1шт.

5

417-15-15550

SPOOL,FORWARD AND REVERSE

SN: 10001-11999

1шт.

6

417-15-15221

SPOOL,REAR

SN: 10001-11999

1шт.

7

417-15-15430

PLUG,DETENT

SN: 10001-11999

2шт.

8

04260-00635

BALL

SN: 10001-@

4шт.

9

417-15-15720

SPRING,DETENT

SN: 10001-@

4шт.

10

417-15-15410

PLUG,DETENT

SN: 10001-@

4шт.

11

07002-01023

O-RING (K2)

SN: 10001-@

4шт.

12

417-15-15621

SEAL,OIL (K2)

SN: 10001-@

2шт.

13

415-15-15231

VALVE,MAIN REGULATOR

SN: 10001-@

1шт.

14

417-15-15310

SPRING,OUTER MAIN REGULATOR

SN: 10001-@

1шт.

15

417-15-15320

SPRING,MIDDLE MAIN REGULATOR

SN: 10001-@

1шт.

16

417-15-15261

VALVE,NEUTRAL

SN: 10001-11999

1шт.

17

419-15-15420

ORIFICE,2ND

SN: 10001-@

2шт.

18

417-15-15370

SPRING,T/C REGULATOR

SN: 10001-@

1шт.

19

415-15-15540

VALVE,T/C REGULATOR

SN: 10001-@

1шт.

20

417-15-15241

VALVE,FILL

SN: 10001-@

1шт.

21

415-15-15750

SPRING,FILL

SN: 10001-@

1шт.

22

417-15-15251

VALVE,ACCUMULATOR

SN: 10001-@

1шт.

23

417-15-15860

SPRING,OUTER ACCUMULATOR

SN: 10001-11999

1шт.

24

417-15-15880

SPRING,INNER ACCUMULATOR

SN: 10001-11999

1шт.

25

417-15-15890

STOPPER,ACCUMULATOR

SN: 10001-11999

1шт.

26

417-15-15870

SPRING,ACCUMULATOR

SN: 10001-11999

1шт.

27

415-15-15132

COVER,VALVE

SN: 10001-11999

1шт.

28

07043-00108

PLUG

SN: 10001-@

1шт.

29

415-15-15162

GASKET,COVER (K2)

SN: 10001-11999

1шт.

30

01010-31035

BOLT

SN: 10001-@

2шт.

31

01010-31040

BOLT

SN: 10001-@

4шт.

32

01602-01030

WASHER,SPRING

SN: 10001-11999

6шт.

33

415-15-15122

COVER,VALVE

SN: 10001-@

1шт.

34

07042-30108

PLUG

SN: 10001-@

1шт.

35

415-15-15180

GASKET,COVER (K2)

SN: 10001-@

1шт.

36

01010-31045

BOLT

SN: 10001-@

2шт.

37

01602-01030

WASHER,SPRING

SN: 10001-@

2шт.

38

01010-31045

BOLT,(FOR SHIPPING)

SN: 10001-@

2шт.

39

01602-01030

WASHER,SPRING (FOR SHIPPING)

SN: 10001-@

2шт.

40

417-15-15510

VALVE ASS'Y,SOLENOID

SN: 10001-11999

1шт.

41

421-06-16510

O-RING

SN: 10001-11999

1шт.

42

421-06-16520

O-RING

SN: 10001-11999

1шт.

43

01220-40416

SCREW

SN: 10001-@

4шт.

44

01601-20410

WASHER,SPRING

SN: 10001-@

4шт.

45

417-15-15610

SWITCH,NEUTRAL

SN: 10001-@

1шт.

46

07002-02034

O-RING (K2)

SN: 10001-@

1шт.

47

417-15-15610

SWITCH,BACK

SN: 10001-@

1шт.

48

07002-02034

O-RING (K2)

SN: 10001-@

1шт.

49

415-15-14330

ELBOW

SN: 10546-@

1шт.

|49

07235-50315

ELBOW

SN: 10001-10545

1шт.

50

07042-30108

PLUG

SN: 10001-10545

1шт.

50A

07239-12009

NUT

SN: 10546-@

1шт.

51

07002-02034

O-RING (K2)

SN: 10001-@

1шт.

52

415-15-15151

GASKET,VALVE (K2)

SN: 10001-@

1шт.

53

01010-31075

BOLT

SN: 10001-@

6шт.

54

01010-31085

BOLT

SN: 10001-@

1шт.

55

01602-01030

WASHER,SPRING

SN: 10001-@

7шт.

Выбрано товаров: 63