Запчасти Komatsu WA70-1 ЗАДНИЕ ТОРМОЗА И ЗАДН. КОНЕЧНАЯ ПЕРЕДАЧА ВЕДУЩ. ВАЛ¤ ДИФФЕРЕНЦ. И КОЛЕСА

Схема запчастей Komatsu WA70-1 - ЗАДНИЕ ТОРМОЗА И ЗАДН. КОНЕЧНАЯ ПЕРЕДАЧА ВЕДУЩ. ВАЛ¤ ДИФФЕРЕНЦ. И КОЛЕСА
FIT
1:1
100%

Артикул

Название

Примечание

Количество

|1

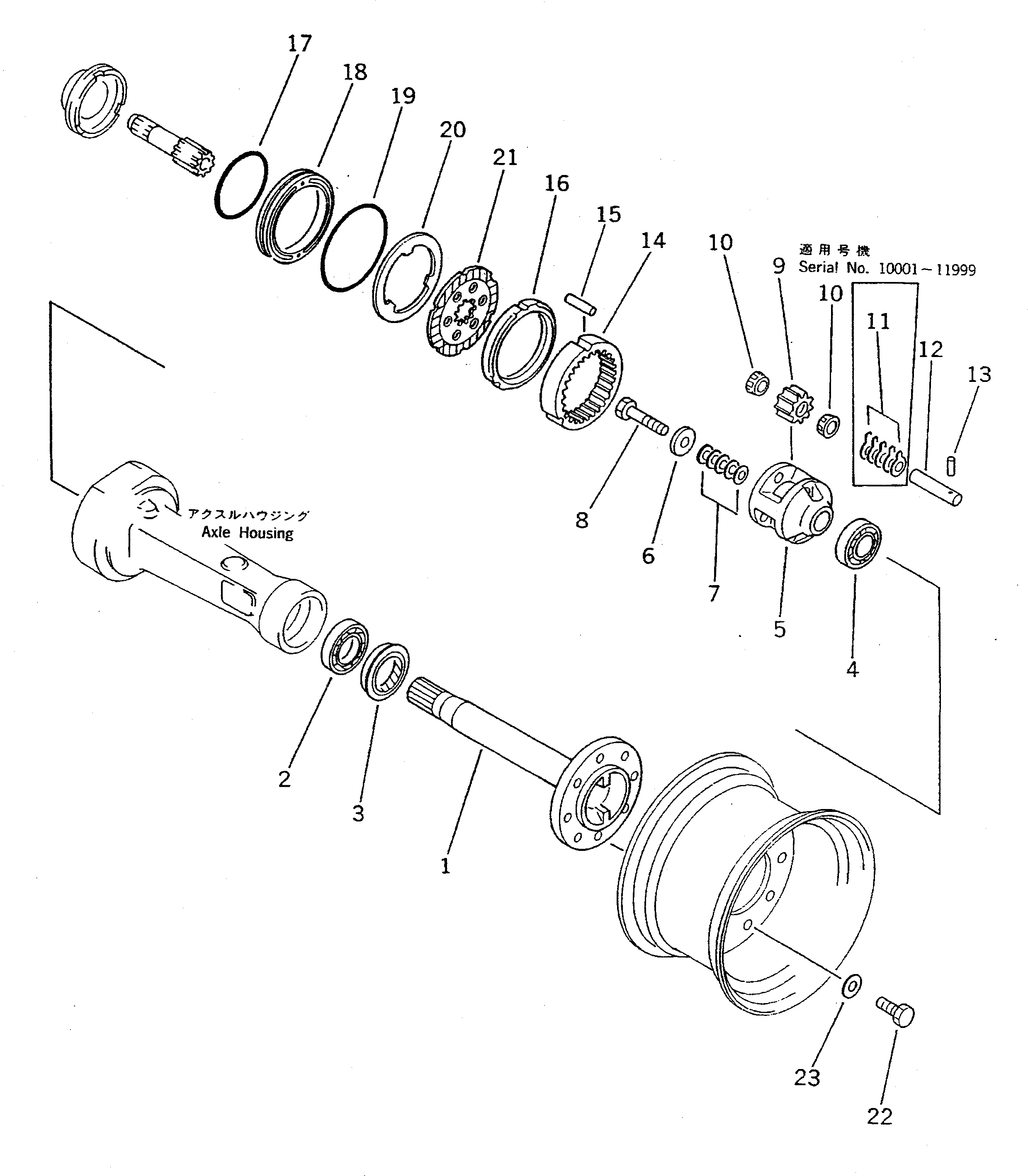
415-23-10003

REAR AXLE ASS'Y

SN: 12288-UP

1шт.

|1

0

REAR AXLE ASS'Y

SN: 12001-12287

1шт.

|1

415-23-10001

REAR AXLE ASS'Y

SN: 10001-11999

1шт.

|$$4

THESE ASSEMBLIES CONSIST OF ALL PARTS SHOWN IN FIGS.3201 TO 3221.

-1шт.

1

415-22-12412

SHAFT

SN: 12001-UP

2шт.

|1

415-22-12411

SHAFT

SN: 10001-11999

2шт.

2

415-22-12851

BEARING

SN: 12001-UP

2шт.

|2

415-22-12850

BEARING

SN: 10001-11999

2шт.

3

415-22-12460

SEAL

SN: 10001-UP

2шт.

4

415-22-12840

BEARING

SN: 12001-UP

2шт.

|4

06030-06211

BEARING

SN: 10001-11999

2шт.

5

415-22-12611

CARRIER

SN: 12001-UP

2шт.

|5

415-22-12610

CARRIER

SN: 10001-11999

2шт.

6

415-22-12351

HOLDER

SN: 12001-UP

2шт.

|6

415-22-12350

SPACER

SN: 10001-11999

2шт.

7

415-22-12360

SHIM¤ 0.05MM

SN: 10001-UP

2шт.

|7

415-22-12370

SHIM¤ 0.2MM

SN: 10001-UP

4шт.

|7

415-22-12380

SHIM¤ 0.3MM

SN: 10001-UP

6шт.

|7

415-22-12390

SHIM¤ 0.8MM

SN: 10001-UP

2шт.

8

01010-61250

BOLT

SN: 10001-UP

2шт.

9

415-22-12531

GEAR

SN: 12001-UP

6шт.

|9

415-22-12530

GEAR

SN: 10001-11999

6шт.

10

415-22-12811

BEARING

SN: 12001-UP

12шт.

|10

415-22-12810

BEARING

SN: 10001-11999

12шт.

11

415-22-12260

SHIM¤ 0.2MM

SN: 10001-11999

12шт.

|11

415-22-12270

SHIM¤ 0.3MM

SN: 10001-11999

12шт.

|11

415-22-12280

SHIM¤ 0.5MM

SN: 10001-11999

42шт.

12

415-22-12512

SHAFT

SN: 12001-UP

6шт.

|12

415-22-12511

SHAFT

SN: 10001-11999

6шт.

13

04025-00616

PIN,SPRING

SN: 10001-UP

6шт.

14

415-22-12540

GEAR

SN: 10001-UP

2шт.

15

415-22-12581

PIN

SN: 10001-UP

6шт.

16

415-33-11262

PLATE

SN: .-UP

2шт.

|16

0

PLATE

SN: 12001-.

2шт.

|16

415-33-11260

PLATE

SN: 10001-11999

2шт.

17

415-33-11420

O-RING

SN: 10001-UP

2шт.

18

415-33-11120

PISTON

SN: 10001-UP

2шт.

19

415-33-11410

O-RING

SN: 10001-UP

2шт.

20

415-33-11250

PLATE

SN: 10001-UP

2шт.

21

415-33-11241

DISC

SN: 12001-UP

2шт.

|21

415-33-11240

DISC

SN: 10001-11999

2шт.

22

417-22-12910

BOLT

SN: 10001-UP

16шт.

23

01643-32460

WASHER

SN: 10001-UP

16шт.

Выбрано товаров: 0