Запчасти Komatsu WA70-1 СИСТЕМА ROPS РАМА И ЧАСТИ КОРПУСА

Схема запчастей Komatsu WA70-1 - СИСТЕМА ROPS РАМА И ЧАСТИ КОРПУСА
FIT
1:1
100%

Артикул

Название

Примечание

Количество

|$0

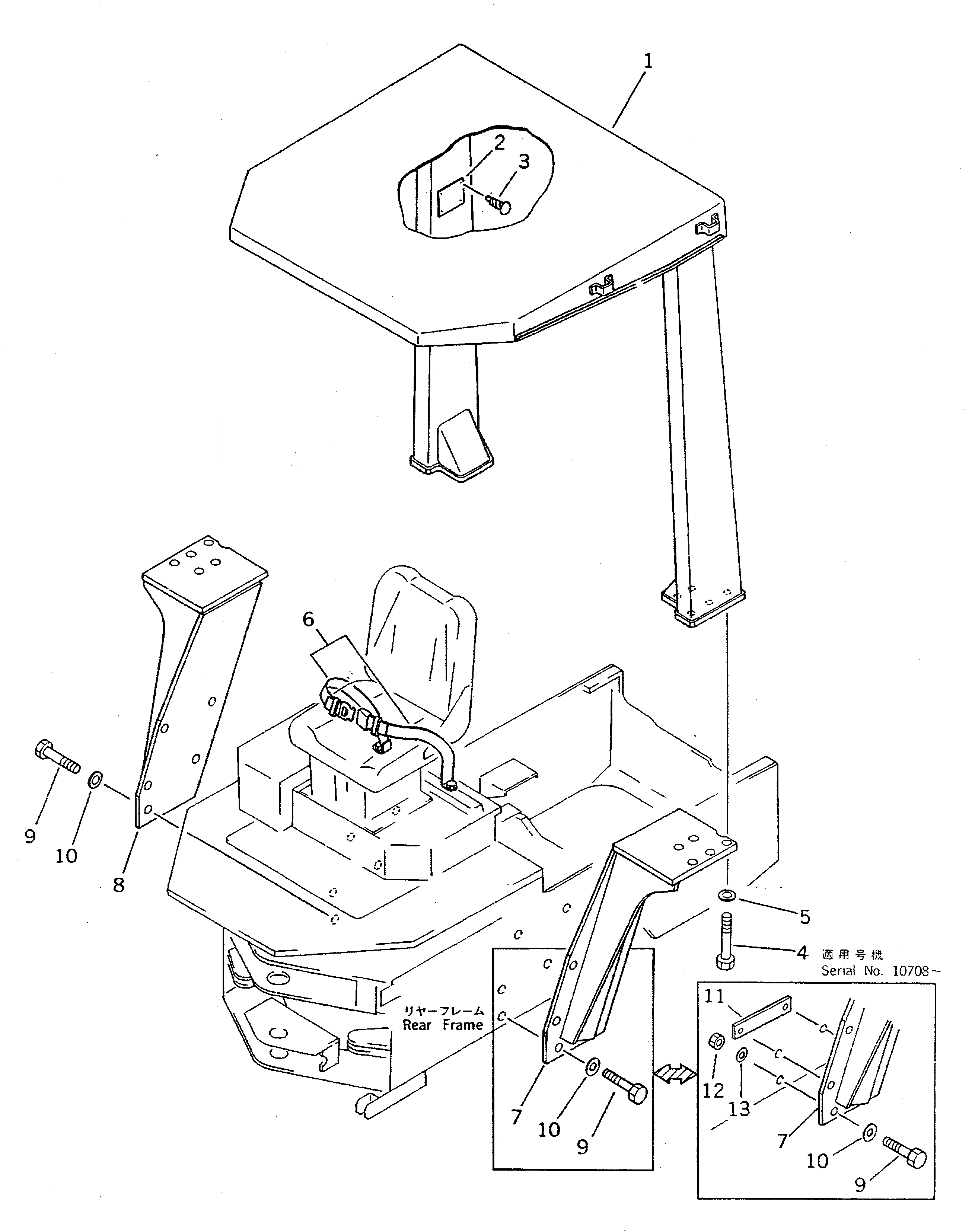
415-W70-1010

ROPS CANOPY ASS'Y,(FOR JAPAN)

SN: 10001-UP

1шт.

|$1

415-W70-1020

ROPS CANOPY ASS'Y,(FOR NORTH AMERICA)

SN: 10001-UP

1шт.

|$2

415-W70-1030

ROPS CANOPY ASS'Y,(EXCEPT NORTH AMERICA)

SN: 10001-UP

1шт.

1

0

CANOPY

SN: 10001-UP

1шт.

2

419-W50-1110

PLATE, NAME,(LIMITED SUPPLY) (FOR JAPAN)

SN: 10001-UP

1шт.

2

419-W50-1120

PLATE, NAME,(FOR NORTH AMERICA)

SN: 10001-UP

1шт.

2

419-W50-1130

PLATE, NAME,(EXCEPT NORTH AMERICA)

SN: 10001-UP

1шт.

3

04418-13060

SCREW

SN: 10001-UP

4шт.

4

01010-32475

BOLT

SN: 10001-UP

10шт.

5

01643-32460

WASHER

SN: 10001-UP

10шт.

6

09409-10001

BELT, LAP

SN: 10001-UP

1шт.

6

09409-00001

BOLT

SN: 10001-UP

2шт.

6

09409-00003

NUT

SN: 10001-UP

2шт.

6

09409-00002

WASHER

SN: 10001-UP

2шт.

7

415-54-19181

SUPPORT,L.H.

SN: 12001-UP

1шт.

7

415-54-19180

SUPPORT,L.H.

SN: 10001-11999

1шт.

8

415-54-19191

SUPPORT,R.H.

SN: 12001-UP

1шт.

8

415-54-19190

SUPPORT,R.H.

SN: 10001-11999

1шт.

9

01010-32465

BOLT

SN: 10001-UP

10шт.

10

01643-32460

WASHER

SN: 10001-UP

10шт.

11

415-928-1121

PLATE

SN: 12001-UP

4шт.

11

415-928-1120

PLATE

SN: 10708-11999

4шт.

12

01580-02419

NUT

SN: 10708-UP

2шт.

13

01643-32460

WASHER

SN: 10708-UP

2шт.

Выбрано товаров: 24