Запчасти Komatsu WA70-1-SN ЭЛЕКТРИКА (ДЛЯ КАБИНЫ)(№-999) СПЕЦ. APPLICATION ЧАСТИ

Схема запчастей Komatsu WA70-1-SN - ЭЛЕКТРИКА (ДЛЯ КАБИНЫ)(№-999) СПЕЦ. APPLICATION ЧАСТИ
FIT
1:1
100%

Артикул

Название

Примечание

Количество

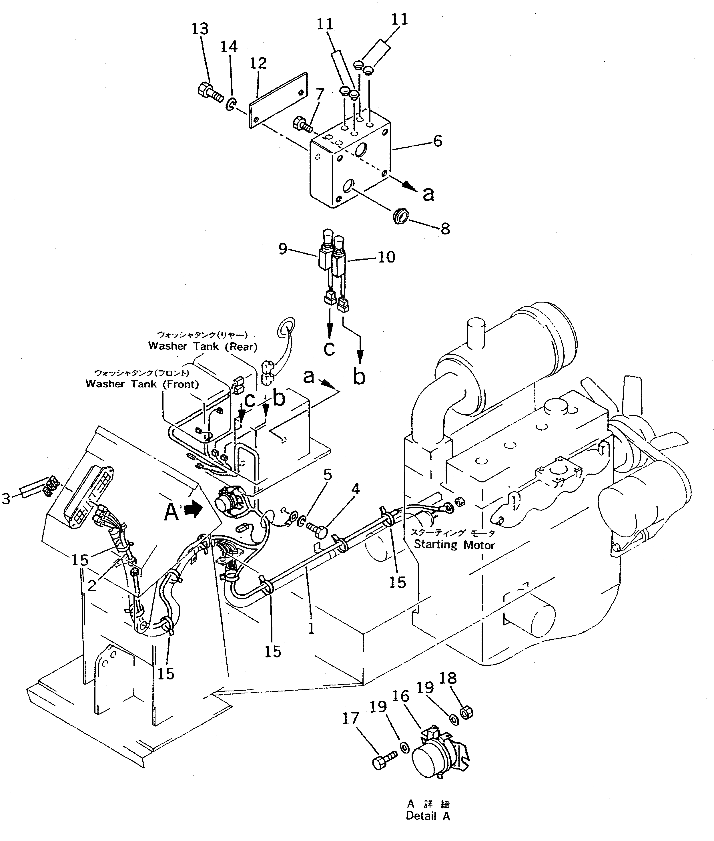
1

415-06-16140

WIRE ASS'Y

SN: 10001-11999

1шт.

2

415-06-16150

WIRE ASS'Y

SN: 10001-11999

1шт.

3

22W-06-13160

FUSE¤ 20A

SN: 10001-@

3шт.

4

01010-80812

BOLT

SN: 10001-11999

1шт.

5

01643-30823

WASHER

SN: 10001-11999

1шт.

6

415-06-16120

BOX

SN: 10001-11999

1шт.

7

01010-80816

BOLT

SN: 10001-11999

4шт.

8

415-06-12320

GROMMET

SN: 10001-11999

1шт.

9

421-06-16141

SWITCH,WIPER¤ FRONT

SN: 10001-@

1шт.

10

421-06-16150

SWITCH,WIPER¤ REAR

SN: 10001-@

1шт.

11

09415-00706

CAP

SN: 10001-@

4шт.

12

415-06-16130

PLATE

SN: 10001-11999

1шт.

13

01010-80812

BOLT

SN: 10001-11999

2шт.

14

01643-30823

WASHER

SN: 10001-11999

2шт.

15

08034-00519

BAND

SN: 10001-@

10шт.

16

421-06-11930

RELAY

SN: 10001-@

1шт.

17

01010-80830

BOLT

SN: 10001-@

2шт.

18

01580-10806

NUT

SN: 10001-@

2шт.

19

01643-30823

WASHER

SN: 10001-@

4шт.

Выбрано товаров: 19