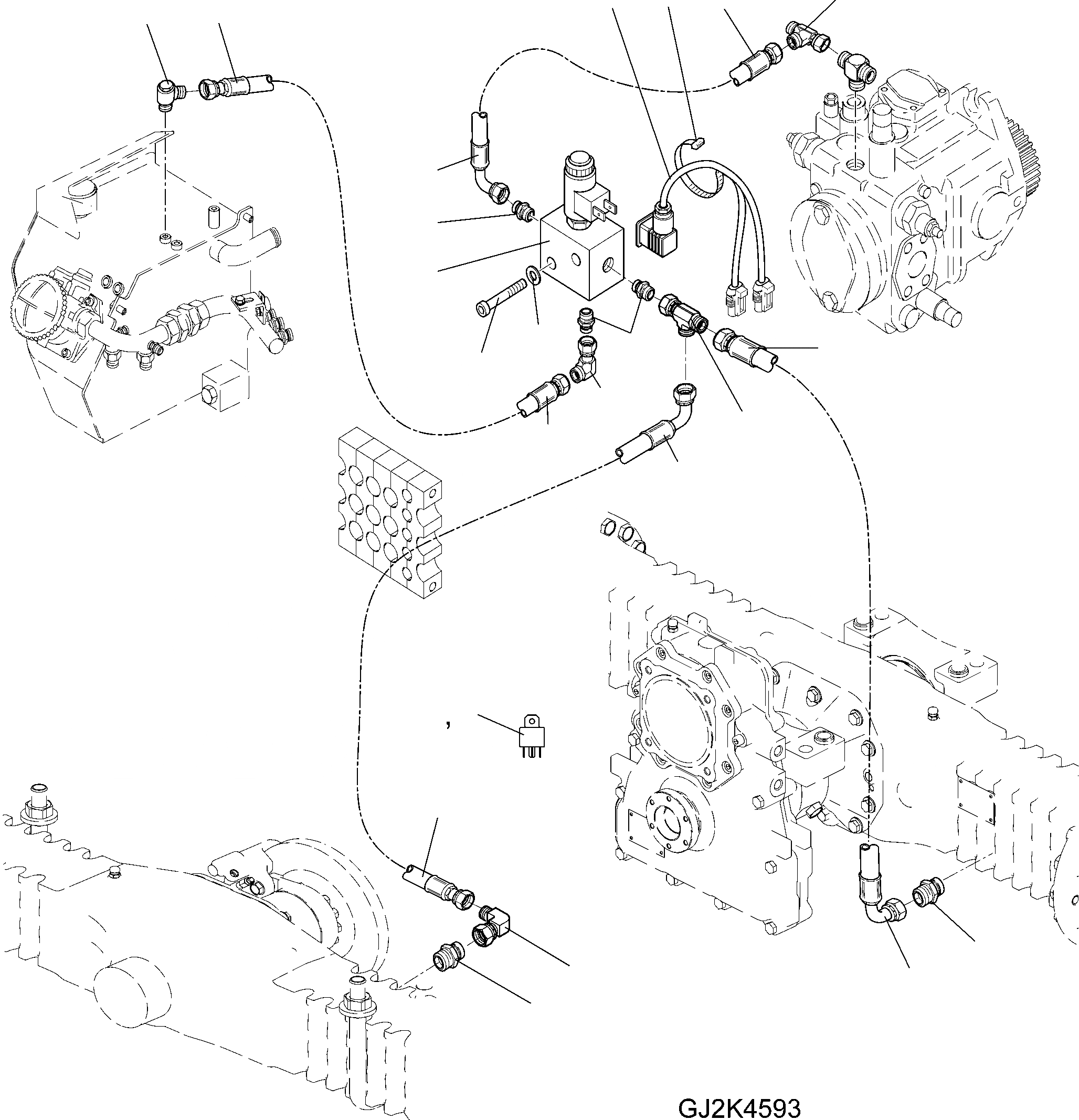
Запчасти Komatsu WA70-5 DIFFERNTIAL EXCLUDER СИСТЕМА ЗАДН. МОСТ

Схема запчастей Komatsu WA70-5 - DIFFERNTIAL EXCLUDER СИСТЕМА ЗАДН. МОСТ
4
1
15
7
3
8
7
11
2
17
10
11
16
14
13
8
9
6
5
9
12
14
10
12
FIT
1:1
100%

Артикул

Название

Примечание

Количество

1

42U-06-22050

HARNESS

1шт.

2

42U-22-21131

VALVE

1шт.

3

42U-09-H0830

UNION

1шт.

4

421-00-H1330

UNION

1шт.

5

42R-06-11280

RELAY

1шт.

6

42R-06-11290

RELAY

1шт.

7

42T-09-H2830

HOSE ASSEMBLY

1шт.

8

42T-09-H2840

HOSE ASSEMBLY

1шт.

9

42T-09-H2850

HOSE ASSEMBLY

1шт.

10

42T-09-H2860

HOSE ASSEMBLY

1шт.

11

42R-09-H0150

STUD

3шт.

12

42R-09-H0150

STUD

2шт.

13

421-00-H0480

UNION

1шт.

14

421-00-H0230

ELBOW

2шт.

15

08034-20834

BAND

8шт.

16

42Y-00-H3290

SCREW

2шт.

17

01642-20608

PLAIN WASHER

2шт.

Выбрано товаров: 17