Запчасти Komatsu WA70-5 ПЕРЕДНИЙ МОСТ 8 ПЕРЕДНИЙ МОСТ

Схема запчастей Komatsu WA70-5 - ПЕРЕДНИЙ МОСТ 8 ПЕРЕДНИЙ МОСТ
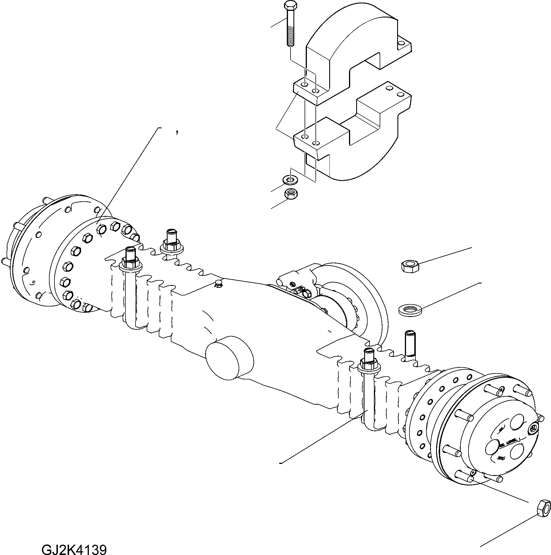
7
1A
1
6
8
9
4
3
2
5
FIT
1:1
100%

Артикул

Название

Примечание

Количество

1

42T-22-21100

FRONT AXLE

1шт.

1A

42T-22-21110

FRONT AXLE

1шт.

2

42T-22-21290

U BOLT

2шт.

3

01643-32460

PLAIN WASHER

4шт.

4

42Y-00-H0070

NUT

4шт.

5

42T-09-H3280

NUT

16шт.

6

42T-46-25100

COUNTERWEIGHT

4шт.

7

01011-81620

SCREW

8шт.

8

01640-21626

PLAIN WASHER

16шт.

9

01580-11613

NUT

8шт.

Выбрано товаров: 10