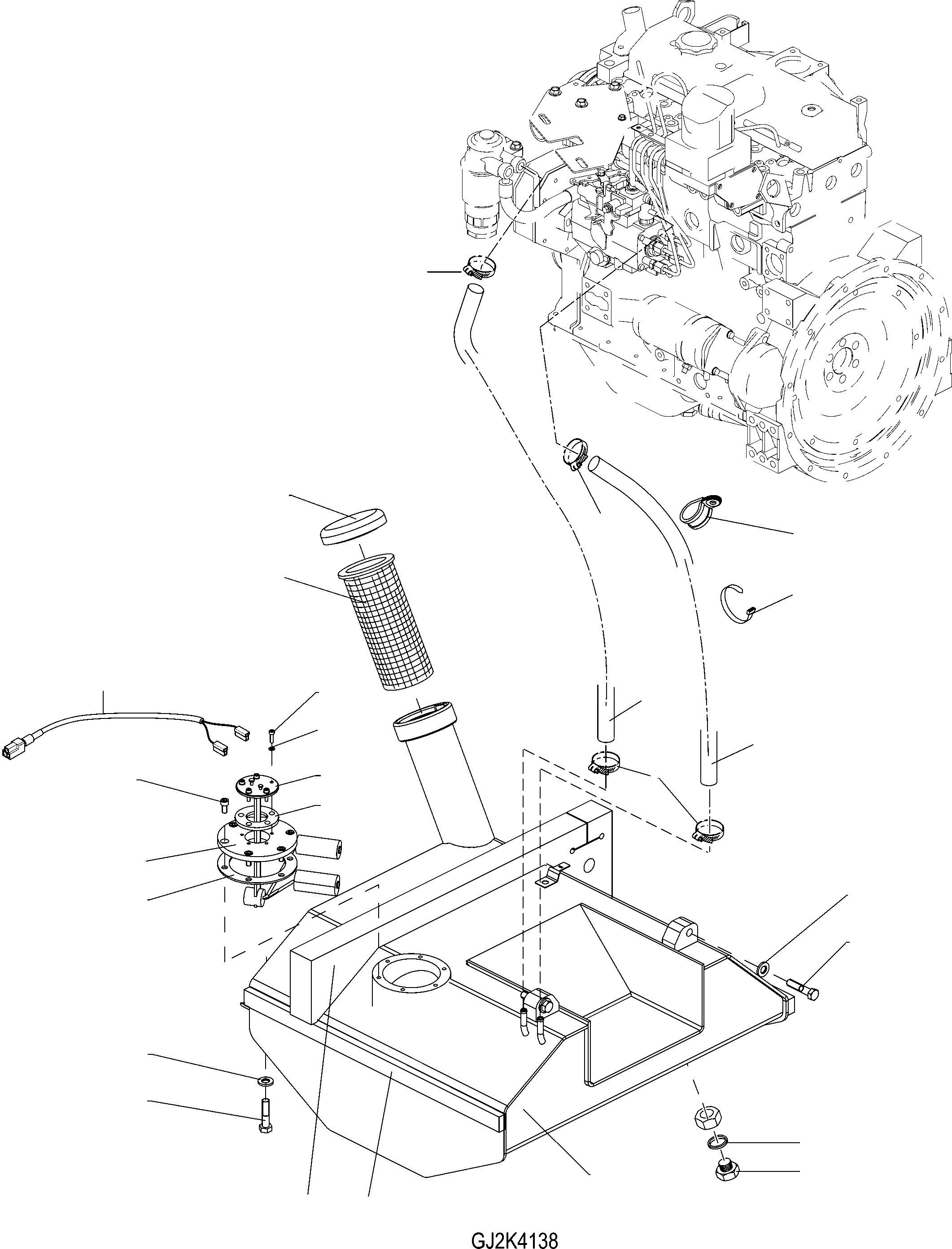
Запчасти Komatsu WA70-5 ТОПЛИВН. СИСТЕМА, PRE ФИЛЬТР., EXECUTIONДВИГАТЕЛЬ, КРЕПЛЕНИЕ ДВИГАТЕЛЯ

Схема запчастей Komatsu WA70-5 - ТОПЛИВН. СИСТЕМА, PRE ФИЛЬТР., EXECUTION  ДВИГАТЕЛЬ, КРЕПЛЕНИЕ ДВИГАТЕЛЯ
6
19
13
19
21
16
20
17
5
14
15
19
8
4
18
11
7
12
3
7
1
10
9
2
23
22
FIT
1:1
100%

Артикул

Название

Примечание

Количество

1

01016-51250

SCREW

2шт.

2

42T-04-21131

FUEL TANK

1шт.

3

01016-51250

SCREW

2шт.

4

01252-60816

SCREW

6шт.

5

01252-70512

SCREW

5шт.

6

01641-20508

PLAIN WASHER

5шт.

7

01643-31232

PLAIN WASHER

4шт.

8

20T-06-31110

SENDER

1шт.

9

423-00-H0740

PLUG

1шт.

10

423-00-H0760

SEAL

1шт.

11

42T-04-22A10

COVER

1шт.

12

42T-04-22A20

GASKET

1шт.

13

418-04-H1110

TANK CAP

1шт.

14

07260-20963

HOSE ASSEMBLY

1шт.

15

07260-20956

HOSE

1шт.

16

42T-04-22A50

STRAINER

1шт.

17

363-06-32190

CABLE

1шт.

18

42T-04-22290

GASKET

1шт.

19

07281-00167

CLIP

4шт.

20

08034-20519

BAND

4шт.

21

04434-51610

CLIP

1шт.

22

42T-04-22A31

GASKET

1шт.

23

42T-04-22A40

GASKET

2шт.

Выбрано товаров: 23