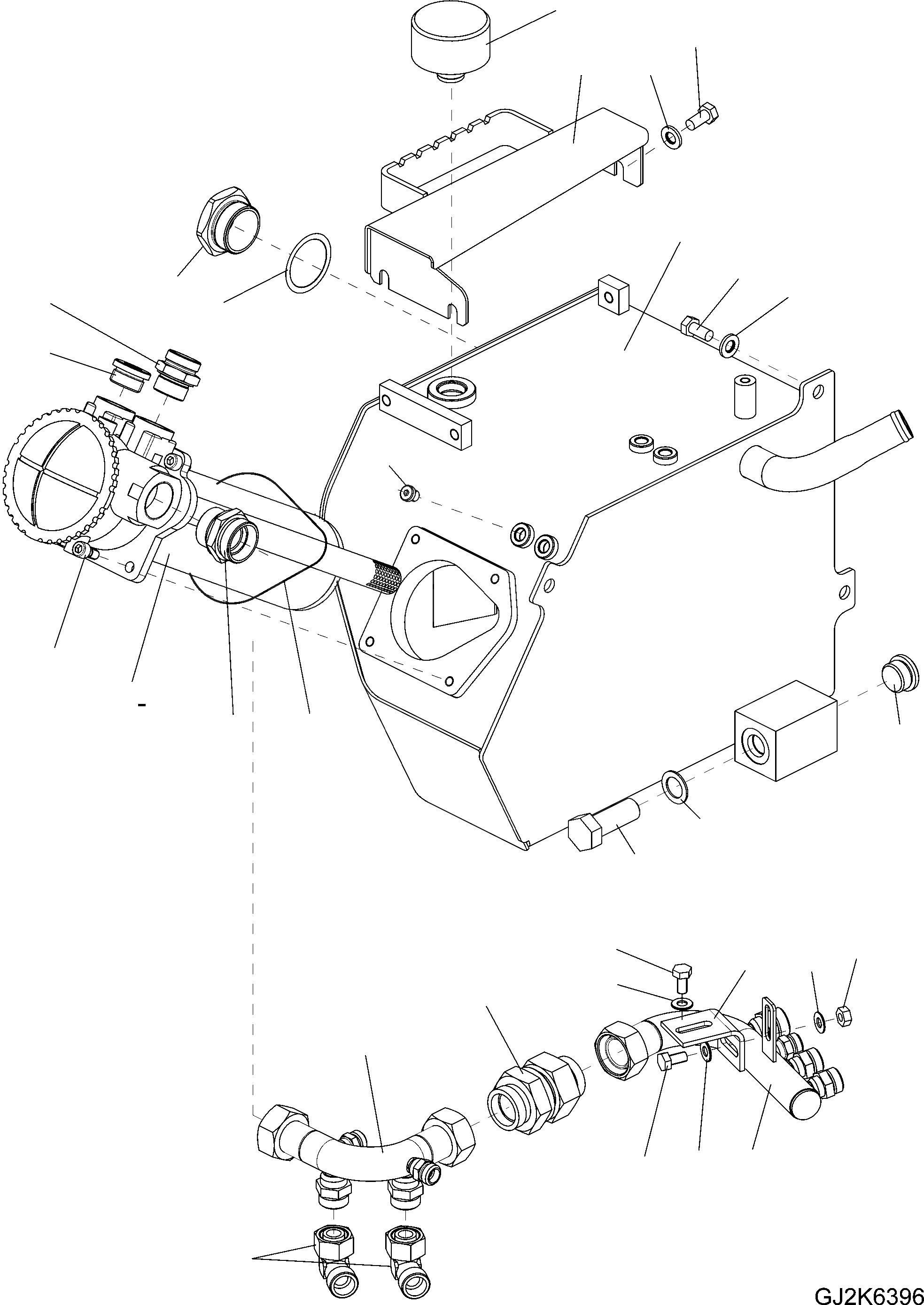
Запчасти Komatsu WA70-6 ГИДРАВЛ МАСЛ. БАК (С СТУПЕНИ) H ГИДРАВЛИКА

Схема запчастей Komatsu WA70-6 - ГИДРАВЛ МАСЛ. БАК (С СТУПЕНИ) H ГИДРАВЛИКА
25
14
2
15
1
14
16
26
21
27
29
24
13
9
12
30
22
8
7
6
19
28
17
20
20
5
3
20
4
18
23
FIT
1:1
100%

Артикул

Название

Примечание

Количество

1

42T-60-25010

HYDRAULIC OIL TANK

SN: H60051-UP

1шт.

2

42T-60-25020

STEP

SN: H60051-UP

1шт.

3

42U-60-25130

TUBE

SN: H60051-UP

1шт.

4

42T-60-25210

RETURN HEADER

SN: H60051-UP

1шт.

5

42T-09-H2710

NON RETURN VALVE

SN: H60051-UP

1шт.

6

419-09-H1720

SCREW

SN: H60051-UP

1шт.

7

42T-09-H1070

SEAL

SN: H60051-UP

1шт.

8

421-00-H1790

SCREW PLUG

SN: H60051-UP

1шт.

9

42U-62-12200

CLEANER

SN: H60051-UP

1шт.

10

42U-62-13150

FILTER ELEMENT

SN: H60051-UP

1шт.

11

42U-62-H0P01

O-RING

SN: H60051-UP

1шт.

12

42U-62-H0P02

O-RING

SN: H60051-UP

1шт.

13

01252-71025

BOLT

SN: H60051-UP

4шт.

14

01010-81225

BOLT

SN: H60051-UP

6шт.

15

01642-21216

WASHER

SN: H60051-UP

3шт.

16

01643-31232

WASHER

SN: H60051-UP

3шт.

17

42T-60-25170

ANGLE

SN: H60051-UP

1шт.

18

01010-81020

BOLT

SN: H60051-UP

1шт.

19

01580-11008

NUT

SN: H60051-UP

1шт.

20

01640-21016

WASHER

SN: H60051-UP

4шт.

21

42U-09-H1210

STRAIGHT COUPLING

SN: H60051-UP

1шт.

22

42U-09-H1070

STRAIGHT COUPLING

SN: H60051-UP

1шт.

23

421-00-H0100

STANDPIPE ELBOW

SN: H60051-UP

2шт.

24

423-00-H1300

SCREW PLUG

SN: H60051-UP

3шт.

25

42T-09-H2020

VENTILATION FILTER

SN: H60051-UP

1шт.

26

421-60-11622

GAUGE, SIGHT

SN: H60051-UP

1шт.

27

07002-15234

O-RING

SN: H60051-UP

1шт.

28

01010-81016

BOLT

SN: H60051-UP

1шт.

29

42U-09-H1200

SCREW PLUG

SN: H60051-UP

1шт.

30

42U-62-H0P04

O-RING

SN: H60051-UP

1шт.

Выбрано товаров: 30