Запчасти Komatsu WA70-6 KOMTRAX K OPERATORґS ОБСТАНОВКА И СИСТЕМА УПРАВЛЕНИЯ

Схема запчастей Komatsu WA70-6 - KOMTRAX K OPERATORґS ОБСТАНОВКА И СИСТЕМА УПРАВЛЕНИЯ
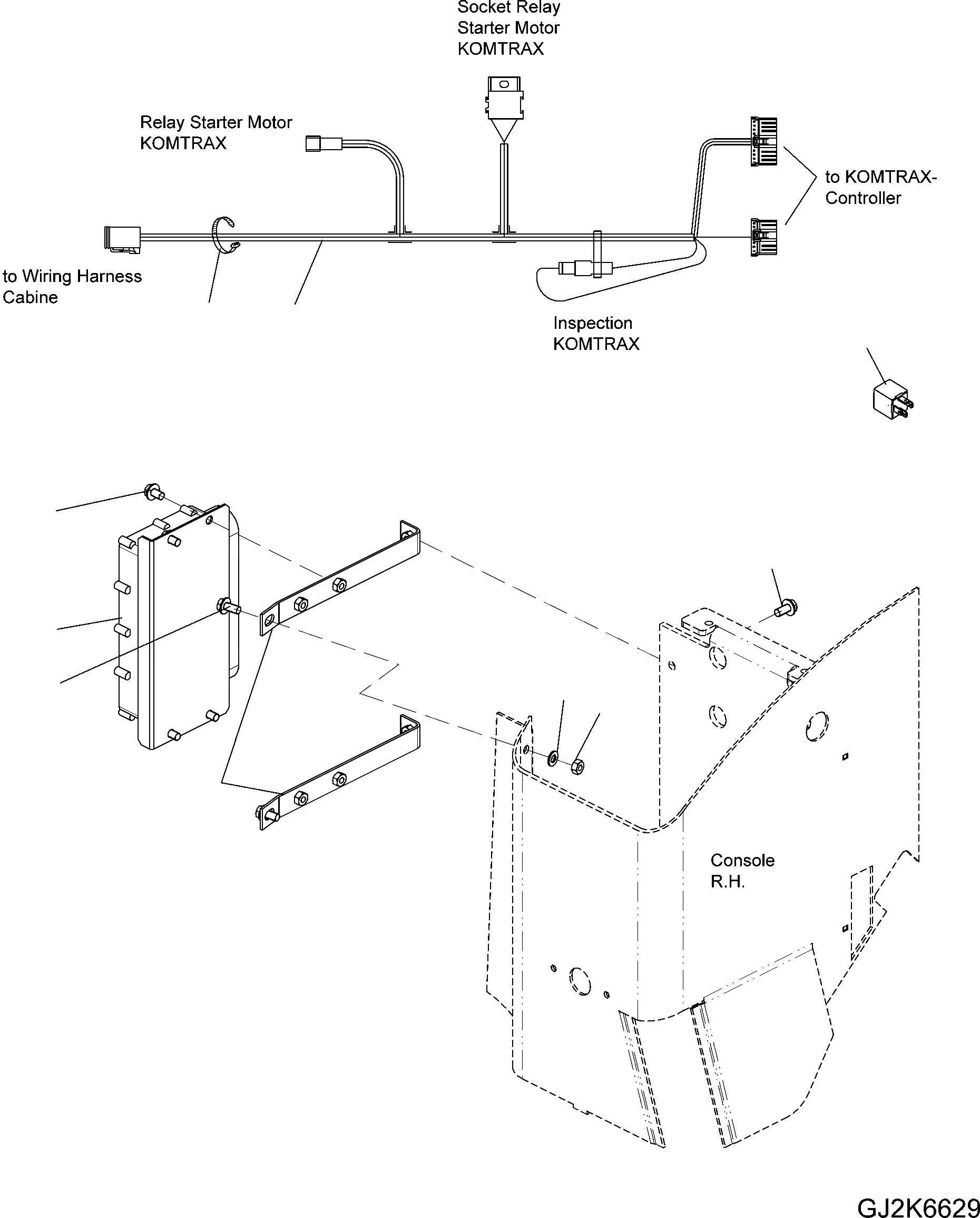
8
7
9
2
4
1
5
2
6
3
FIT
1:1
100%

Артикул

Название

Примечание

Количество

1

7826-24-3002

CONTROLLER

SN: H60051-UP

1шт.

2

01435-00812

BOLT

SN: H60051-UP

6шт.

3

42W-06-31510

BRACKET, KOMTRAX

SN: H60051-UP

2шт.

4

01435-00816

BOLT

SN: H60051-UP

2шт.

5

01641-20812

WASHER

SN: H60051-UP

2шт.

6

01580-00806

NUT

SN: H60051-UP

2шт.

7

42W-06-32170

WIRING HARNESS, KOMTRAX

SN: H60051-UP

1шт.

8

08034-40521

BAND

SN: H60051-UP

3шт.

9

42R-06-11280

RELAY, 12V/20A/30A

SN: H60051-UP

1шт.

Выбрано товаров: 9