Запчасти Komatsu WA700-1 РАДИАТОР COVER КОМПОНЕНТЫ ДВИГАТЕЛЯ И ЭЛЕКТРИКА

Схема запчастей Komatsu WA700-1 - РАДИАТОР COVER КОМПОНЕНТЫ ДВИГАТЕЛЯ И ЭЛЕКТРИКА
FIT
1:1
100%

Артикул

Название

Примечание

Количество

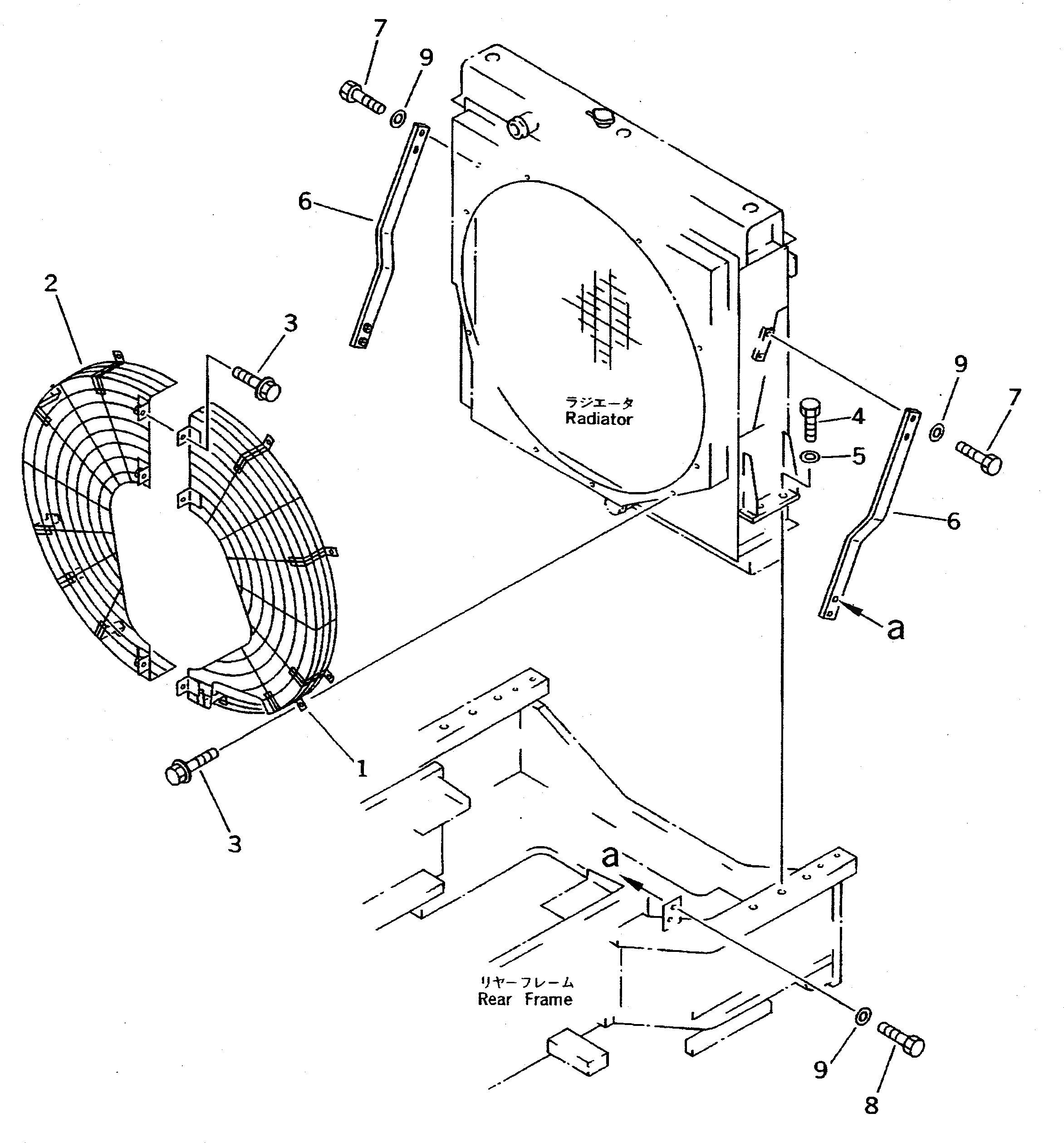
1

428-03-13122

NET,L.H.

SN: 10001-UP

1шт.

2

428-03-13131

NET,R.H.

SN: 10001-UP

1шт.

3

01435-01225

BOLT

SN: 10001-UP

13шт.

4

01010-32055

BOLT

SN: 10001-UP

4шт.

5

01643-32060

WASHER

SN: 10001-UP

4шт.

6

428-03-13113

SUPPORT

SN: 10001-UP

2шт.

7

01010-31650

BOLT

SN: 10001-UP

4шт.

8

01010-31665

BOLT

SN: 10001-UP

4шт.

9

01643-31645

WASHER

SN: 10001-UP

8шт.

Выбрано товаров: 9